GM Service Manual Online
For 1990-2009 cars only
Figure 1:

Single Stage SIR System


Object Number: 2159481  Size: FS
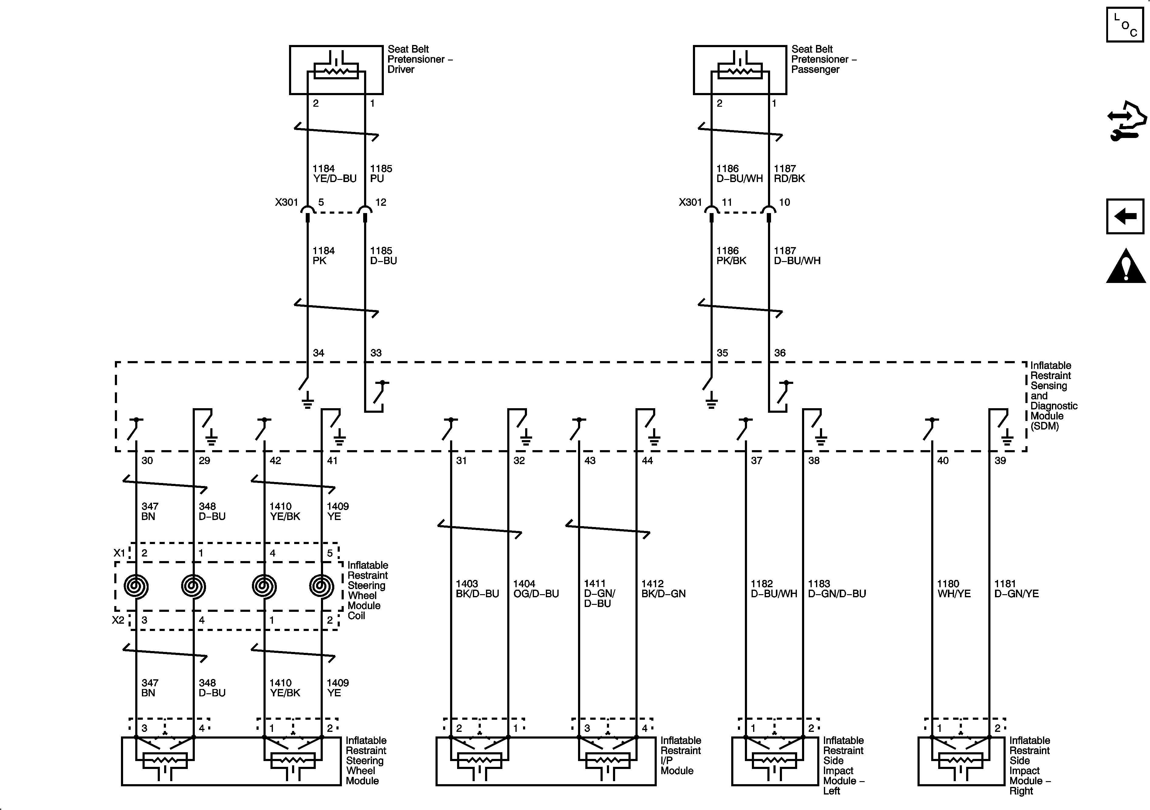
Figure 2:

Dual Stage SIR - 1 of 2


Object Number: 2159487  Size: FS
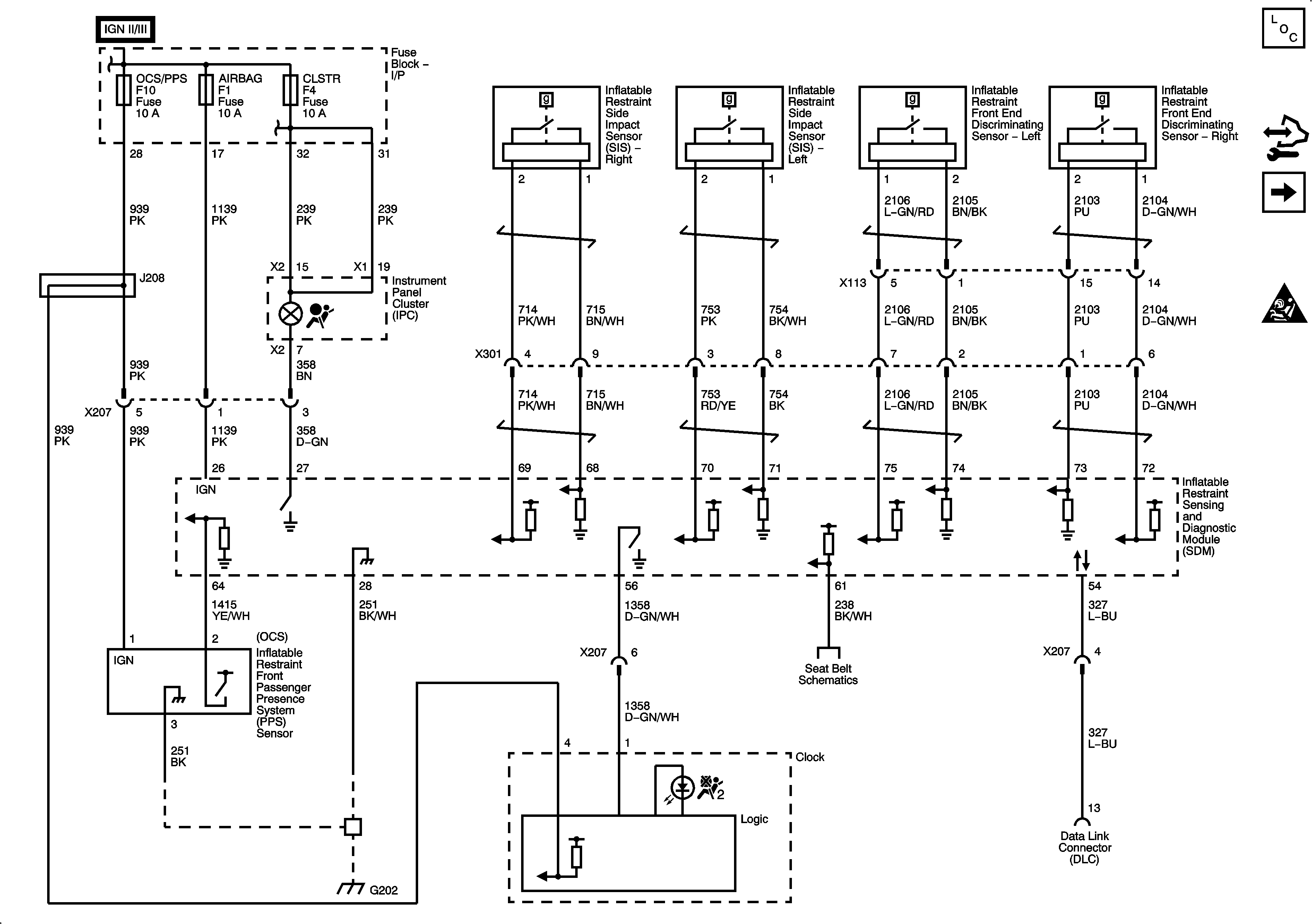
Figure 3:

Dual Stage SIR - 2 of 2


Object Number: 2159489  Size: FS