GM Service Manual Online
For 1990-2009 cars only
Makes
🢒
Holden
🢒
2009
🢒
Viva
🢒
Safety and Security
🢒
Theft Deterrent
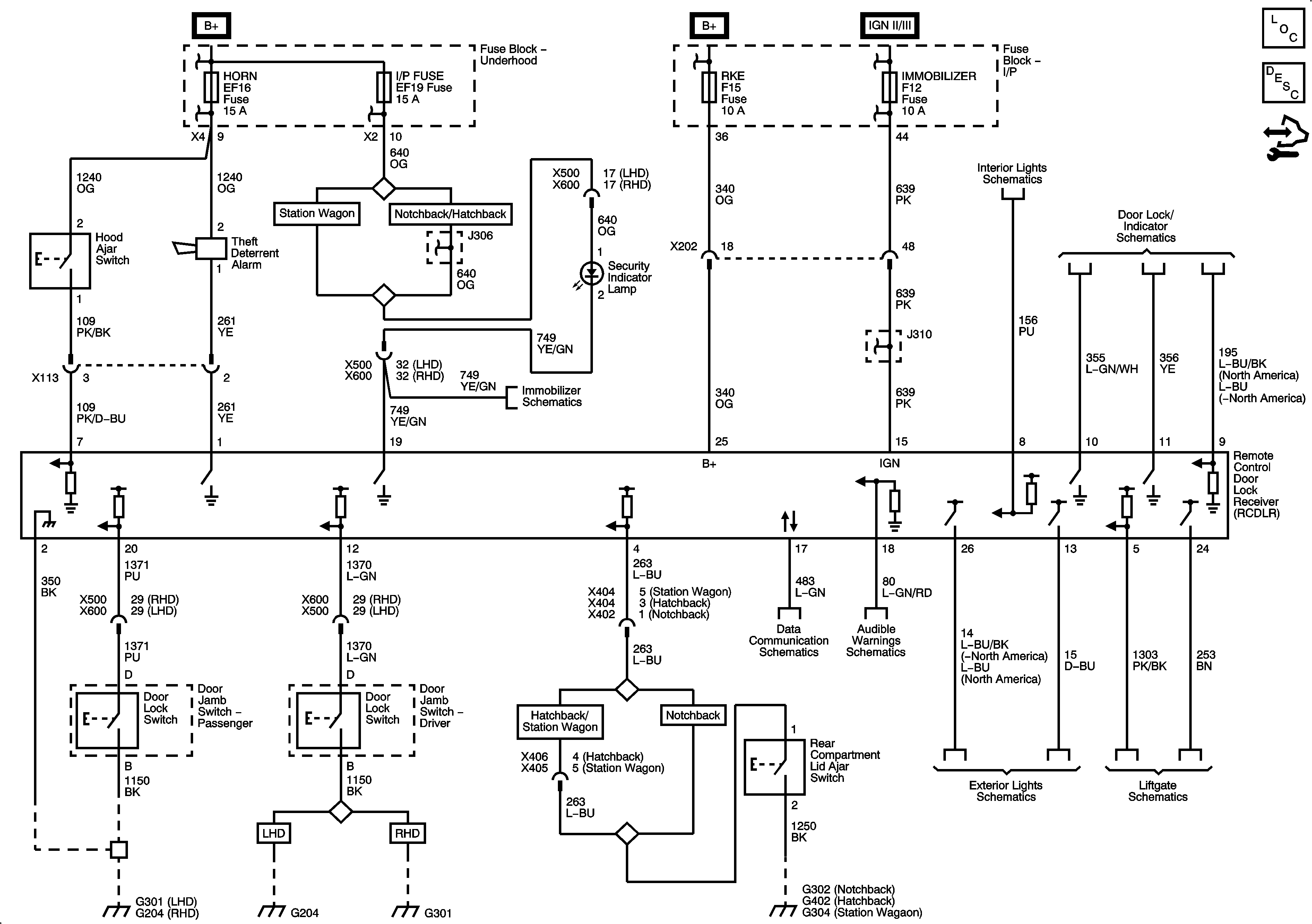
🢒 Theft Deterrent System Schematics
Theft Deterrent System