GM Service Manual Online
For 1990-2009 cars only
Figure 1:

Seal Locations (1 of 2)


Object Number: 1891273  Size: LF
(3)Control Valve Body Cover Gasket
(5)Control Valve Body Cover Gasket
(24)Torque Converter Housing Gasket
(58)3-5-Reverse and 4-5-6 Clutch Fluid Seal Ring
(65)Drive Shaft Oil Seal Assembly
(202)Torque Converter and Differential Housing Seal
(209)Front Wheel Drive Shaft Oil Seal Assembly
(301)Torque Converter Fluid Seal Assembly
(319)Torque Converter Fluid Seal Assembly
(504)3-5-Reverse Clutch Piston Inner Seal
(505)3-5-Reverse Clutch Piston Inner Seal
(506)3-5-Reverse Clutch Piston Dam Seal
(518)4-5-6 Clutch Piston Outer Seal
(519)4-5-6 Clutch Piston Outer Seal
(521)4-5-6 Clutch Piston Inner Seal
(535)2-6 Clutch Piston Assembly
(550)Low and Reverse Clutch Piston
(552)1-2-3-4 Clutch Piston
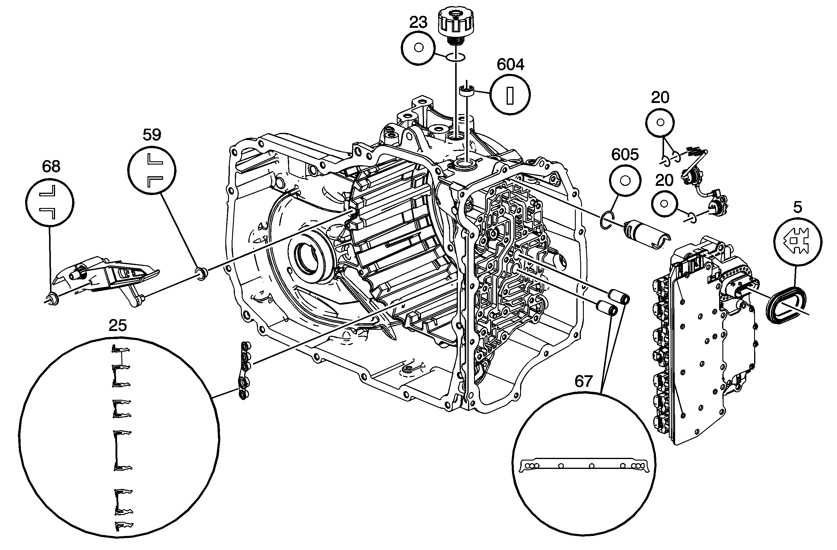
Figure 2:

Seal Locations (2 of 2)


Object Number: 1891274  Size: MF
(5)Control Valve Body Cover Hole Seal
(20)A/Trans Input Speed Sensor Assembly O-Ring Seal
(23)Fill Cap Seal
(25)A/Trans Fluid Pump Seal Assembly
(59)Drive Link Lube Fluid Seal
(67)1-2-3-4 and Low Reverse Clutch Fluid Passage
(68)Drive Link Lube Fluid Seal
(604)Manual Shift Shaft Seal
(605)Park Pawl Actuator Guide Seal