GM Service Manual Online
For 1990-2009 cars only
Makes
🢒
Holden
🢒
2007
🢒
WM Sedan
🢒
Driver Information and Entertainment
🢒
Cellular, Entertainment, and Navigation
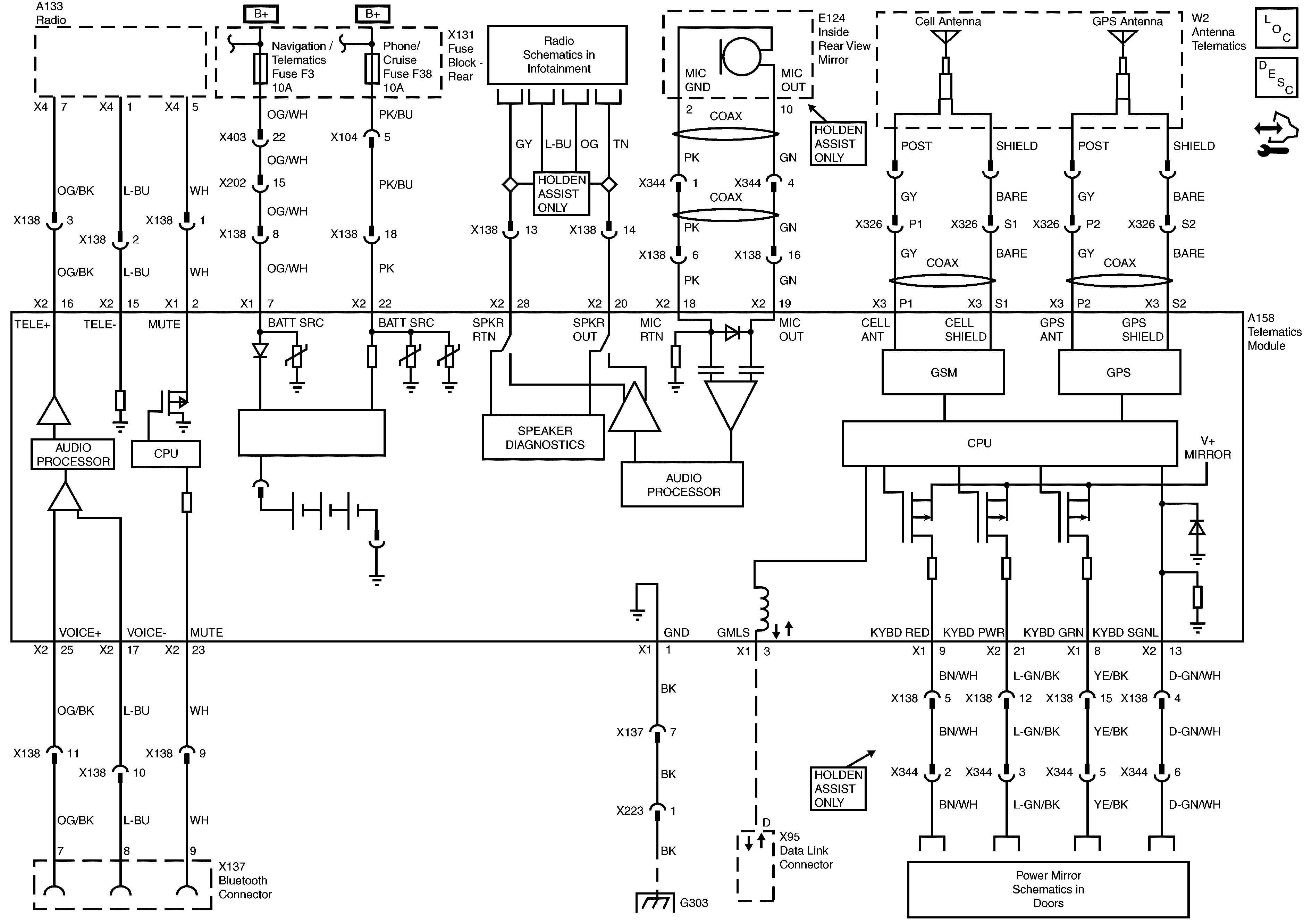
🢒 Telematics Schematics
Telematics Module, Power, Ground, Serial Data, Communication Signals and Controls
Master Electrical Component List
Control Module References