GM Service Manual Online
For 1990-2009 cars only
Makes
🢒
Holden
🢒
2008
🢒
WM Sedan
🢒
Driver Information and Entertainment
🢒
Displays and Gages
🢒 Secondary Driver Information Display Schematics
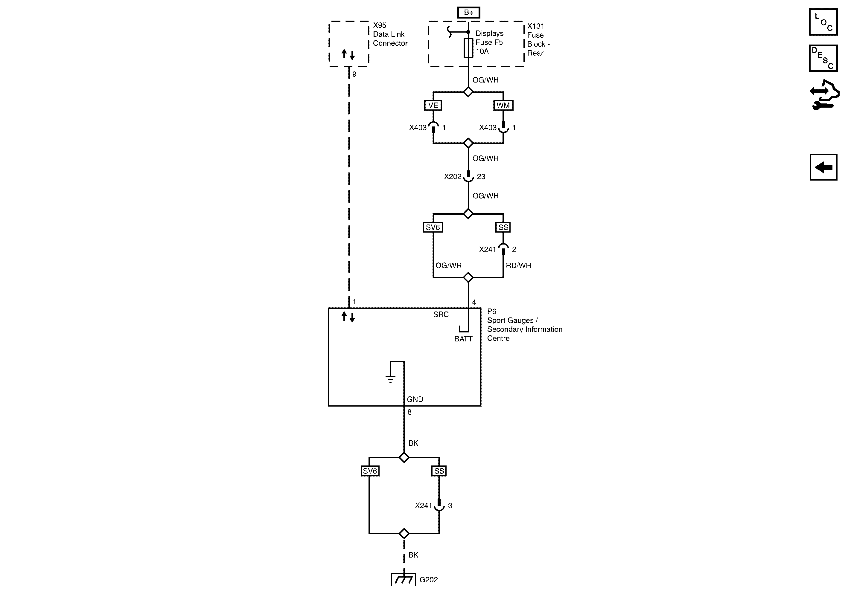
Figure
1:
Secondary Information Centre/Sports Gauges Power, Ground and Serial Data -- BRL
Master Electrical Component List
Driver Information Center (DIC) Description and Operation
Control Module References
Instrument Cluster Power, Ground, Serial Data, Inputs and Outputs
G202
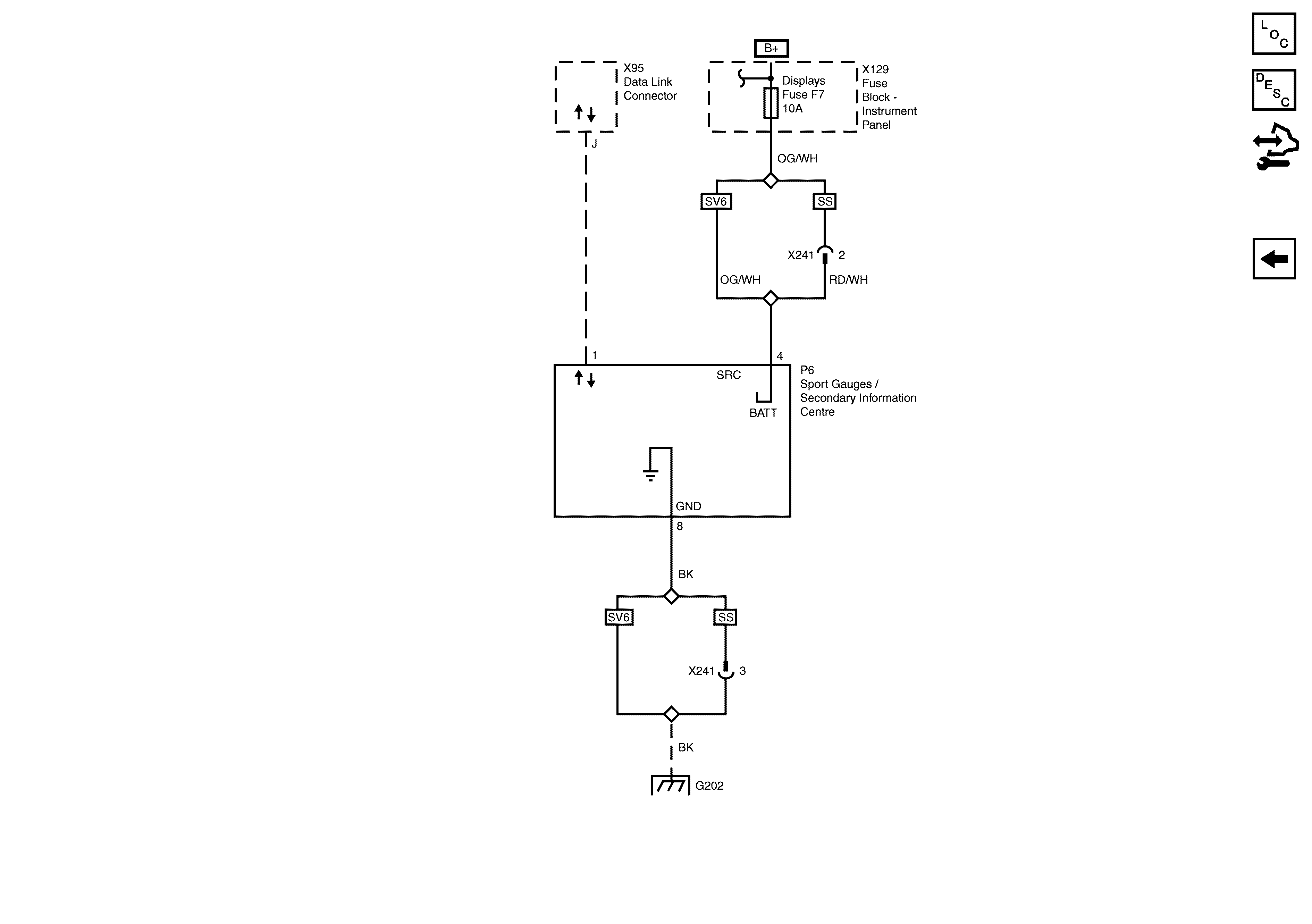
Figure
2:
Secondary Information Centre/Sports Gauges Power, Ground and Serial Data - Except BRL
Master Electrical Component List
Driver Information Center (DIC) Description and Operation
Control Module References
Instrument Cluster Power, Ground, Serial Data, Inputs and Outputs
G202