Makes 🢒
Holden 🢒
2008 🢒
WM Sedan 🢒
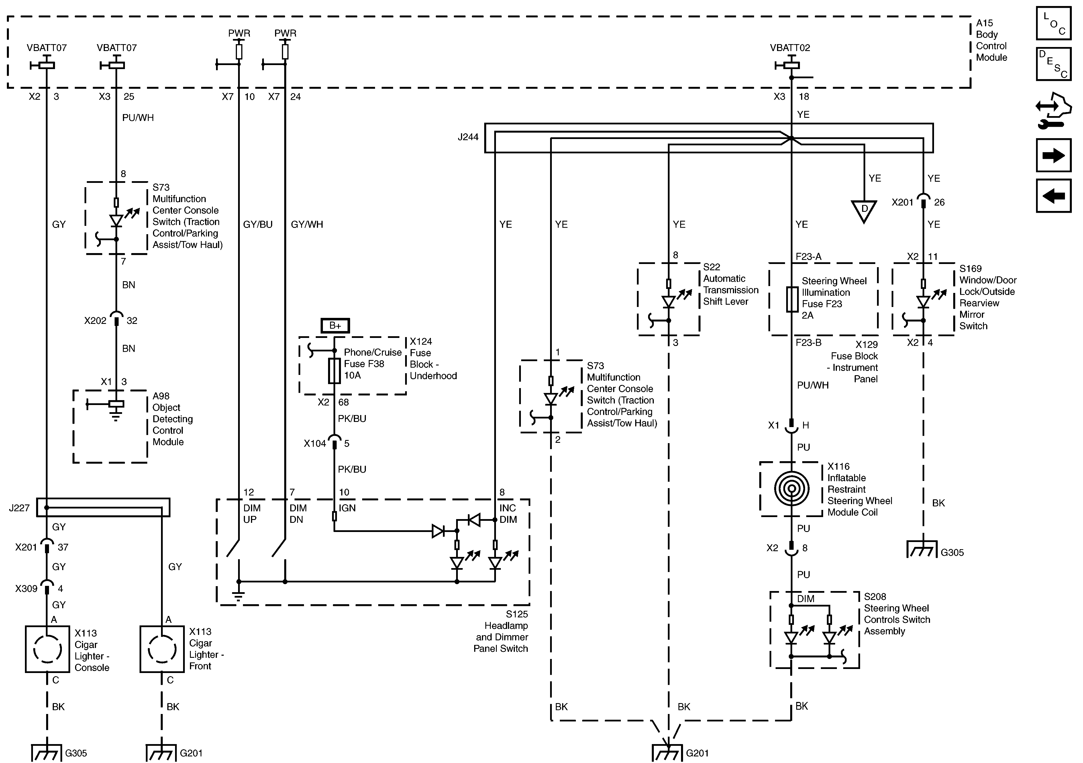
Cigar Lighters, Multifunction Center Console Switch, Headlamp and Dimmer Switch, Auto Transmission Shift Lever Switch, Steering Wheel Switches, Window/Door Lock and Mirror Switch Illumination
Cigar Lighters, Multifunction Center Console Switch, Headlamp and Dimmer Switch, Auto Transmission Shift Lever Switch, Steering Wheel Switches, Window/Door Lock and Mirror Switch Illumination