GM Service Manual Online
For 1990-2009 cars only
Makes
🢒
Holden
🢒
2008
🢒
WM Sedan
🢒 Module Power, Ground and Serial Data
Module Power, Ground and Serial Data
Module Power, Ground and Serial Data
Master Electrical Component List
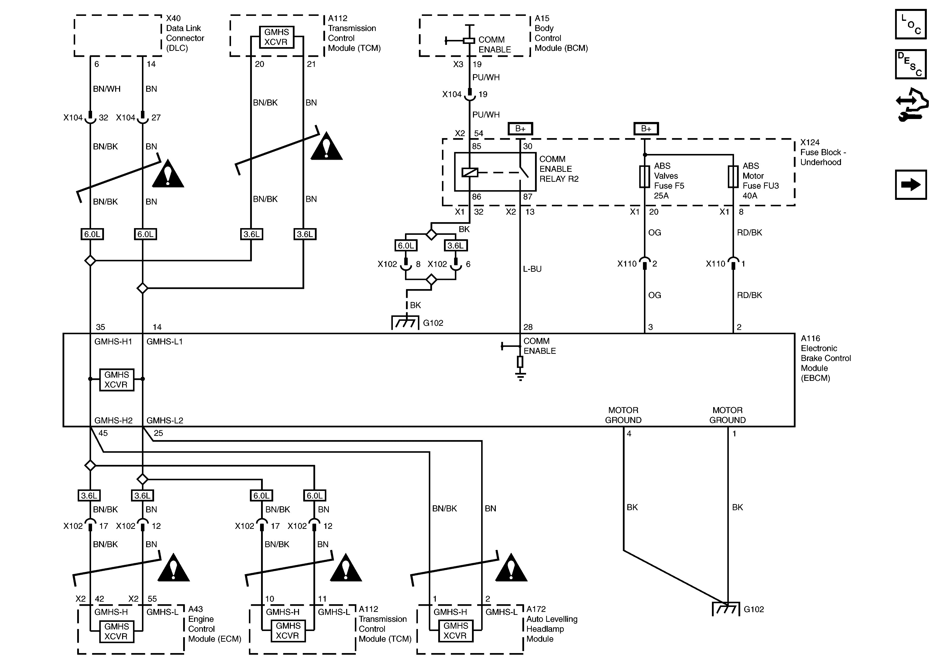
ABS Description and Operation SWBRHD
Control Module References
Steering Angle Sensor, Brake Pedal Position Sensor, ESP Switch and Yaw Rate/Lateral Accelerometer Sensor
G101 and G102
G101 and G102
Antilock Brake System Schematic Icons
Antilock Brake System Schematic Icons
Antilock Brake System Schematic Icons
Antilock Brake System Schematic Icons
Antilock Brake System Schematic Icons