GM Service Manual Online
For 1990-2009 cars only
Makes
🢒
Holden
🢒
2008
🢒
WM Sedan
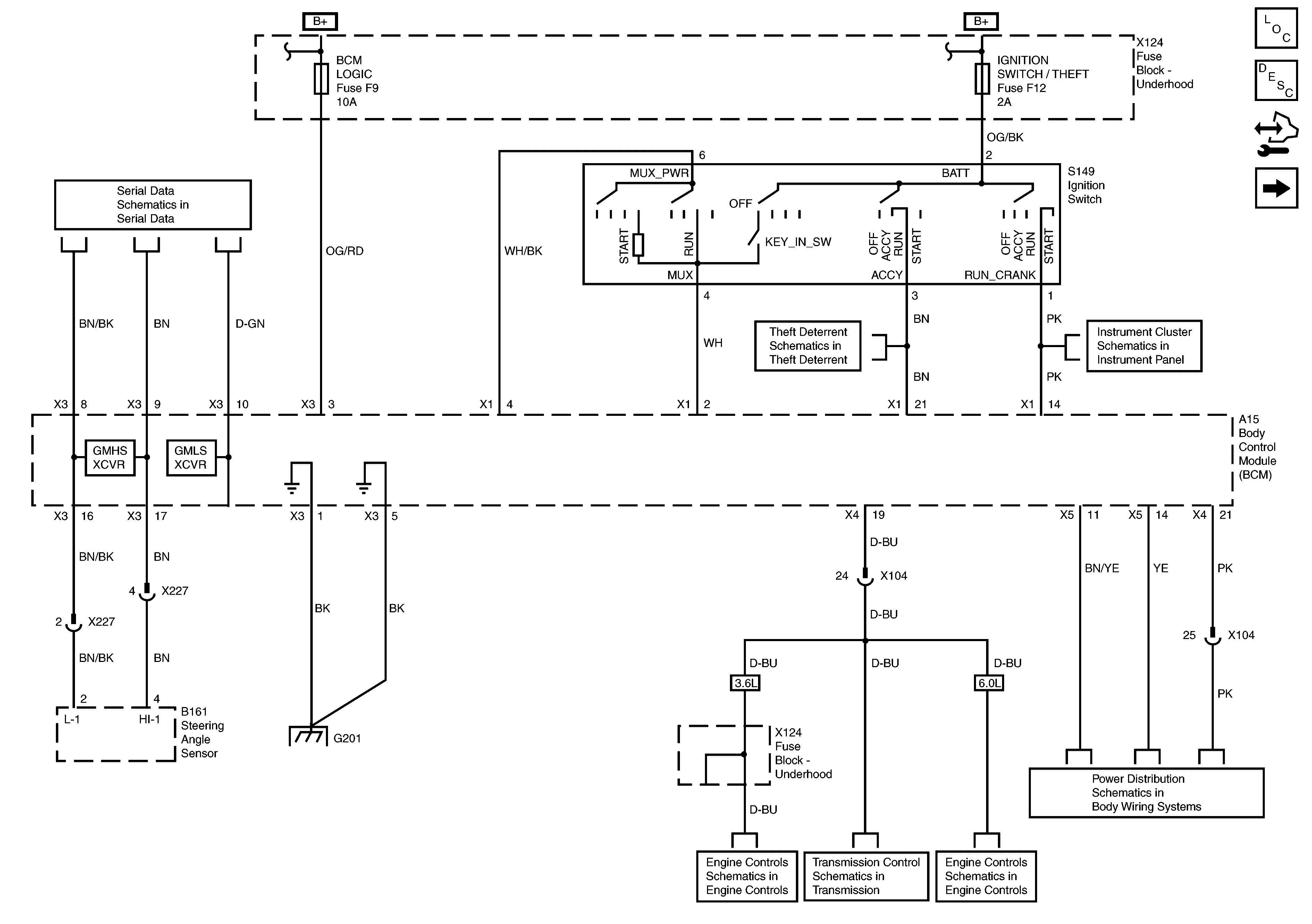
🢒 Body Control Module and Ignition Switch, Power, Ground, Inputs and Outputs
Body Control Module and Ignition Switch, Power, Ground, Inputs and Outputs
Body Control Module and Ignition Switch, Power, Ground, Inputs and Outputs
Master Electrical Component List
Body Control System Description and Operation
Control Module References
Pin Allocation
G201 - 1 of 2
TCM and Transmission, Power, Ground, Serial Data, Inputs and Outputs
Instrument Cluster Power, Ground, Serial Data, Inputs and Outputs
Pin Allocation
ECM Power, Ground and Serial Data
ECM Power, Ground and Serial Data
Batt Main 1, Courtesy Lights, Instrument/Ctr Display/RFA/DLC, Turn Signal Left and Turn Signal Right Fuses and Window Batt Circuit Breakers
Theft Deterrent Module, Power, Ground, Serial Data