Makes 🢒
Holden 🢒
2008 🢒
WM Sedan 🢒
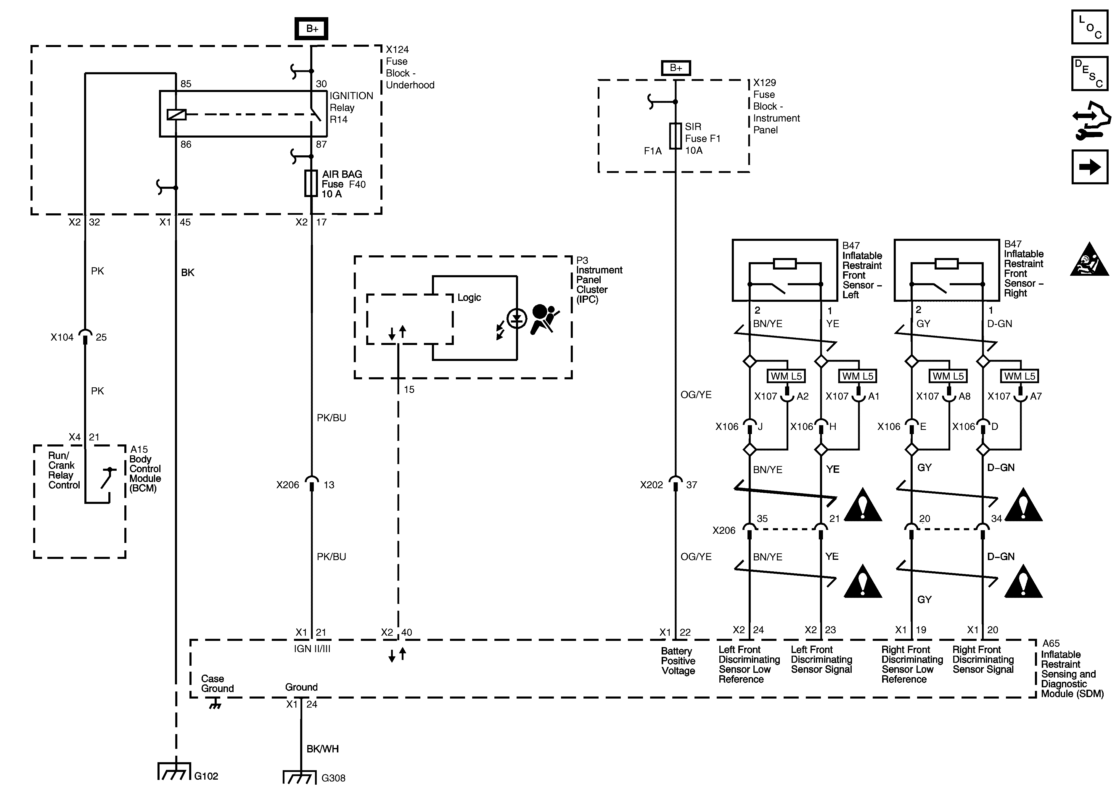
Inflatable Restraint Sensing and Diagnostic Module and Inflatable Restraint Sensors, Power, Ground, Serial Data, Inputs and Outputs
Inflatable Restraint Sensing and Diagnostic Module and Inflatable Restraint Sensors, Power, Ground, Serial Data, Inputs and Outputs