GM Service Manual Online
For 1990-2009 cars only
Figure 1:

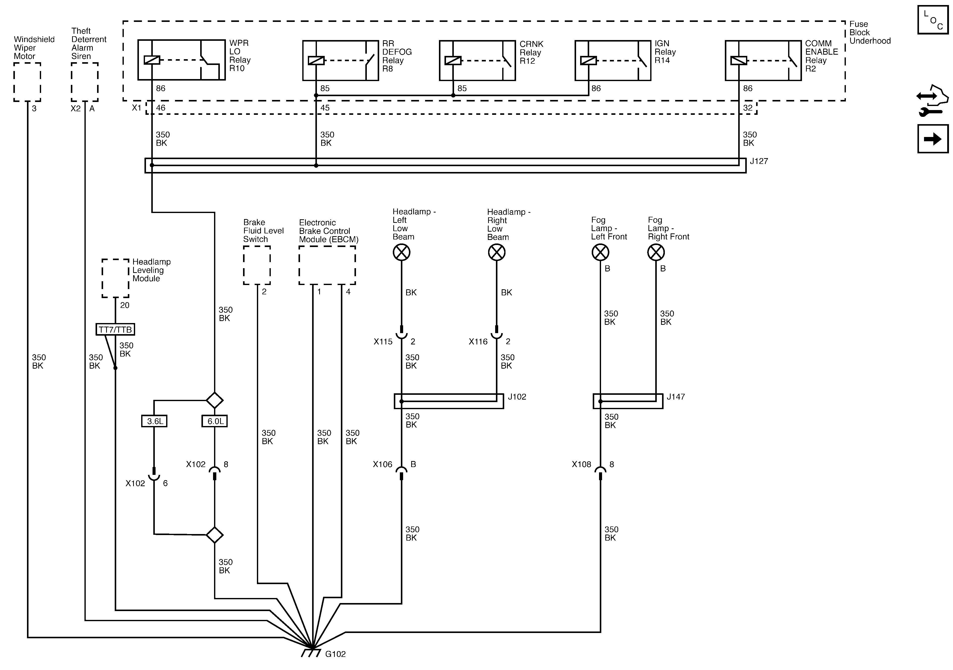
G102


Object Number: 2154331  Size: FS
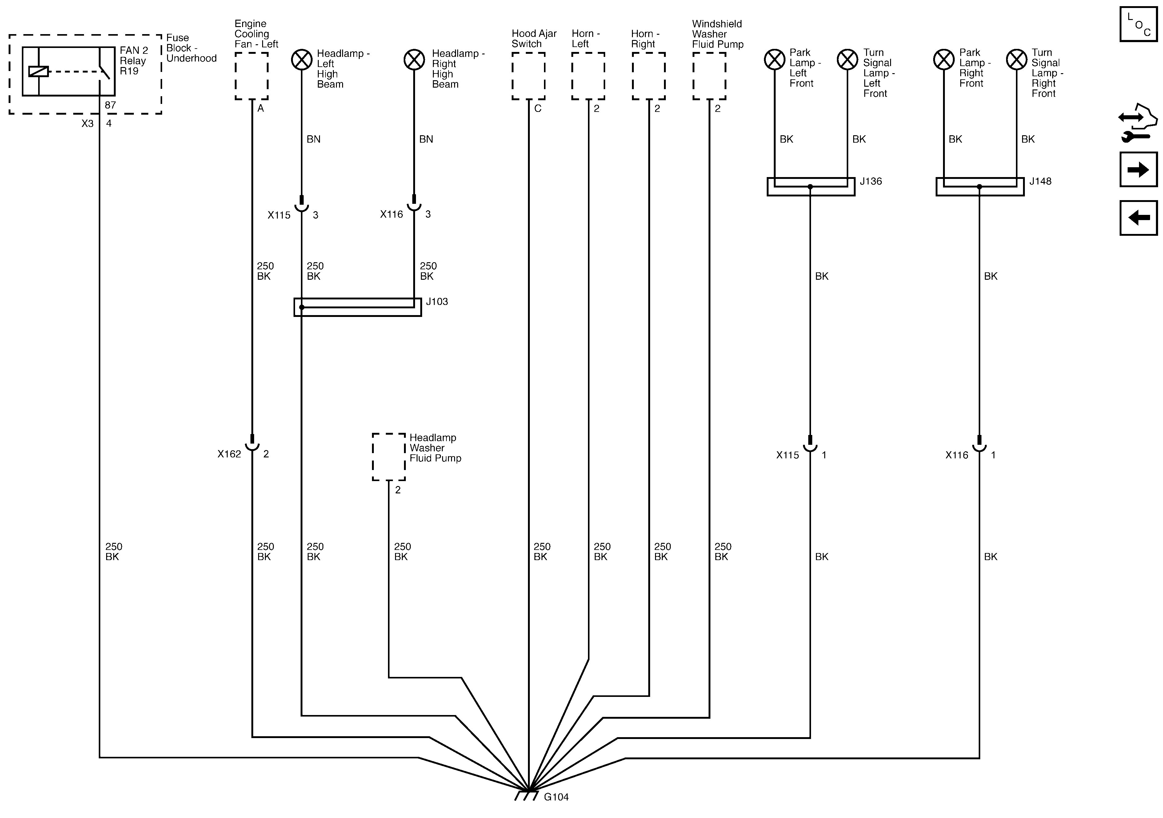
Figure 2:

G104


Object Number: 2154333  Size: FS
Figure 3:

G103, G106, G107, G108 and G109 (LY7)


Object Number: 2154335  Size: FS
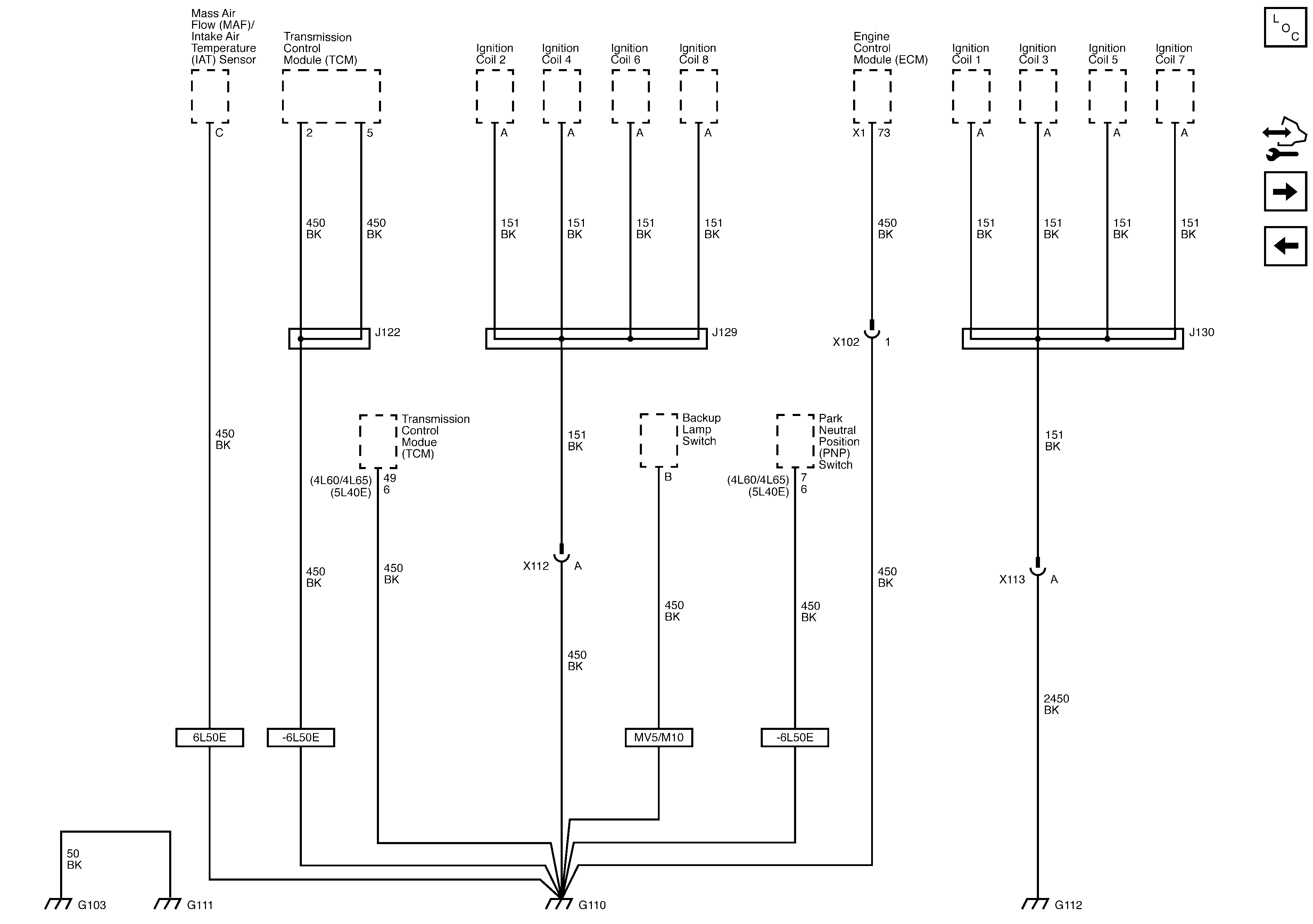
Figure 4:

G103, G110, G111 and G112 (L76)


Object Number: 2154337  Size: FS
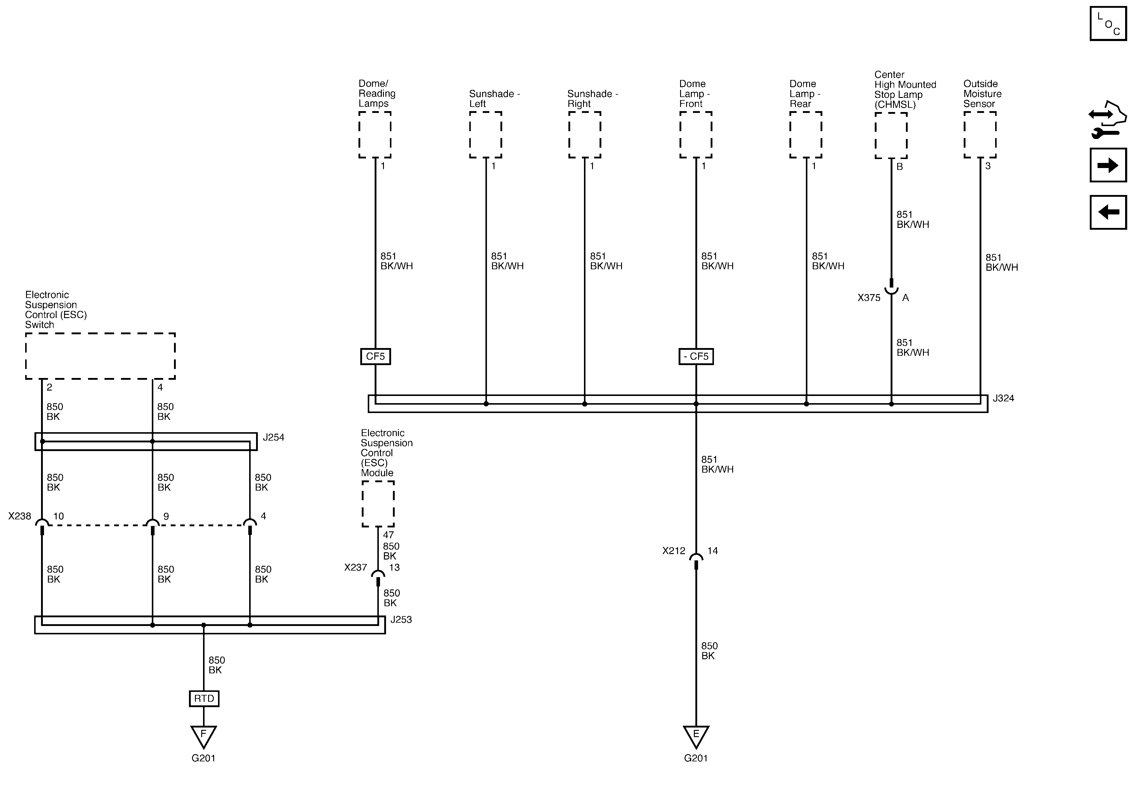
Figure 5:

G201 - 1 of 2


Object Number: 2154338  Size: FS
Figure 6:

G201 - 2 of 2


Object Number: 2154339  Size: FS
Figure 7:

G202


Object Number: 2154342  Size: FS
Figure 8:

G303, G308 and G407


Object Number: 2154344  Size: FS
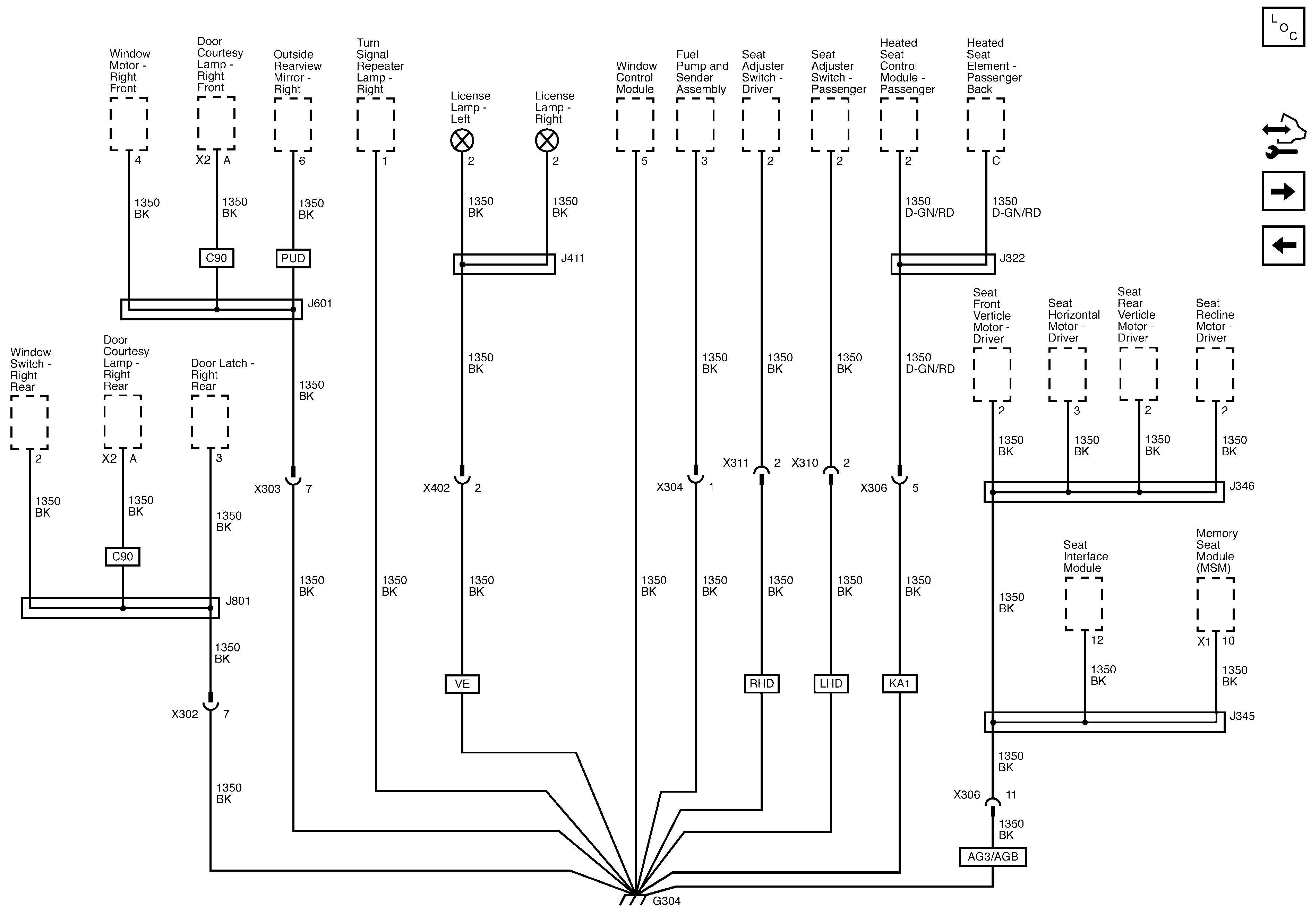
Figure 9:

G304


Object Number: 2154345  Size: FS
Figure 10:

G305


Object Number: 2154347  Size: FS
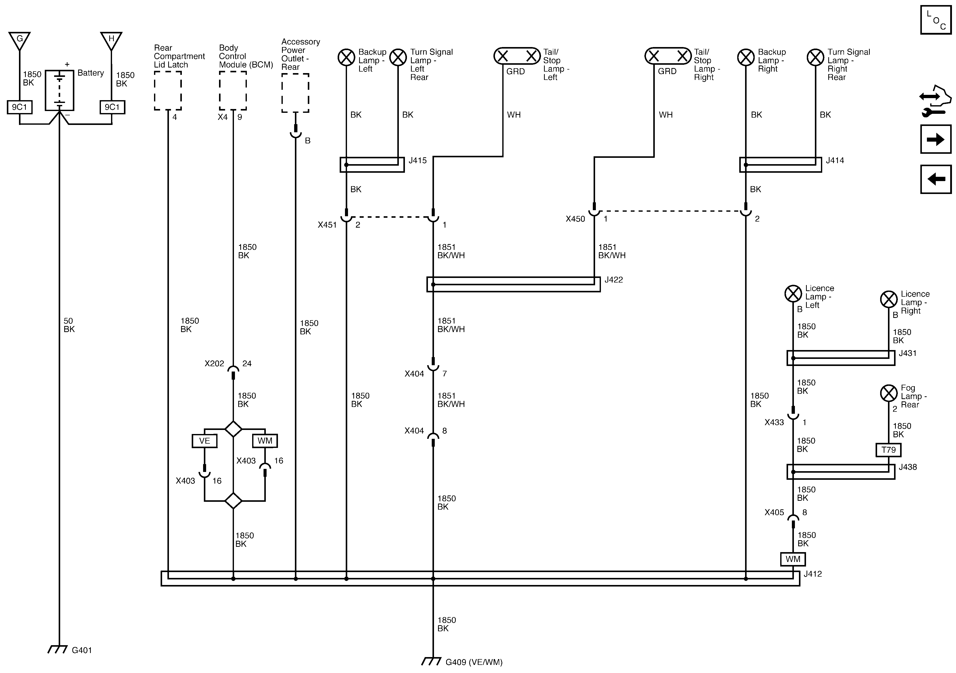
Figure 11:

G401 and G409 (Except F35)


Object Number: 2154348  Size: FS
Figure 12:

G409 and G900 (F35)


Object Number: 2154351  Size: FS