GM Service Manual Online
For 1990-2009 cars only
Makes
🢒
Holden
🢒
2009
🢒
WM Sedan
🢒
Driver Information and Entertainment
🢒
Displays and Gages
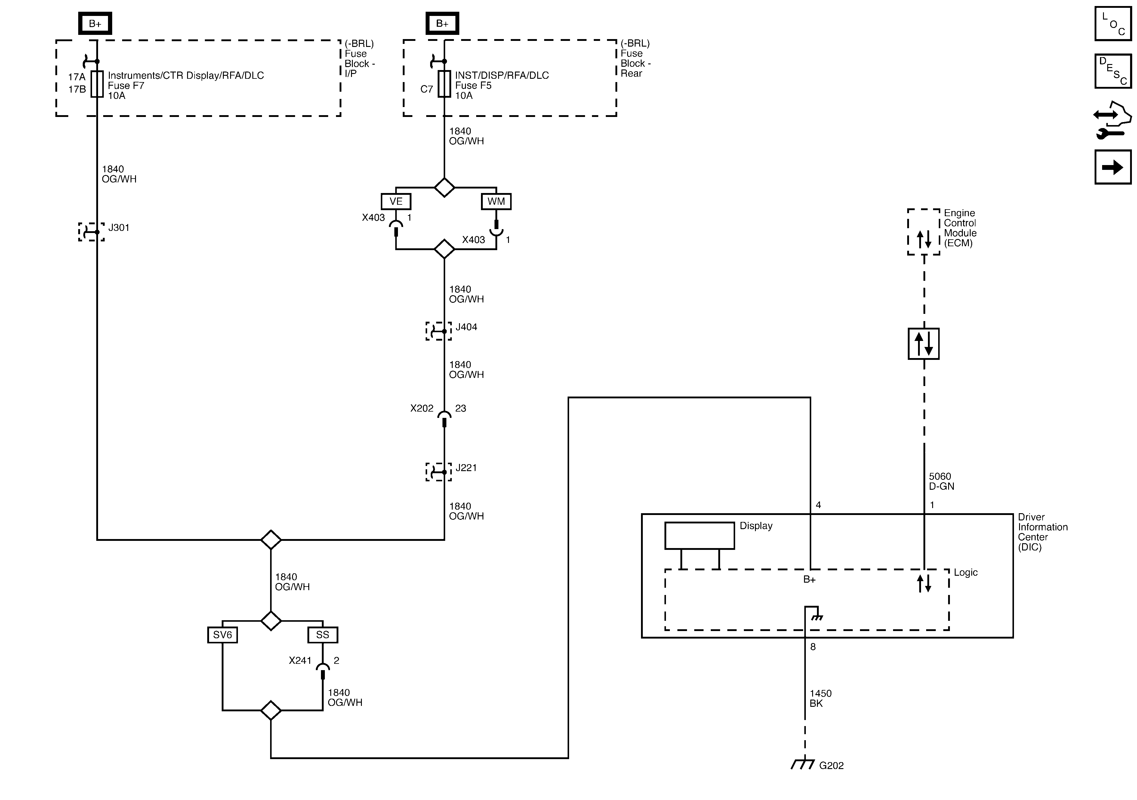
🢒 Driver Information System Schematics