GM Service Manual Online
For 1990-2009 cars only

Tools Required

    • J 6125-1B Slide Hammer
    • J 23129 Universal Seal Remover
    • J 29873 Injector Nozzle Socket 30 mm
    • J 44765 Seal Installer
    • J 45012 Holding Fixture
    • J 45019 Flange and Pinion Gage Remover

Removal Procedure

    Caution: Refer to Vehicle Lifting Caution in the Preface section.

    Caution: Refer to Safety Glasses Caution in the Preface section.

  1. Raise and support the vehicle. Refer to Lifting and Jacking the Vehicle.
  2. Remove the exhaust system. Refer to Exhaust System Replacement.
  3. Remove the propeller shaft. Refer to Propeller Shaft Replacement.

  4. Object Number: 1955627  Size: SH
  5. Install the J 45012 to the drive flange (2).
  6. While holding the J 45012 , remove the flange retaining nut using the J 29873 .
  7. Remove the J 45012 .

  8. Object Number: 1996500  Size: SH
  9. Remove the drive flange to output shaft retaining nut (1). The retaining nut must be discarded after removal.
  10. Discard the retaining nut.

  11. Remove the drive flange thrust washer (2). The thrust washer must be discarded after removal
  12. Discard the thrust washer.

  13. Remove the drive flange using the J 45019 .

  14. Object Number: 1955629  Size: SH
  15. Use the J 6125-1B and J 23129 to remove the transmission case extension seal (1) from the transmission case extension.

Installation Procedure


    Object Number: 1955631  Size: SH

    Important: Install the seal onto the tool before installing into the case to prevent damage to the seal.

  1. Using J 44765 install the new transmission case extension seal (1).

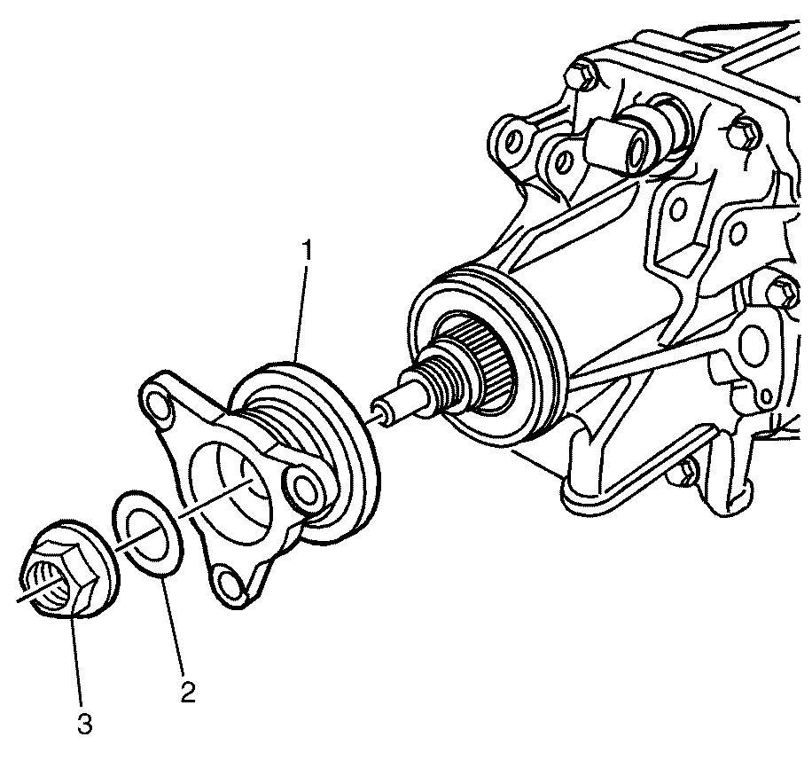
  2. Object Number: 1996500  Size: SH
  3. Install the drive flange (1) to the transmission output shaft.
  4. Install the thrust washer (2) to the transmission output shaft.
  5. Install the NEW transmission output shaft to drive flange retaining nut (3).

  6. Object Number: 1955627  Size: SH
  7. Install the J 45012 to the drive flange.
  8. Notice: Refer to Fastener Notice in the Preface section.

  9. While holding J 45012 , install a NEW drive flange retaining nut using J 29873 .
  10. Tighten
    Tighten the drive flange retaining nut to 57 N·m (42 lb ft).

  11. Remove the J 45012 from the drive flange.
  12. Install the propeller shaft. Refer to Propeller Shaft Replacement.
  13. Install the exhaust system. Refer to Exhaust System Replacement.
  14. Lower the vehicle.