GM Service Manual Online
For 1990-2009 cars only

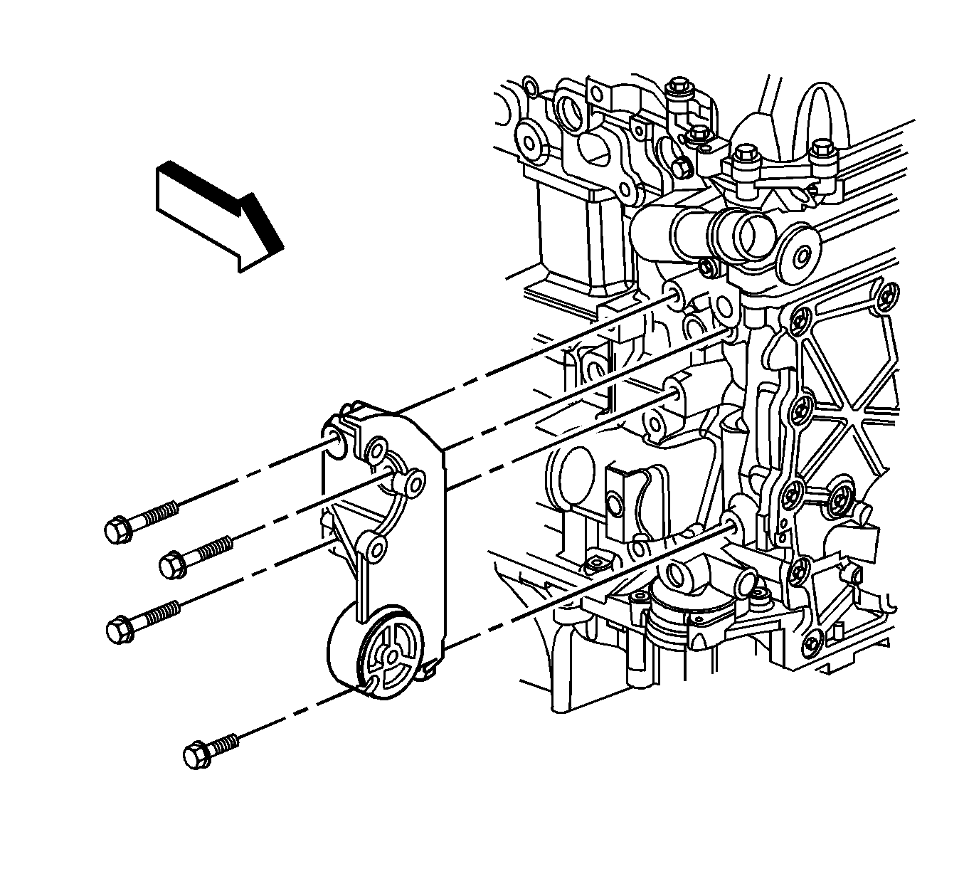
Removal Procedure


    Object Number: 1201382  Size: SH
  1. Remove the power steering pump. Refer to Power Steering Pump Replacement .
  2. Remove the drive belt tensioner. Refer to Drive Belt Tensioner Replacement .
  3. Remove the power steering pump bracket mounting bolts.
  4. Remove the power steering pump bracket.

Installation Procedure


    Object Number: 1201382  Size: SH
  1. Install the power steering pump bracket.
  2. Notice: Refer to Fastener Notice in the Preface section.

  3. Install the power steering pump bracket mounting bolts.
  4. Tighten
    Tighten the power steering pump mounting bolts to 50 N·m (37 lb ft).

  5. Install the drive belt tensioner. Refer to Drive Belt Tensioner Replacement .
  6. Install the power steering pump. Refer to Power Steering Pump Replacement .