GM Service Manual Online
For 1990-2009 cars only
Makes
🢒
Isuzu
🢒
2003
🢒
Ascender - 2WD
🢒
Body and Accessories
🢒
Wiring Systems
🢒 Instrument Cluster Schematics
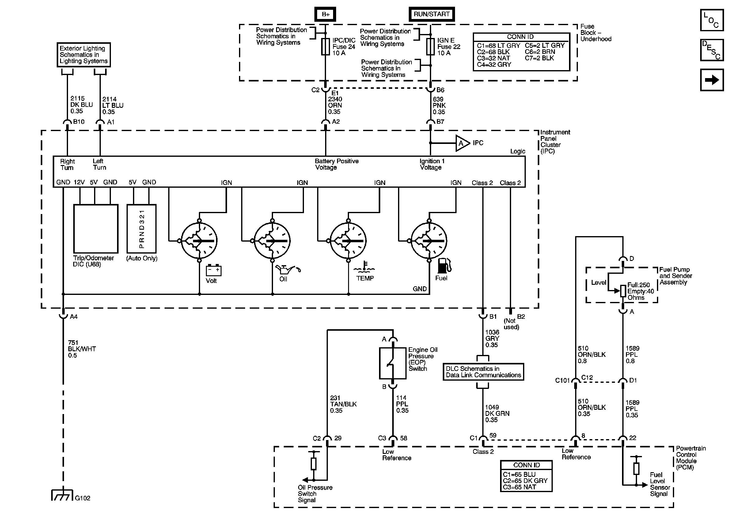
Figure
1:
Gages-Six Cylinder Engine (LL8)
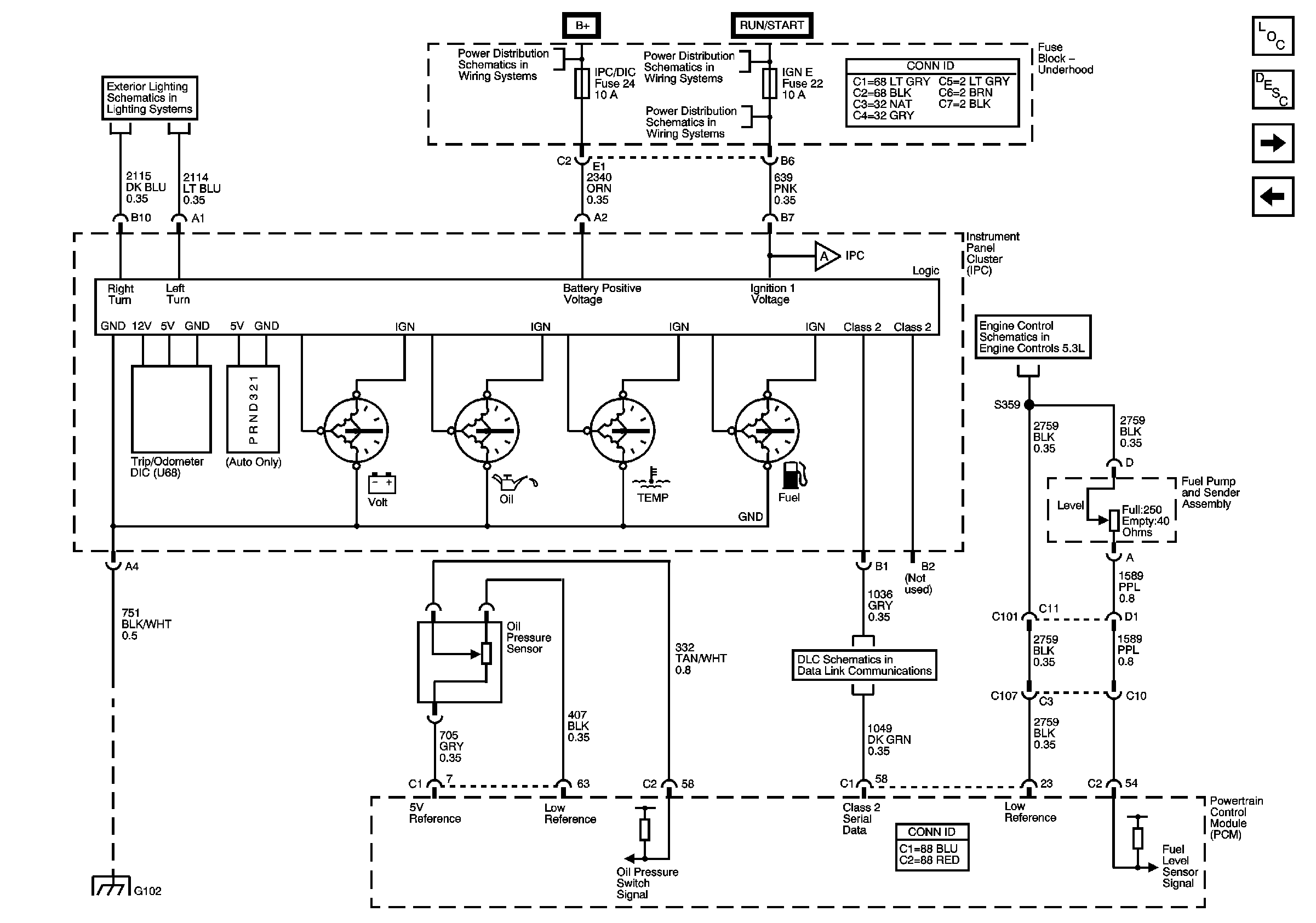
Figure
2:
Gages-Eight Cylinder Engine (LM4)
Figure
3:
Indicators