GM Service Manual Online
For 1990-2009 cars only
Makes
🢒
Isuzu
🢒
2003
🢒
Ascender - 2WD
🢒
Body and Accessories
🢒
Stationary Windows
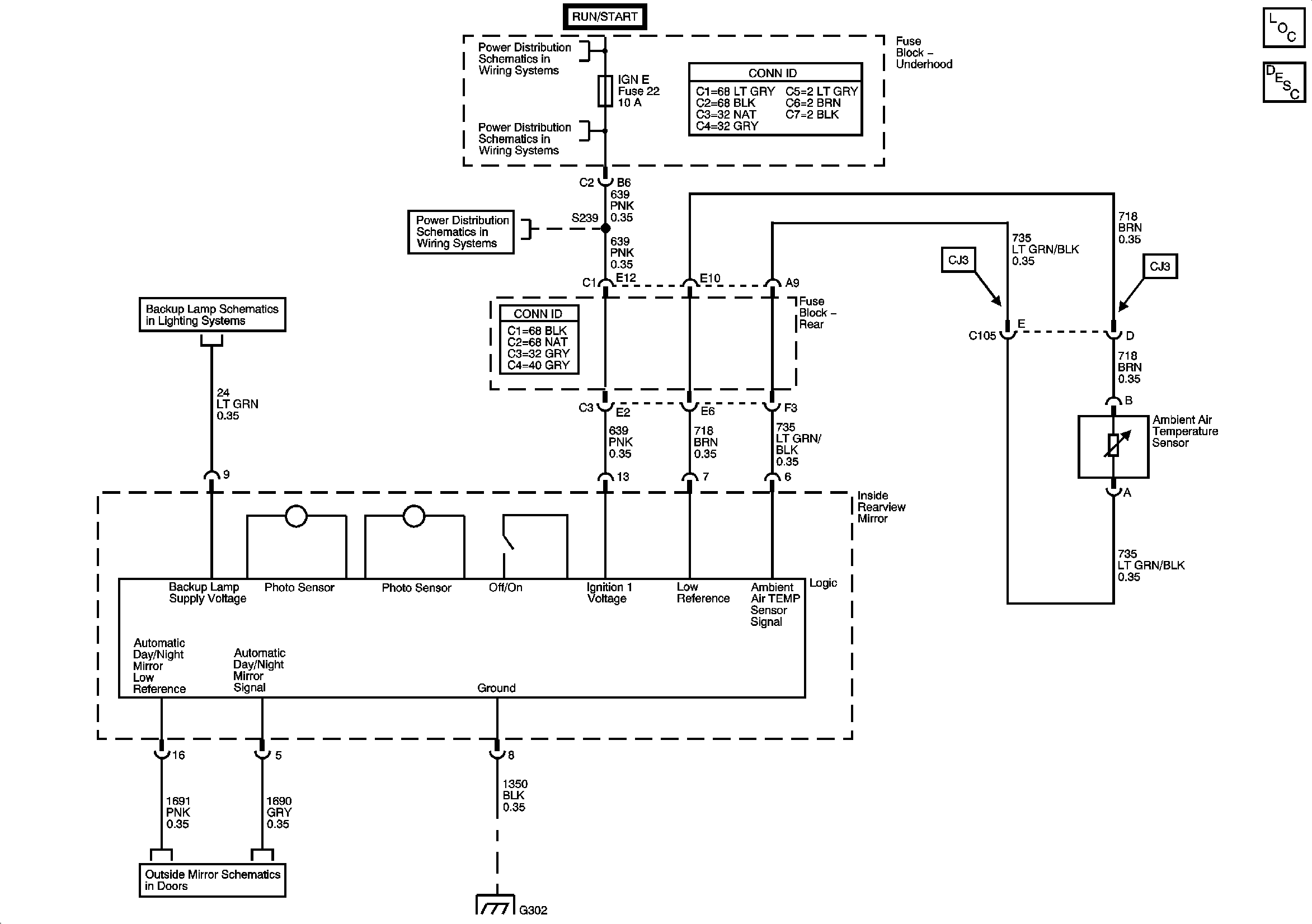
🢒 Inside Rearview Mirror Schematics