GM Service Manual Online
For 1990-2009 cars only
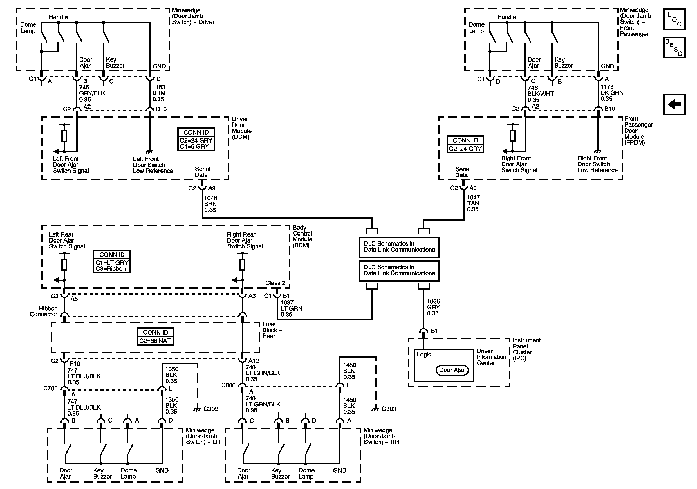
Figure 1:

Front and Liftgate


Object Number: 743730  Size: FS
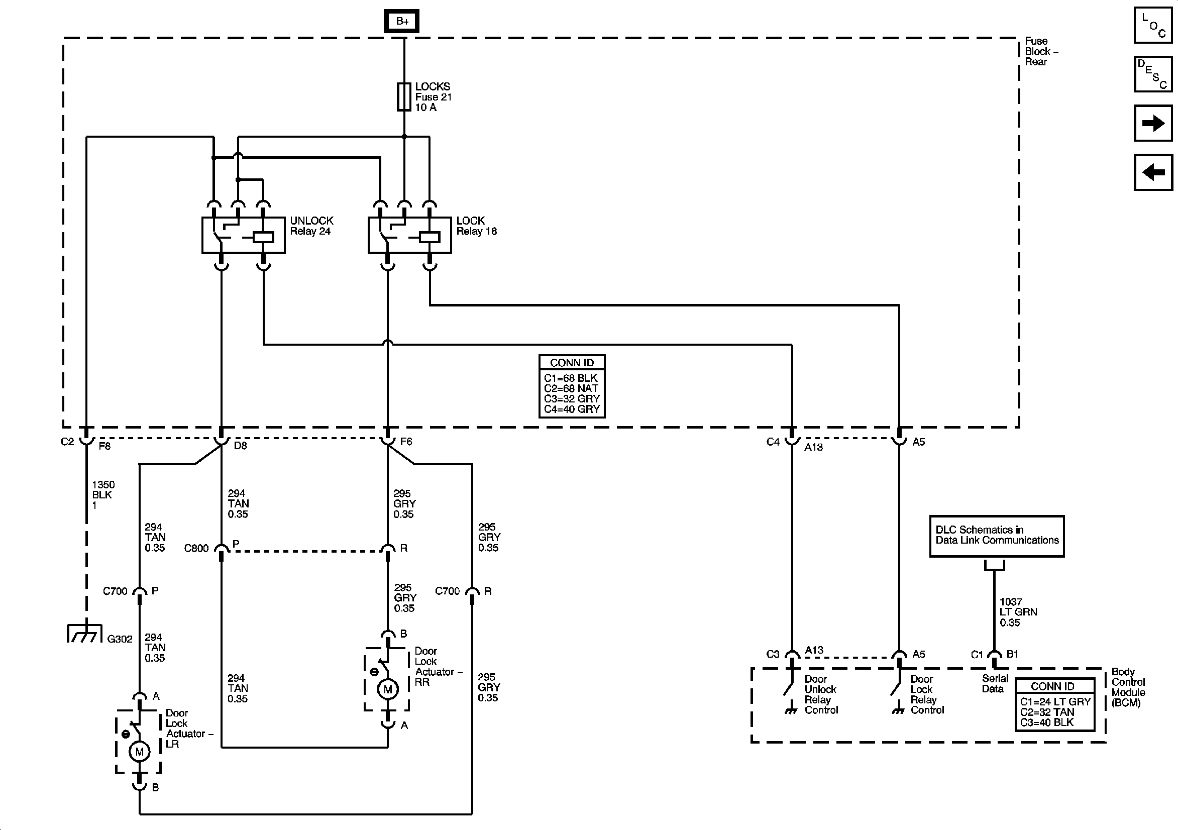
Figure 2:

Rear


Object Number: 743731  Size: FS
Figure 3:

Door Ajar Warning


Object Number: 788120  Size: FS