GM Service Manual Online
For 1990-2009 cars only
Makes
🢒
Isuzu
🢒
2003
🢒
Ascender - 2WD
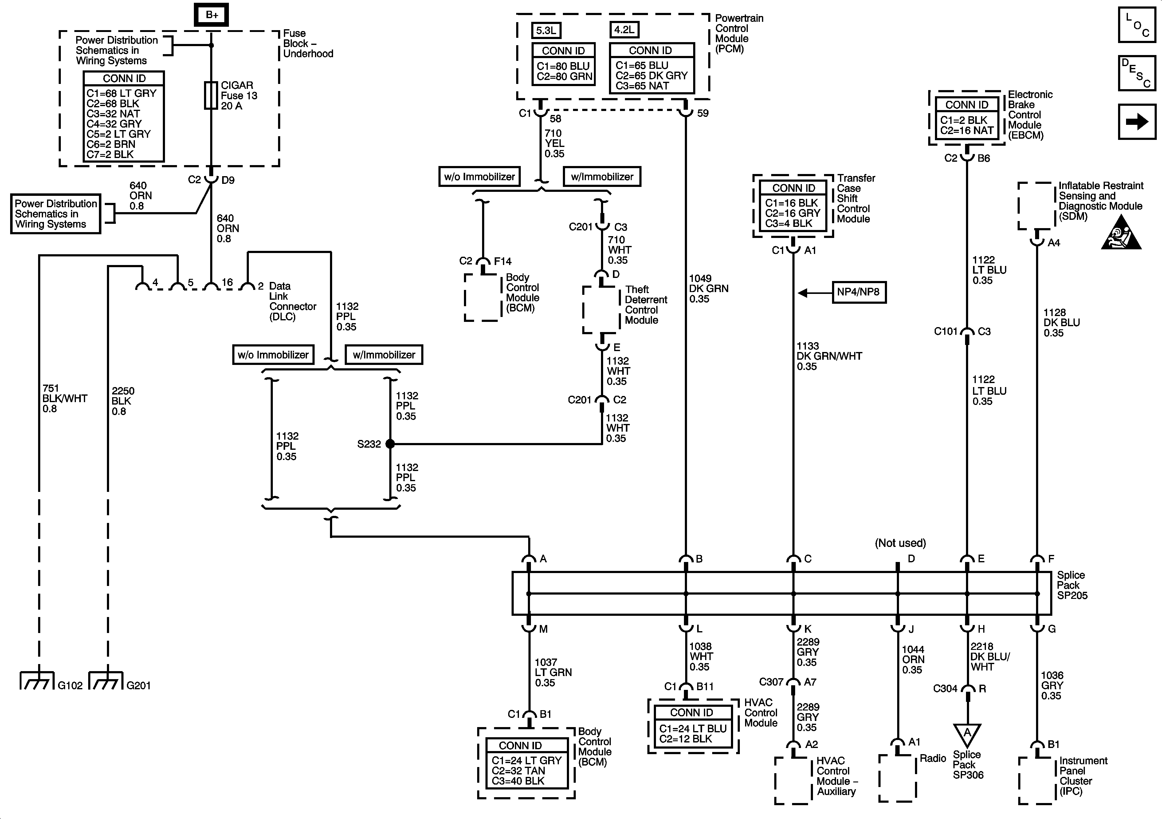
🢒 Data Link Connector
Data Link Connector
Data Link Connector
Master Electrical Component List
Data Link Communications Description and Operation
Data Link Communication
Data Link Communication
SIR Caution for Zoning
Data Link Communication
G201, 1 of 2
G102, G104, G105, and G107
IGN E and PCM I Fuses