GM Service Manual Online
For 1990-2009 cars only
Makes
🢒
Isuzu
🢒
2004
🢒
Ascender - 2WD
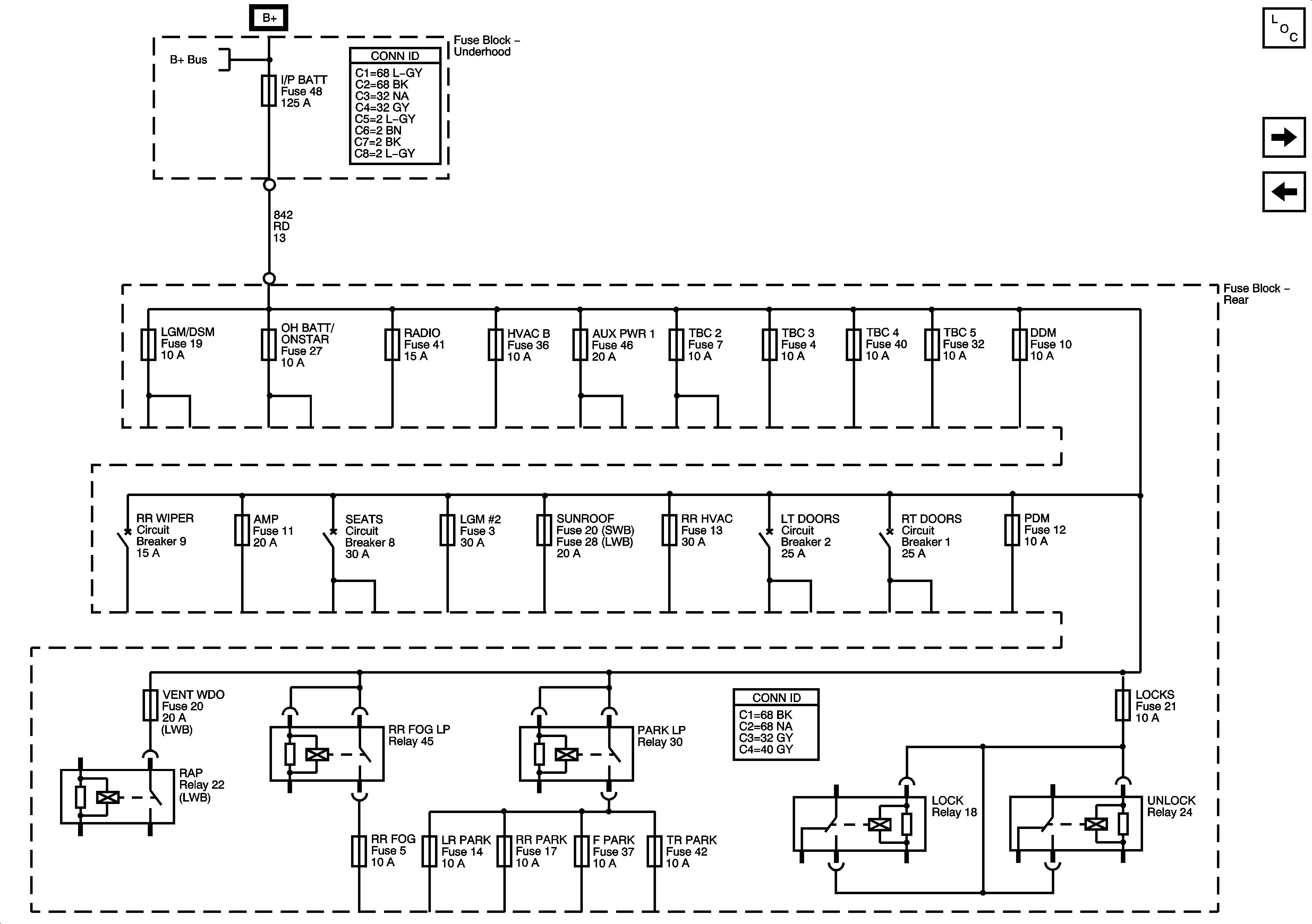
🢒 B+ Bus - Rear Fuse Block
B+ Bus - Rear Fuse Block
B+ Bus - Rear Fuse Block
Master Electrical Component List
ACCY/RUN/START, RUN, and START Bus Bars
B+ Bus - Underhood Fuse Block
B+ Bus - Underhood Fuse Block