GM Service Manual Online
For 1990-2009 cars only
Makes
🢒
Isuzu
🢒
2004
🢒
Ascender - 2WD
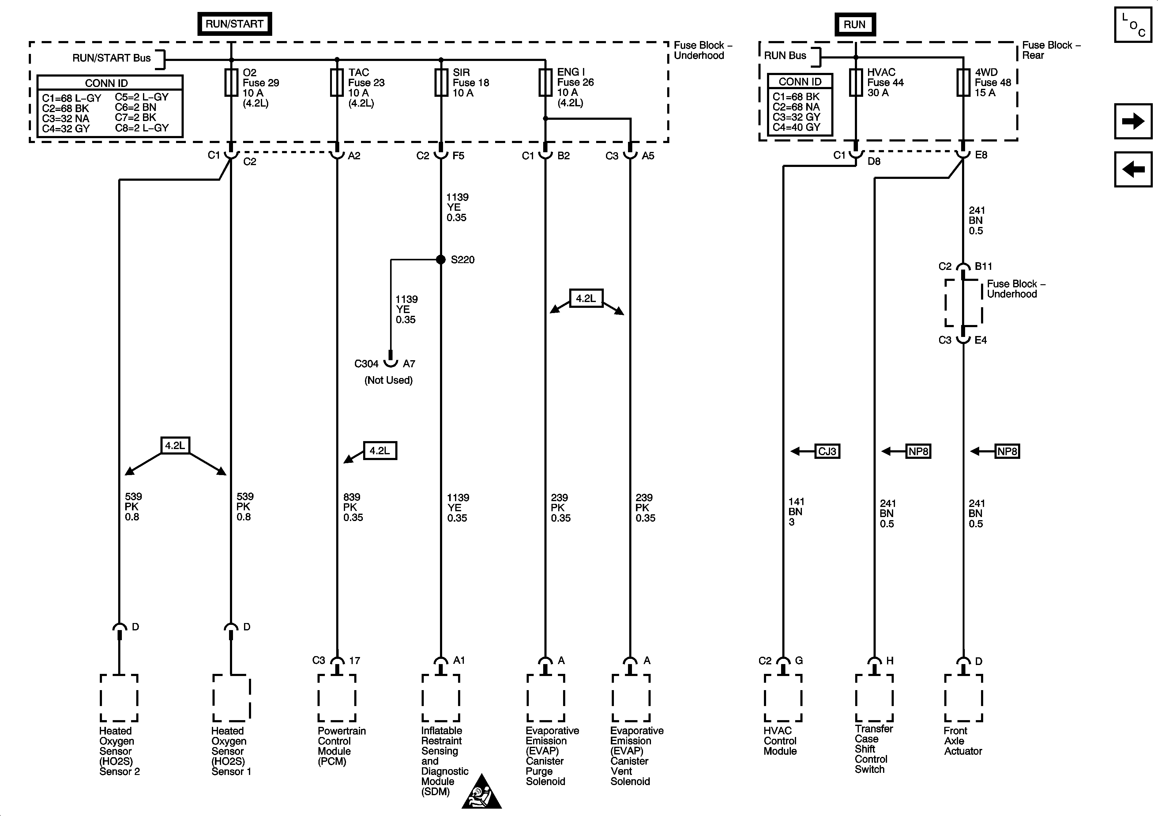
🢒 O2, TAC, SIR, ENG I, HVAC, and 4WD Fuses
O2, TAC, SIR, ENG I, HVAC, and 4WD Fuses
O2, TAC, SIR, ENG I, HVAC, and 4WD Fuses
Master Electrical Component List
HVAC I, BRAKE, and TBC RUN Fuses
PCM I, O2A, O2B, and ENG I Fuses - 5.3L
ACCY/RUN and RUN/START Bus Bars
ACCY/RUN/START, RUN, and START Bus Bars
SIR Caution for Zoning