GM Service Manual Online
For 1990-2009 cars only
Makes
🢒
Isuzu
🢒
2004
🢒
Ascender - 2WD
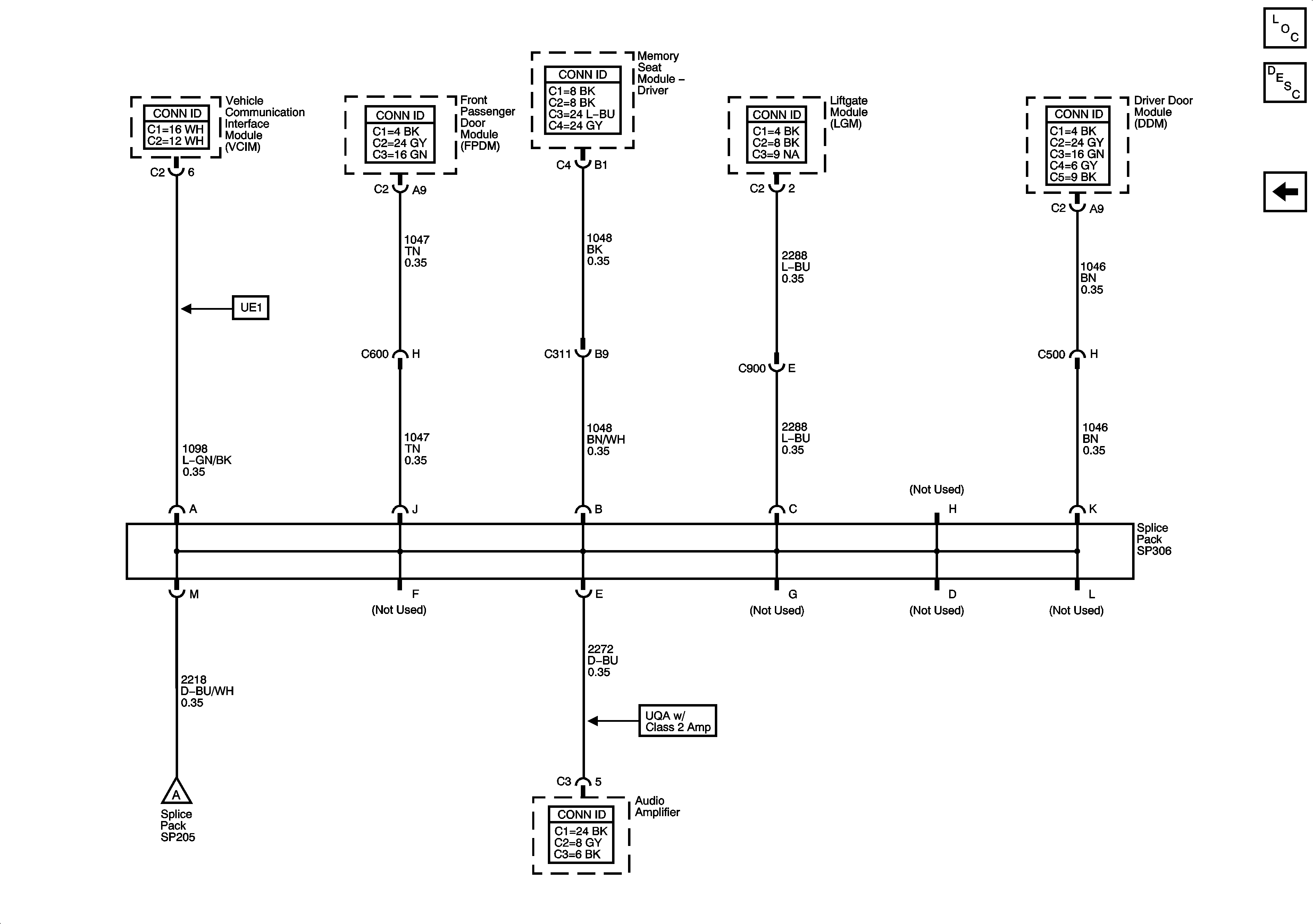
🢒 SP306
SP306
SP306
Master Electrical Component List
Data Link Communications Description and Operation
Power, Ground, Data Link Connector, and SP205
Power, Ground, Data Link Connector, and SP205