GM Service Manual Online
For 1990-2009 cars only
Makes
🢒
Isuzu
🢒
2004
🢒
Ascender - 2WD
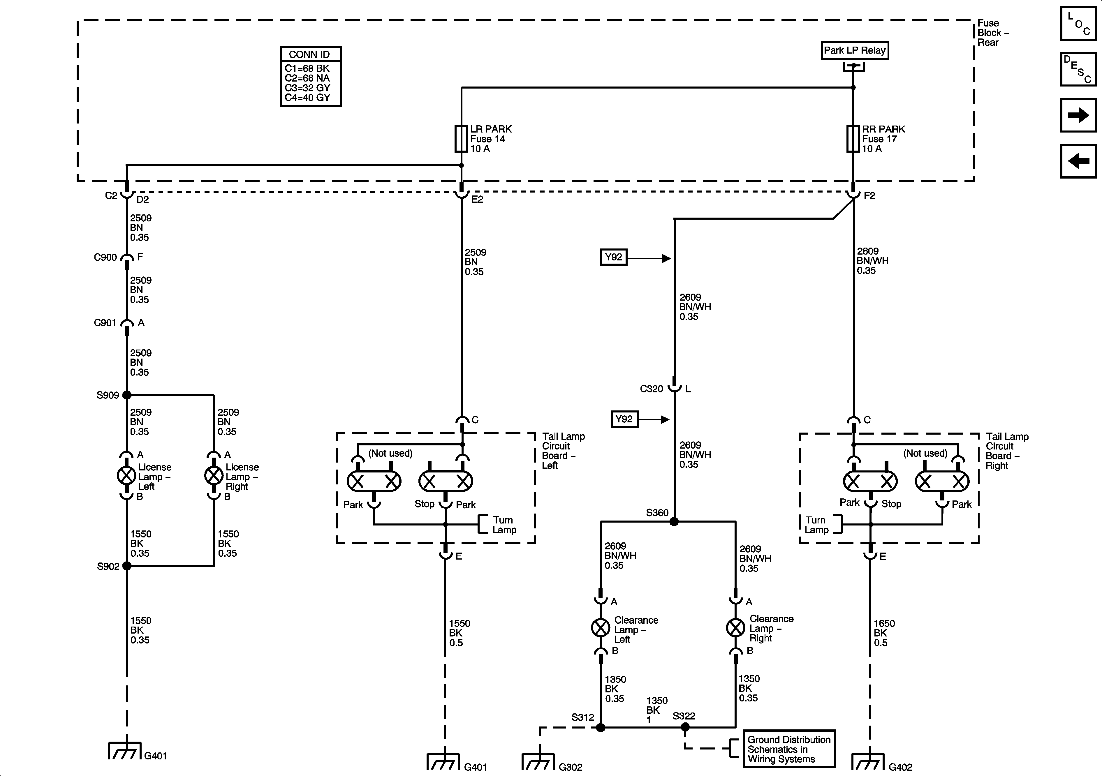
🢒 Clearance, License, and Rear Park Lamps
Clearance, License, and Rear Park Lamps
Clearance, License, and Rear Park Lamps
Master Electrical Component List
Exterior Lighting Systems Description and Operation
Stop Lamps
Marker and Front Park Lamps
Park Lamp Relay
Left Turn Signals
Right Turn Signals
G401, G402, and G403
G401, G402, and G403
G302 - 1 of 2, G303, and G304
G302 - 2 of 2
G401, G402, and G403