GM Service Manual Online
For 1990-2009 cars only
Makes
🢒
Isuzu
🢒
2004
🢒
Ascender - 2WD
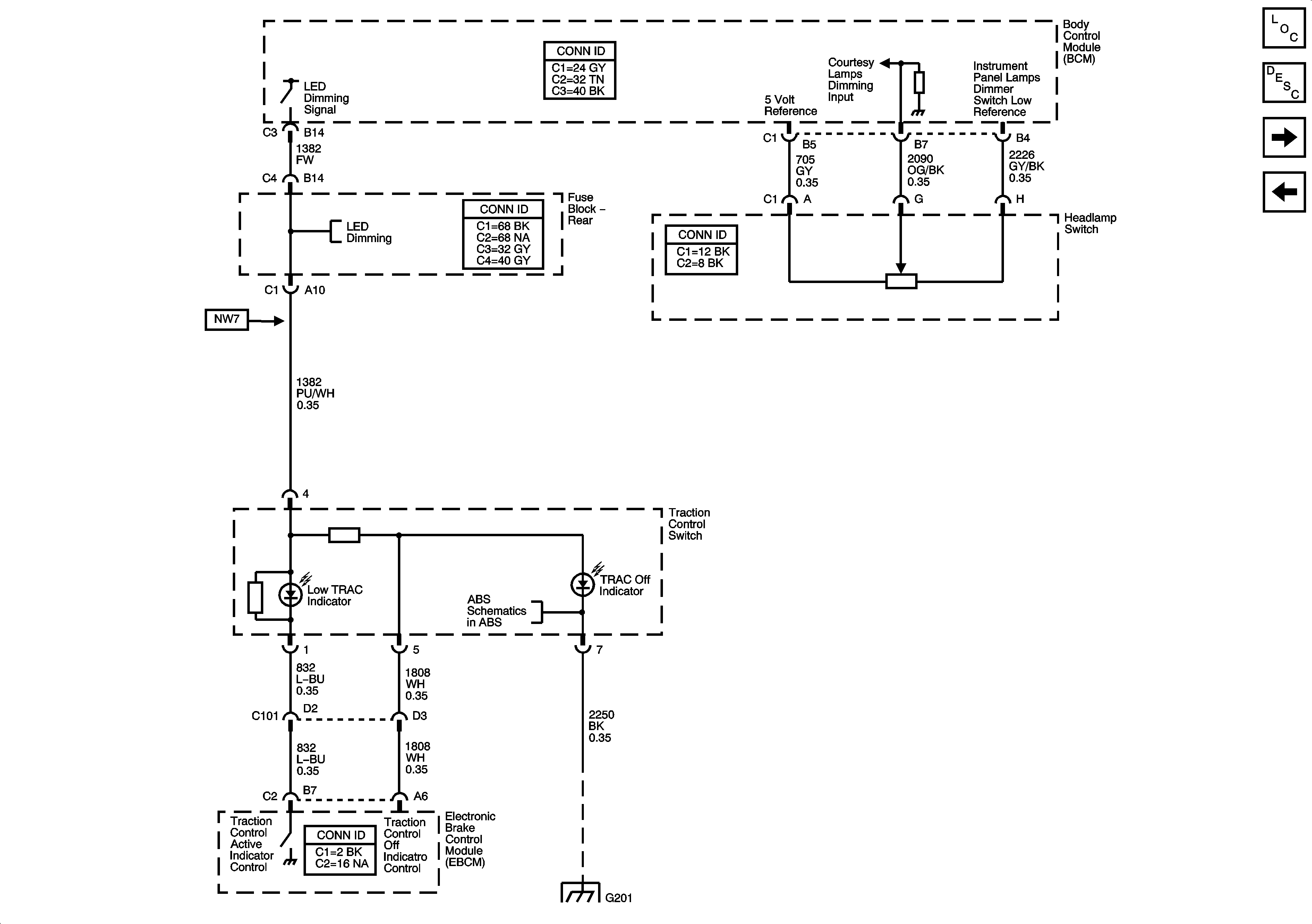
🢒 Courtesy Lamp Supply - 1 of 2
Courtesy Lamp Supply - 1 of 2
Courtesy Lamp Supply - 1 of 2
Master Electrical Component List
Interior Lighting Systems Description and Operation
Courtesy Lamp Supply - 2 of 2
I/P Dimming Supply - 2 of 2
Courtesy Lamp Supply - 2 of 2
Wheel Speed Sensors and Traction Control Switch - NW7
G201 - 1 of 2