GM Service Manual Online
For 1990-2009 cars only
Figure 1:

Outside Moisture Sensor and Front Wiper/Washer Motor


Object Number: 1429789  Size: FS
Master Electrical Component List
Wiper/Washer System Description and Operation
Control Module References
Wiper/Washer Switch and Washer Fluid Level Switch
Ignition Switch - ACCY/RUN and RUN/START Bus Bars, IGN B Fuse
B+ Bus - Underhood Fuse Block
G302 - 1 of 2, G303, and G304
G104, G105, and G107
Wiper/Washer Switch and Washer Fluid Level Switch
Wiper/Washer Switch and Washer Fluid Level Switch
Wiper/Washer Switch and Washer Fluid Level Switch
G101, G103, G106, and G110
Figure 2:

Wiper/Washer Switch and Washer Fluid Level Switch


Object Number: 1429793  Size: FS
Master Electrical Component List
Wiper/Washer System Description and Operation
Control Module References
Headlamp Washer (CE4)
Outside Moisture Sensor and Front Wiper/Washer Motor
SP205
Outside Moisture Sensor and Front Wiper/Washer Motor
Outside Moisture Sensor and Front Wiper/Washer Motor
Outside Moisture Sensor and Front Wiper/Washer Motor
G101, G103, G106, and G110
G102
Figure 3:

Headlamp Washer (CE4)


Object Number: 1429797  Size: FS
Master Electrical Component List
Headlamp Washer System Description and Operation
Control Module References
Rear Wiper/Washer Controls (CD6)
Wiper/Washer Switch and Washer Fluid Level Switch
B+ Bus - Underhood Fuse Block
B+ Bus - Underhood Fuse Block
Headlamp Switch
G201 - 1 of 2
G101, G103, G106, and G110
Figure 4:

Rear Wiper/Washer Controls (CD6)


Object Number: 1429801  Size: FS
Master Electrical Component List
Rear Wiper/Washer System Description and Operation
Control Module References
Rear Window Wiper Motor (CD6)
Headlamp Washer (CE4)
B+ Bus - Underhood Fuse Block
B+ Bus - Underhood Fuse Block
Steering Wheel Controls
G101, G103, G106, and G110
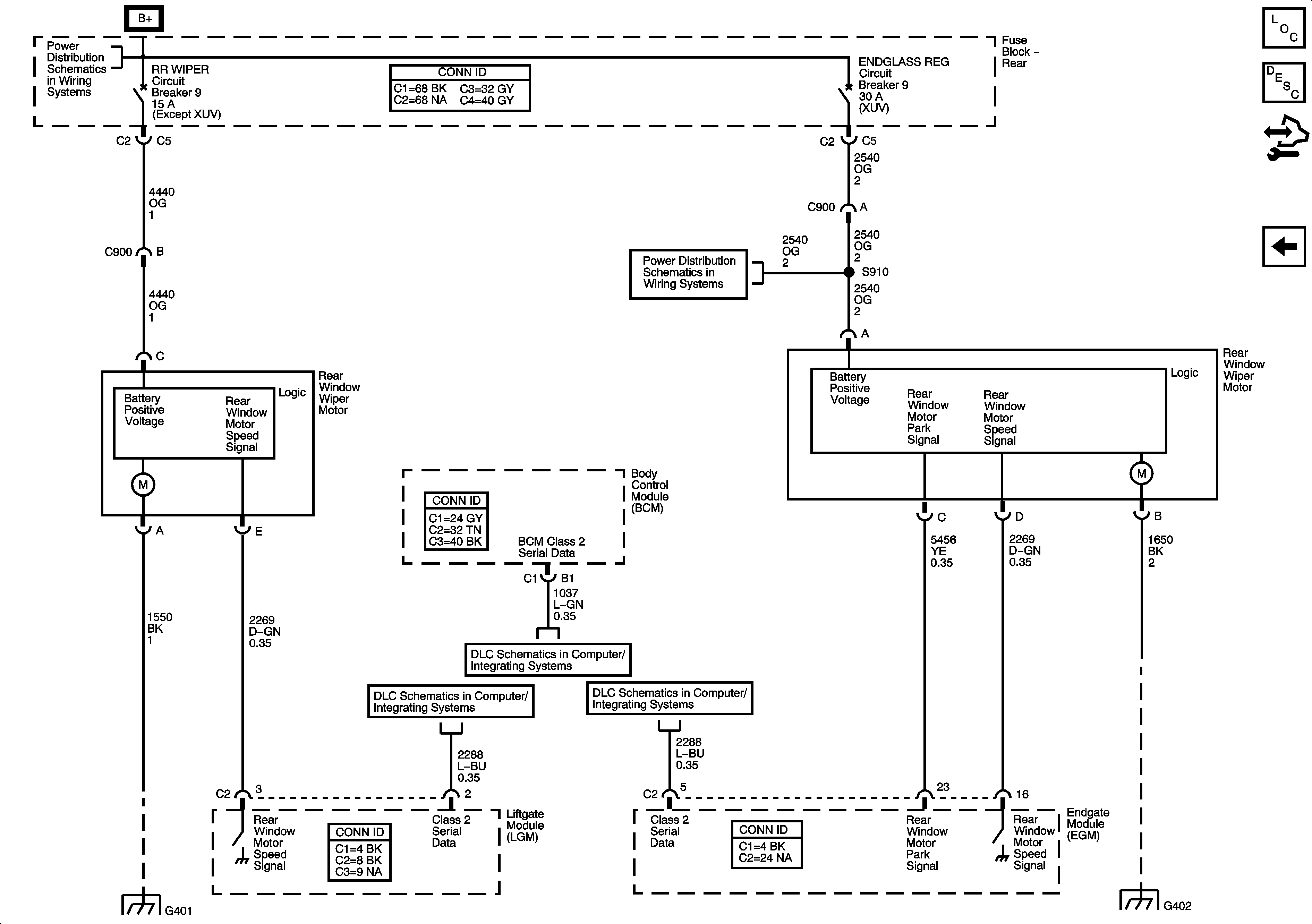
Figure 5:

Rear Window Wiper Motor (CD6)


Object Number: 1429803  Size: FS
Master Electrical Component List
Rear Wiper/Washer System Description and Operation
Control Module References
Rear Wiper/Washer Controls (CD6)
B+ Bus - Rear Fuse Block
G102
SP205
SP306 - except XUV
SP306 - XUV
G401, G402, and G403 - Except XUV
G401, G402, G403 - XUV