GM Service Manual Online
For 1990-2009 cars only
Figure 1:

B+ Bus - Underhood Fuse Block


Object Number: 1411223  Size: FS
Master Electrical Component List
Control Module References
B+ Bus - Rear Fuse Block
Figure 2:

B+ Bus - Rear Fuse Block


Object Number: 1412184  Size: FS
Master Electrical Component List
Control Module References
ABS, ATC, BLOWER, CIGAR, ECAS, ELEC BRK, FLASH, IPC/DIC, ST/LP, TRAILER, VEH CHMSL, and VEH STOP Fuses
B+ Bus - Underhood Fuse Block
B+ Bus - Underhood Fuse Block
Figure 3:

ABS, ATC, BLOWER, CIGAR, ECAS, ELEC BRK, FLASH, IPC/DIC, ST/LP, TRAILER, VEH CHMSL, and VEH STOP Fuses


Object Number: 1412188  Size: FS
Master Electrical Component List
Control Module References
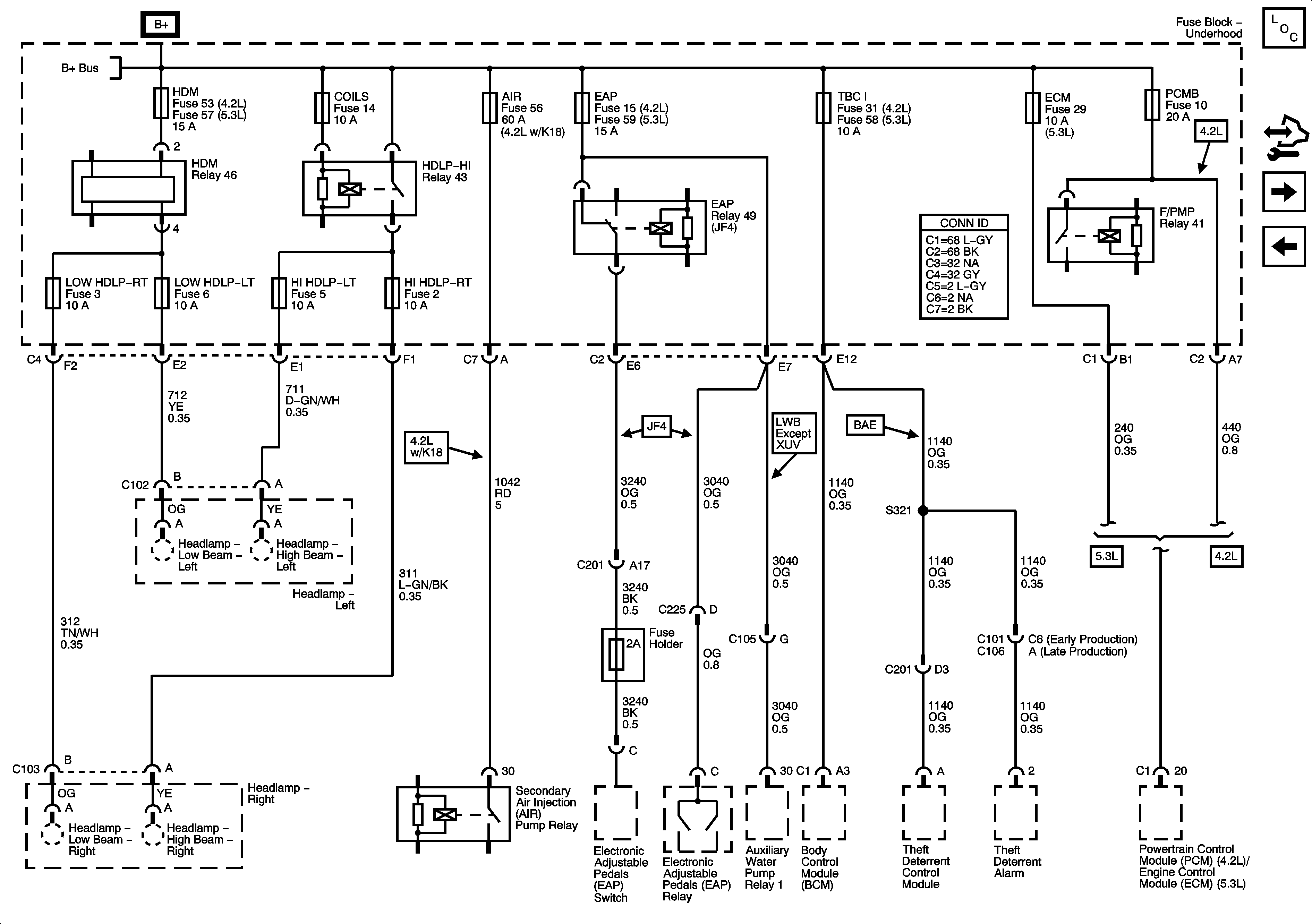
AIR, COILS, EAP, ECM, HDM, HI HDLP-LT, HI HDLP-RT, LOW HDLP-RT, LOW HDLP-LT, PCMB, and TCB1 Fuses
B+ Bus - Rear Fuse Block
B+ Bus - Underhood Fuse Block
Figure 4:

AIR, COILS, EAP, ECM, HDM, HI HDLP-LT, HI HDLP-RT, LOW HDLP-RT, LOW HDLP-LT PCMB, and TCB1 Fuses


Object Number: 1412190  Size: FS
Master Electrical Component List
Control Module References
HVAC B, LGM/DSM, OHBATT/ONSTAR, and RADIO Fuses
ABS, ATC, BLOWER, CIGAR, ECAS, ELEC BRK, FLASH, IPC/DIC, ST/LP, TRAILER, VEH CHMSL, and VEH STOP Fuses
B+ Bus - Underhood Fuse Block
Figure 5:

HVAC B, LGM/DSM, OH BATT/ONSTAR, and RADIO Fuses


Object Number: 1412226  Size: FS
Master Electrical Component List
Control Module References
AUX PWR1, AUX PWR2, RRHVAC, SUNROOF, TBC2, TBC3, TBC4, TBC5, and TCM/CANISTER Fuses
AIR, COILS, EAP, ECM, HDM, HI HDLP-LT, HI HDLP-RT, LOW HDLP-RT, LOW HDLP-LT, PCMB, and TCB1 Fuses
B+ Bus - Rear Fuse Block
Figure 6:

AUX PWR1, AUX PWR2, RR HVAC, SUNROOF, TBC2, TBC3, TBC4, TBC5, and TCM/CANISTER Fuses


Object Number: 1412227  Size: FS
Master Electrical Component List
Control Module References
AMP, DDM, PDM Fuses, LT DOORS, RT DOORS, and SEATS Circuit Breakers
HVAC B, LGM/DSM, OHBATT/ONSTAR, and RADIO Fuses
B+ Bus - Underhood Fuse Block
Figure 7:

AMP, DDM, PDM Fuses, LT DOORS, RT DOORS, and SEATS Circuit Breakers


Object Number: 1412230  Size: FS
Master Electrical Component List
Control Module References
FPARK, LGM#2, LR PARK, RRFOG, RRPARK, TR PARK, Fuses, and RRWIPER Circuit Breaker
AUX PWR1, AUX PWR2, RRHVAC, SUNROOF, TBC2, TBC3, TBC4, TBC5, and TCM/CANISTER Fuses
B+ Bus - Rear Fuse Block
Figure 8:

FPARK, LGM#2, LR PARK, RR FOG, RR PARK, TR PARK Fuses, and RR WIPER Circuit Breaker


Object Number: 1412231  Size: FS
Master Electrical Component List
Control Module References
EGM#2, EGM/DSM, PWRLATCH, ROOF Fuses, ENDGLASS REG, MIDGATE REG, and ROOF REG Circuit Breakers - XUV
AMP, DDM, PDM Fuses, LT DOORS, RT DOORS, and SEATS Circuit Breakers
B+ Bus - Rear Fuse Block
Figure 9:

EGM#2, EGM/DSM, PWR LATCH, ROOF Fuses, ENDGLASS REG, MIDGATE REG, and ROOF REG Circuit Breakers - XUV


Object Number: 1412233  Size: FS
Master Electrical Component List
Control Module References
Ignition Switch - ACCY/RUN/START, RUN, and START Bus Bars, IGN A and CRANK Fuses
FPARK, LGM#2, LR PARK, RRFOG, RRPARK, TR PARK, Fuses, and RRWIPER Circuit Breaker
B+ Bus - Rear Fuse Block
Figure 10:

Ignition Switch - ACCY/RUN/START, and START Bus Bars, IGN A and CRANK Fuses


Object Number: 1412185  Size: FS
Master Electrical Component List
Control Module References
Ignition Switch - ACCY/RUN and RUN/START Bus Bars, IGN B Fuse
EGM#2, EGM/DSM, PWRLATCH, ROOF Fuses, ENDGLASS REG, MIDGATE REG, and ROOF REG Circuit Breakers - XUV
B+ Bus - Underhood Fuse Block
Figure 11:

Ignition Switch - ACCY/RUN, and RUN/START Bus Bars, and IGN B Fuse


Object Number: 1412187  Size: FS
Master Electrical Component List
Control Module References
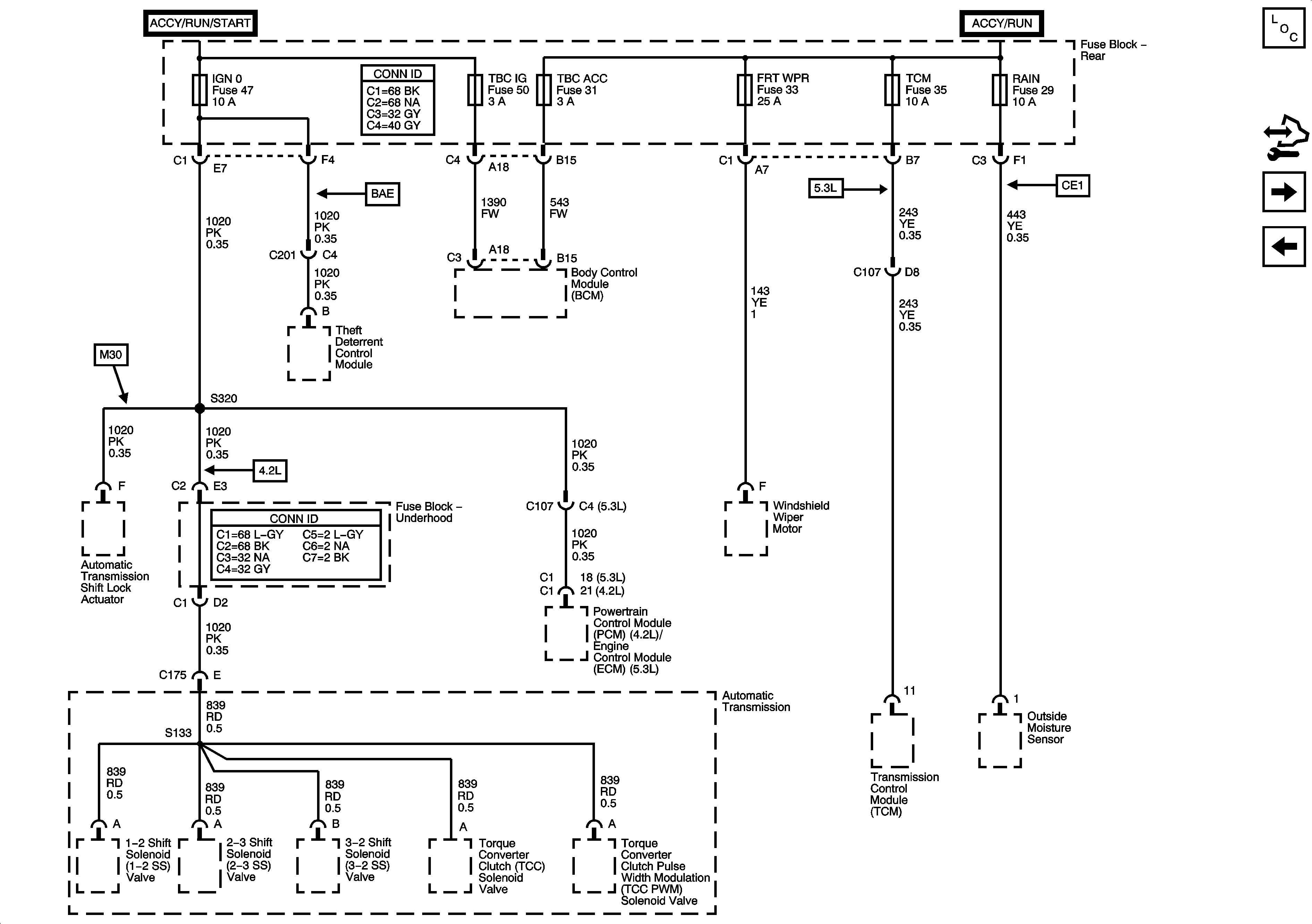
FRT WPR, IGN 0, RAIN, TBC ACC, TBC IG, and TCM Fuses
Ignition Switch - ACCY/RUN/START, RUN, and START Bus Bars, IGN A and CRANK Fuses
B+ Bus - Underhood Fuse Block
Figure 12:

FRT WPR, IGN0, RAIN, TBC ACC, TBC IG, and TCM Fuses


Object Number: 1412238  Size: FS
Master Electrical Component List
Control Module References
BACK UP, BTSI, IGNE, TBC IGN1, and TRLR B/U Fuses
Ignition Switch - ACCY/RUN and RUN/START Bus Bars, IGN B Fuse
Figure 13:

BACKUP, BTSI, IGNE, TBC IGN1, and TRLR B/U Fuses


Object Number: 1412239  Size: FS
Master Electrical Component List
Control Module References
AIR SOL and PCMI Fuses - 4.2L
FRT WPR, IGN 0, RAIN, TBC ACC, TBC IG, and TCM Fuses
Ignition Switch - ACCY/RUN and RUN/START Bus Bars, IGN B Fuse
Ignition Switch - ACCY/RUN and RUN/START Bus Bars, IGN B Fuse
Figure 14:

AIR SOL and PCMI Fuses - 4.2L


Object Number: 1412240  Size: FS
Master Electrical Component List
Control Module References
ECMI and TRANS Fuses - 5.3L
BACK UP, BTSI, IGNE, TBC IGN1, and TRLR B/U Fuses
Ignition Switch - ACCY/RUN and RUN/START Bus Bars, IGN B Fuse
Figure 15:

ECMI and TRANS Fuses - 5.3L


Object Number: 1412242  Size: FS
Master Electrical Component List
Control Module References
4WD, ENG I, HVAC, O2, SIR, and TAC Fuses
AIR SOL and PCMI Fuses - 4.2L
Ignition Switch - ACCY/RUN and RUN/START Bus Bars, IGN B Fuse
Figure 16:

4WD, ENG I, HVAC, 02, SIR, and TAC Fuses


Object Number: 1412243  Size: FS
Master Electrical Component List
Control Module References
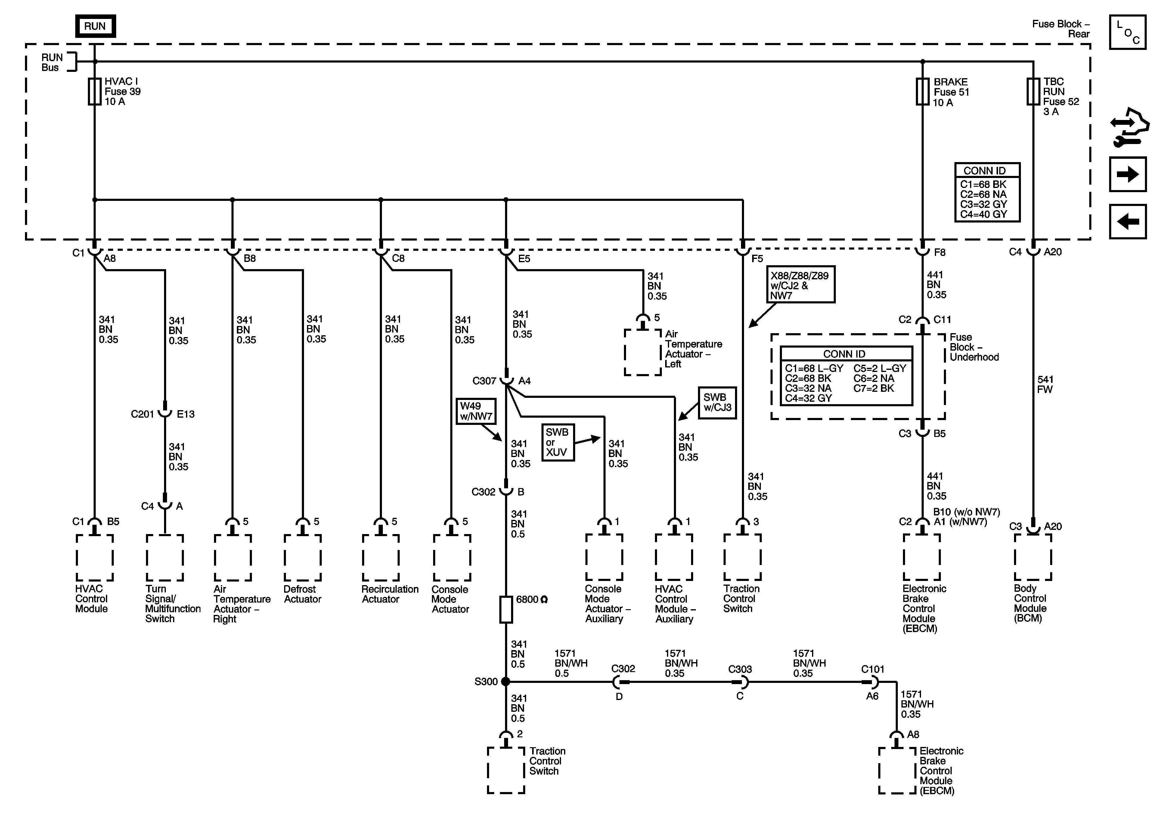
BRAKE, HVAC I, and TBC RUN Fuses
ECMI and TRANS Fuses - 5.3L
Ignition Switch - ACCY/RUN and RUN/START Bus Bars, IGN B Fuse
SIR Caution for Zoning
Figure 17:

BRAKE, HVAC I, and TBC RUN Fuses


Object Number: 1412245  Size: FS
Master Electrical Component List
Control Module References
ENG 1, INJA, INJB, O2A, O2B, and TAC Fuses - 5.3L
4WD, ENG I, HVAC, O2, SIR, and TAC Fuses
Ignition Switch - ACCY/RUN/START, RUN, and START Bus Bars, IGN A and CRANK Fuses
Figure 18:

ENG1, INS A, INS B, 02A, 02B, and TAC Fuses - 5.3L


Object Number: 1412224  Size: FS
Master Electrical Component List
Control Module References
LT TURN, RT TURN, TRL LTURN, and TRL RTURN Fuses
BRAKE, HVAC I, and TBC RUN Fuses
B+ Bus - Underhood Fuse Block
Figure 19:

LT TURN, RT TURN, TRL LTURN, and TRL RTURN Fuses


Object Number: 1412237  Size: FS
Master Electrical Component List
Control Module References
ENG 1, INJA, INJB, O2A, O2B, and TAC Fuses - 5.3L