GM Service Manual Online
For 1990-2009 cars only
Makes
🢒
Isuzu
🢒
2005
🢒
Ascender - 2WD
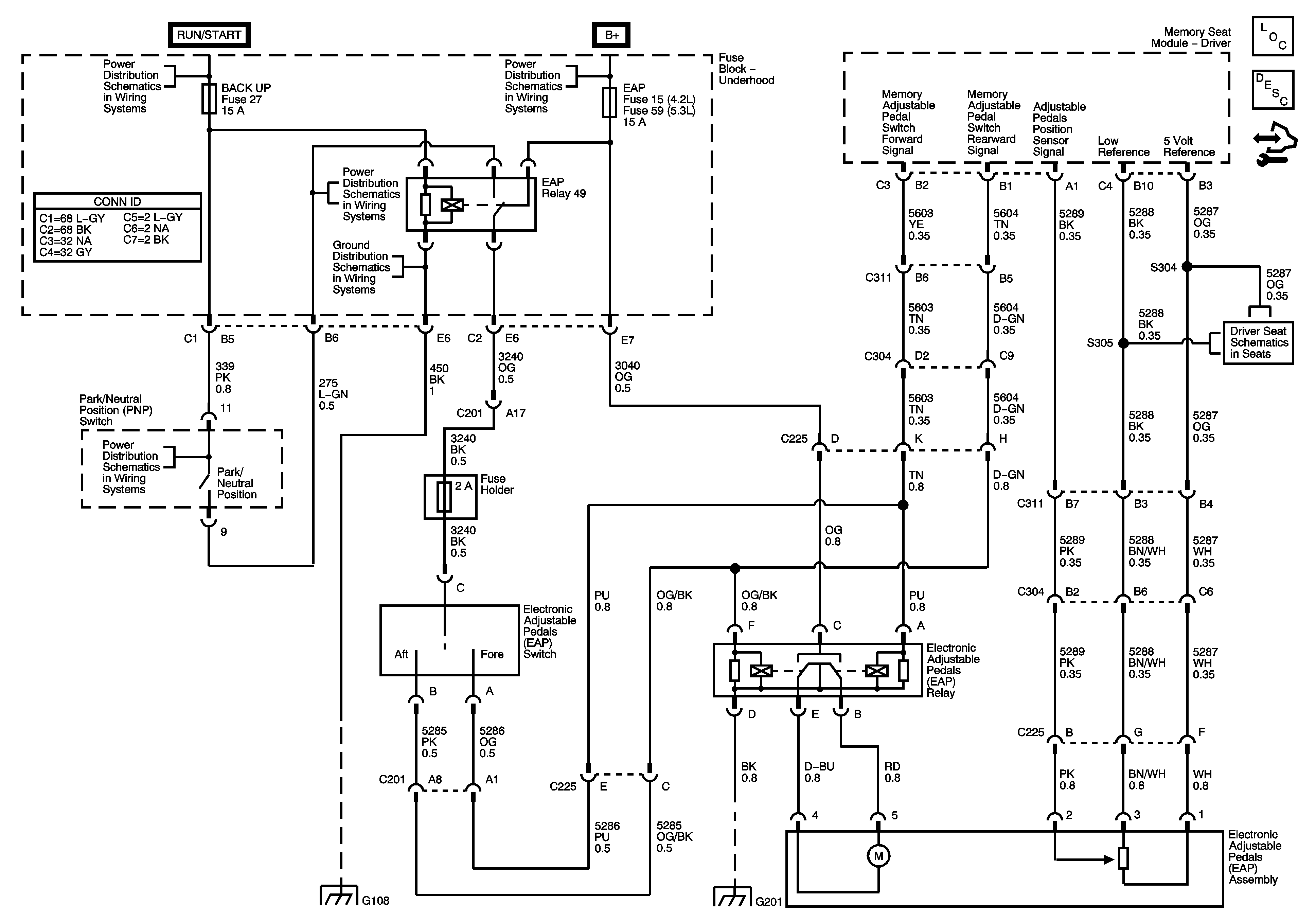
🢒 Adjustable Pedals
Adjustable Pedals
Master Electrical Component List
Adjustable Pedals Description and Operation
Control Module References
Ignition Switch - ACCY/RUN and RUN/START Bus Bars, IGN B Fuse
B+ Bus - Underhood Fuse Block
BACK UP, BTSI, IGNE, TBC IGN1, and TRLR B/U Fuses
G108
Lumbar Controls w/Memory
G302 - 1 of 2, G303, and G304
G108
G201 - 1 of 2