GM Service Manual Online
For 1990-2009 cars only
Figure 1:

Power Seat Controls w/o Memory


Object Number: 1594420  Size: FS
Master Electrical Component List
Power Seats System Description and Operation
Control Module References
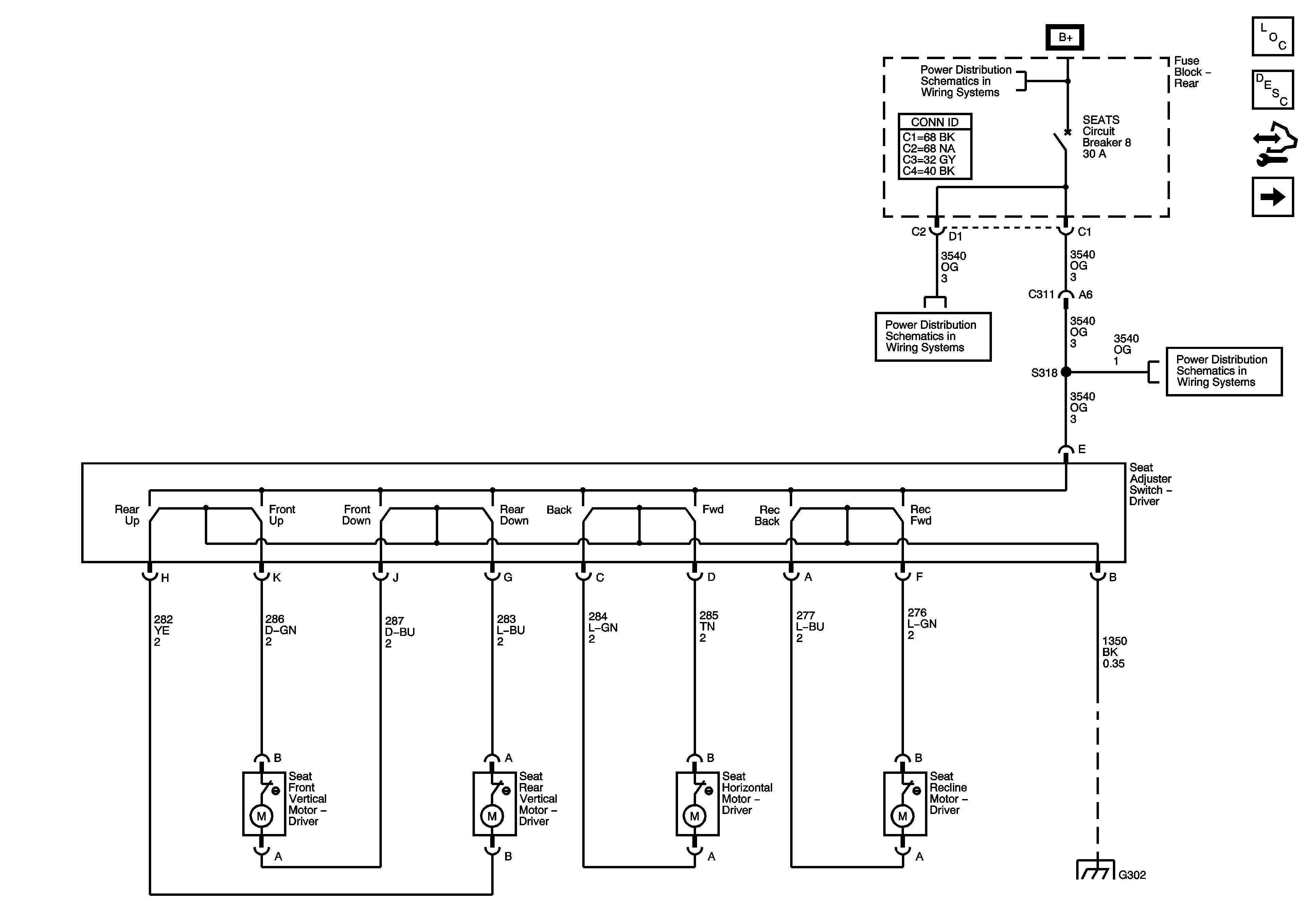
Power Seat Controls w/Memory - Power, Ground, and Switch Controls
B+ Bus - Rear Fuse Block
AMP, DDM, PDM Fuses, LT DOORS, RT DOORS, and SEATS Circuit Breakers
AMP, DDM, PDM Fuses, LT DOORS, RT DOORS, and SEATS Circuit Breakers
G302 - 1 of 2, G303, and G304
Figure 2:

Power Seat Controls w/Memory - Power Ground, and Switch Controls


Object Number: 1594423  Size: FS
Master Electrical Component List
Power Seats System Description and Operation
Control Module References
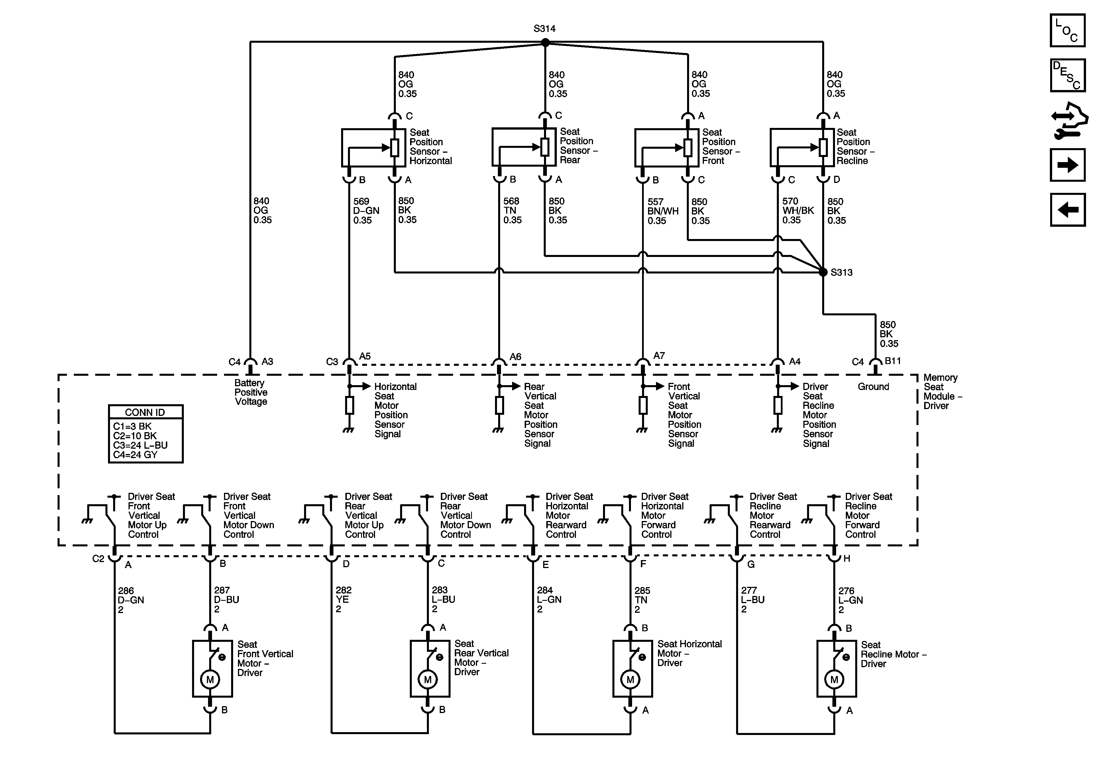
Power Seat Controls w/Memory - Motors and Position Sensors
Power Seat Controls w/o Memory
B+ Bus - Rear Fuse Block
AMP, DDM, PDM Fuses, LT DOORS, RT DOORS, and SEATS Circuit Breakers
HVAC B, LGM/DSM, OH BATT/ONSTAR, and RADIO FUSES
G302 - 1 of 2, G303, and G304
Figure 3:

Power Seat Controls w/Memory - Motors and Position Sensors


Object Number: 1594425  Size: FS
Master Electrical Component List
Power Seats System Description and Operation
Control Module References
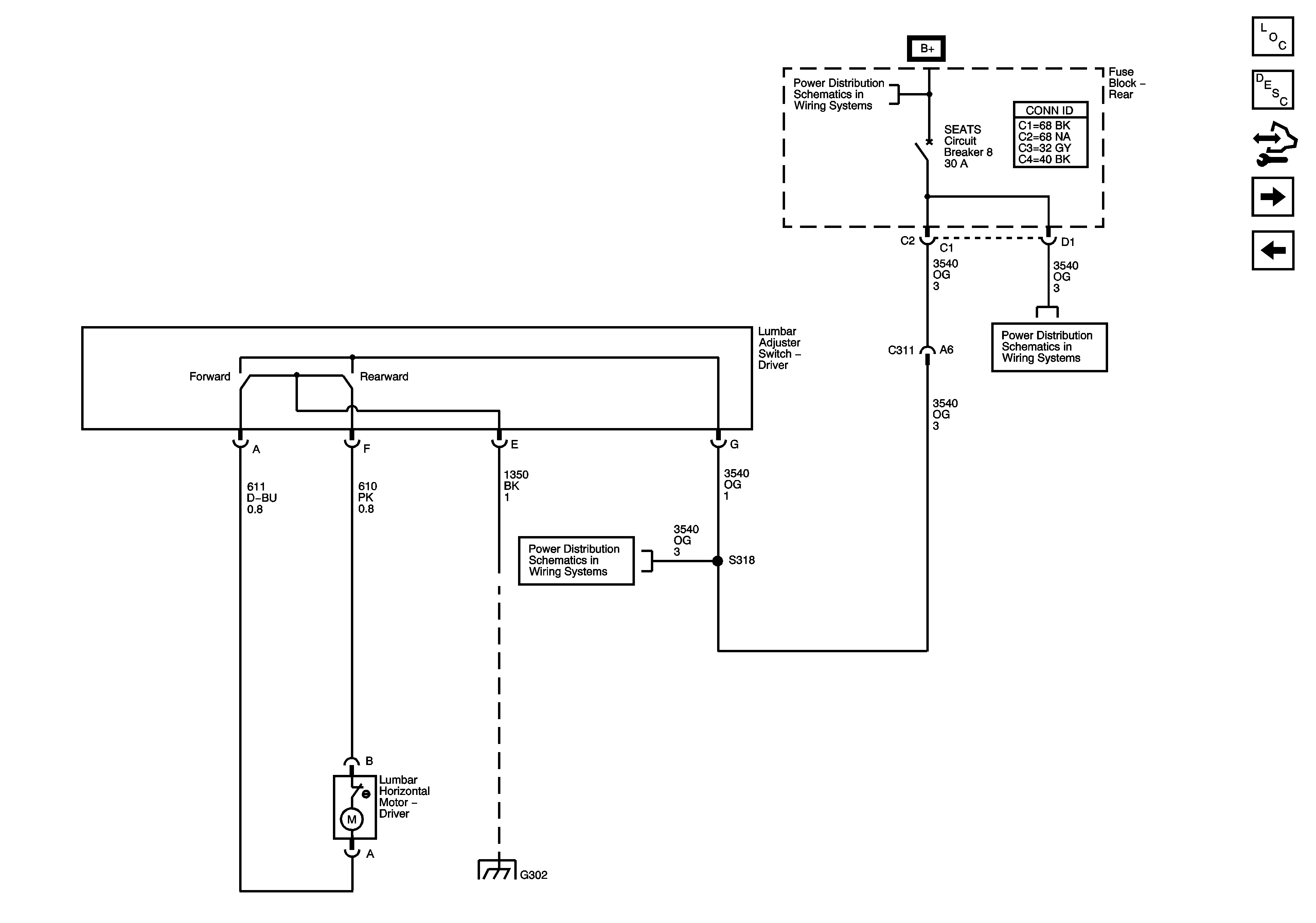
Lumbar Controls w/o Memory
Power Seat Controls w/Memory - Power, Ground, and Switch Controls
Figure 4:

Lumbar Controls w/o Memory


Object Number: 1594427  Size: FS
Master Electrical Component List
Power Seats System Description and Operation
Control Module References
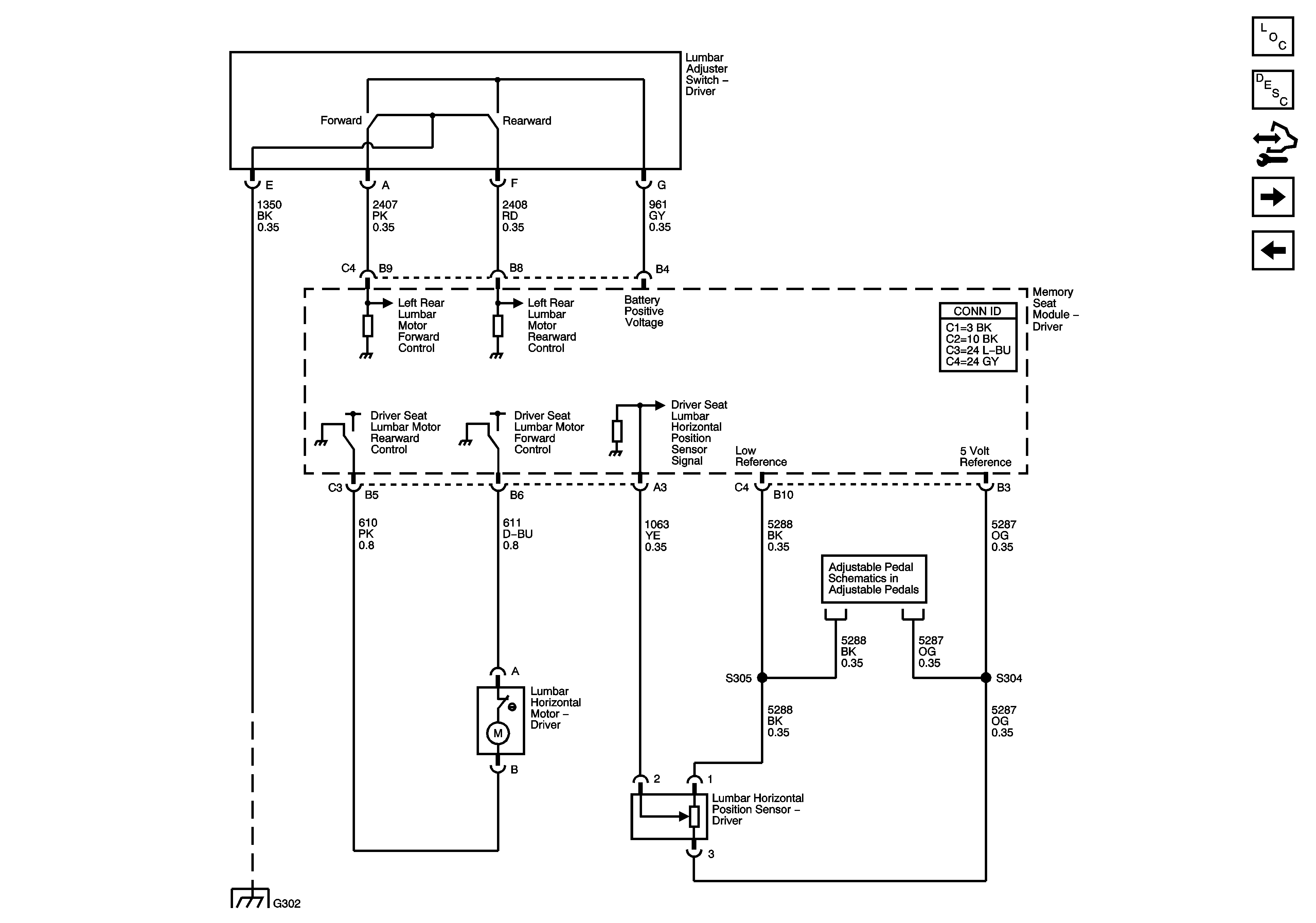
Lumbar Controls w/Memory
Power Seat Controls w/Memory - Motors and Position Sensors
B+ Bus - Rear Fuse Block
AMP, DDM, PDM Fuses, LT DOORS, RT DOORS, and SEATS Circuit Breakers
AMP, DDM, PDM Fuses, LT DOORS, RT DOORS, and SEATS Circuit Breakers
G302 - 1 of 2, G303, and G304
Figure 5:

Lumbar Controls w/Memory


Object Number: 1594429  Size: FS
Master Electrical Component List
Power Seats System Description and Operation
Control Module References
Heat Controls
Lumbar Controls w/o Memory
Adjustable Pedals Schematics
G302 - 1 of 2, G303, and G304
Figure 6:

Heat Controls


Object Number: 1594430  Size: FS
Master Electrical Component List
Power Seats System Description and Operation
Control Module References
Memory Controls
Lumbar Controls w/Memory
SP306
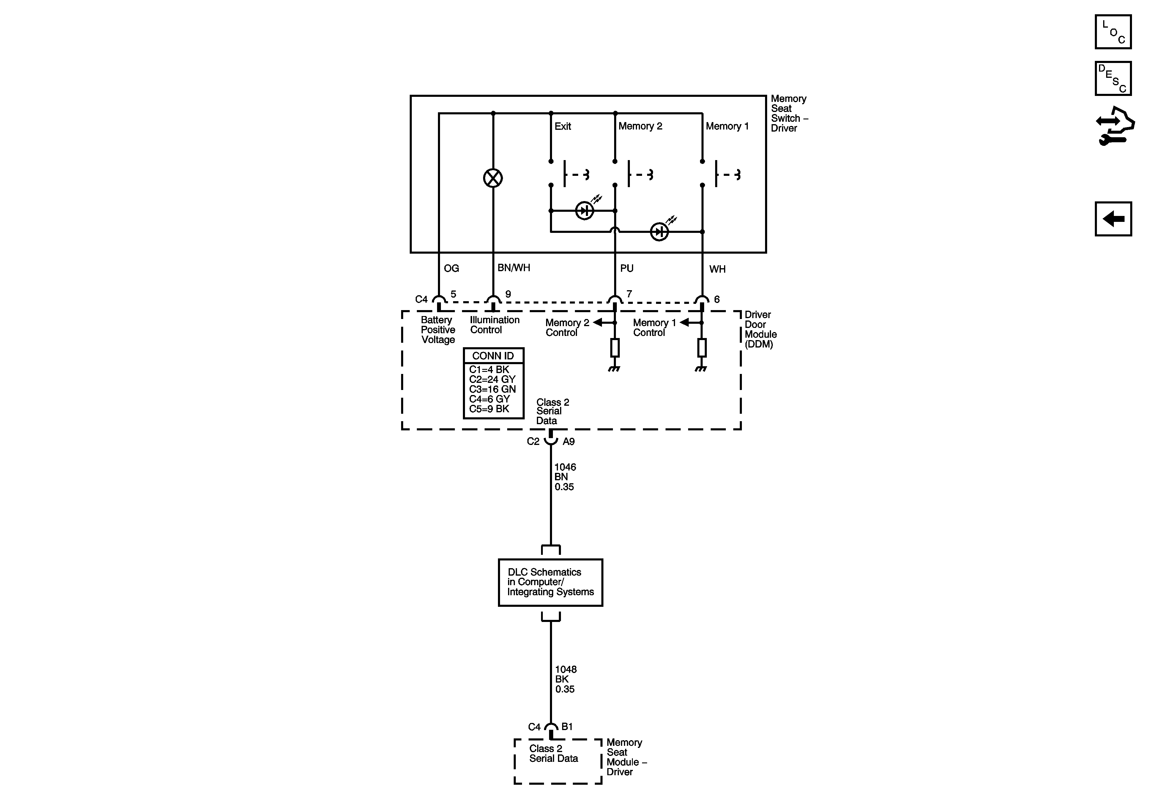
Figure 7:

Memory Controls


Object Number: 1594431  Size: FS
Master Electrical Component List
Power Seats System Description and Operation
Control Module References
Heat Controls
SP306