GM Service Manual Online
For 1990-2009 cars only
Figure 1:

Module Power, Ground, Serial Data, and MIL


Object Number: 1593981  Size: FS
Master Electrical Component List
Powertrain Control Module Description
Control Module References
Underhood Fuse Block - PWR/TRN Relay
Engine Controls Schematic Icons
Underhood Fuse Block
AIR PUMP, EAP, ECM, HDM, HI HEADLAMP-LT, HI HEADLAMP-RT, IGN COILS, LO HEADLAMP-LT, LO HEADLAMP-RT, PCM B and TBC I Fuses
AIR SOL, and PCM I Fuses - 4.2L
ACCY/RUN, RUN/START, Bus Bars, and IGN B Fuse
BCK/UP, BTSI, IGN E, TBC IGN1, and TRLR BCK/UP Fuses
Ignition Switch - ACCY/RUN/START, RUN, and START Bus Bars, IGN A and CRNK Fuses
FRT WPR, IGN 0, RAIN, TBC ACC, TBC IG, and TCM Fuses
AIR SOL, and PCM I Fuses - 4.2L
Power, Ground, Serial Data, and MIL
BCK/UP, BTSI, IGN E, TBC IGN1, and TRLR BCK/UP Fuses
FRT WPR, IGN 0, RAIN, TBC ACC, TBC IG, and TCM Fuses
G108
SP205
Power, Ground, Data Link Connector
Figure 2:

Underhood Fuse Block - PWR/TRN Realy


Object Number: 1593982  Size: FS
Master Electrical Component List
Powertrain Control Module Description
Control Module References
Engine Data Sensors - 5-Volt and Low Reference
Module Power, Ground, Serial Data, and MIL
Engine Controls Schematic Icons
Underhood Fuse Block
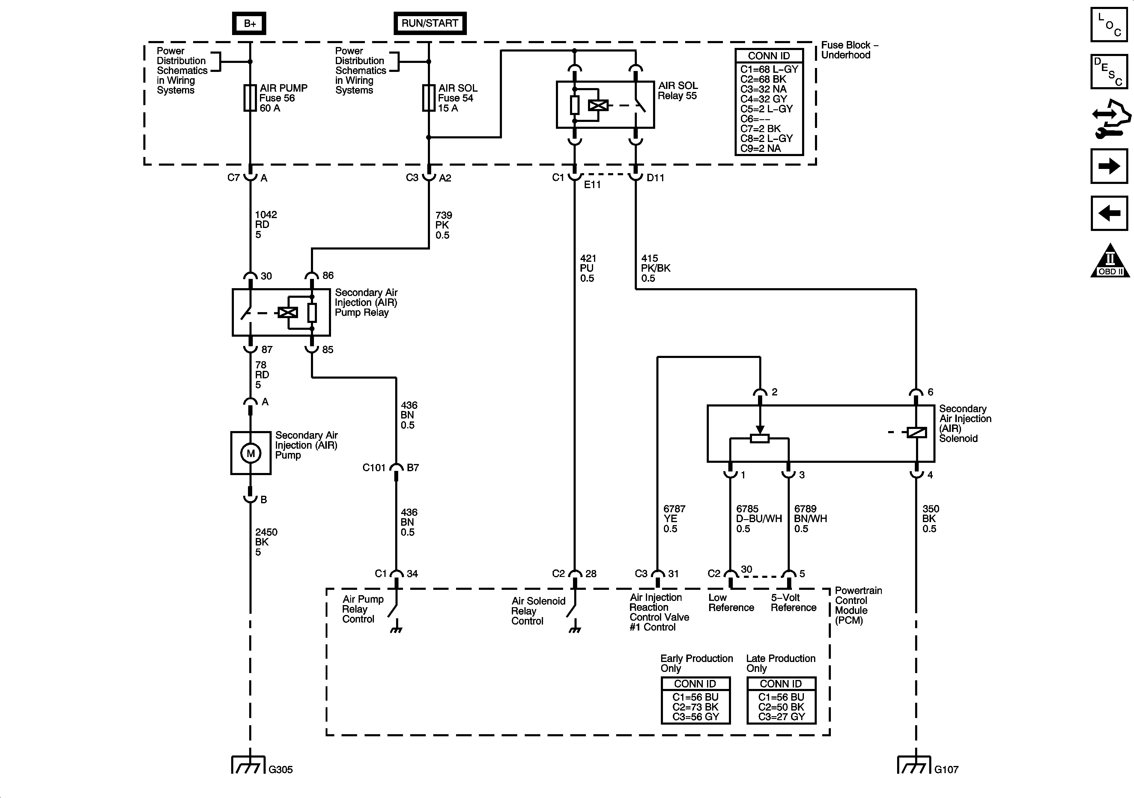
Figure 3:

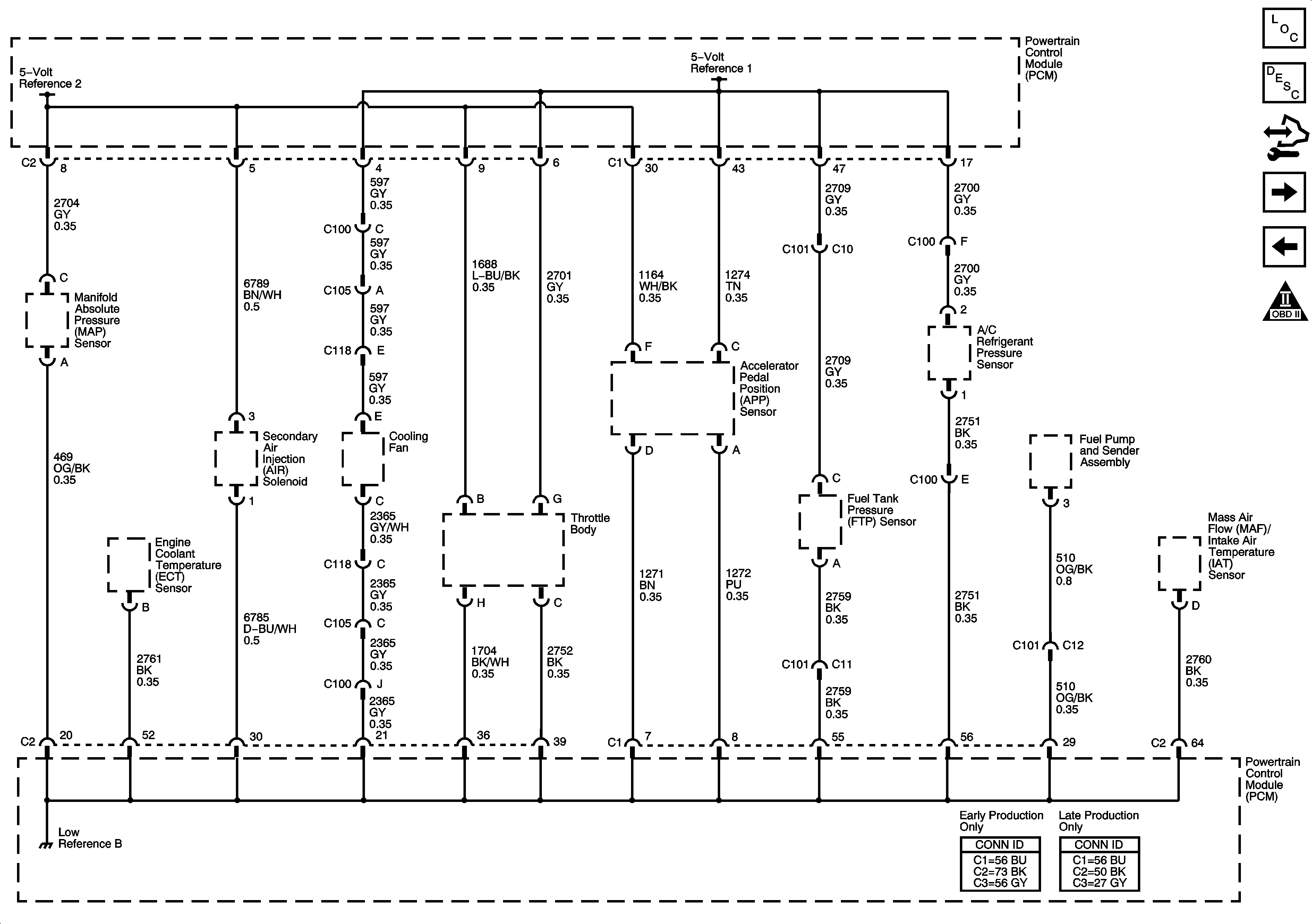
Engine Data Sensors - 5-Volt and Low Reference


Object Number: 1593983  Size: FS
Master Electrical Component List
Powertrain Control Module Description
Control Module References
Engine Data Sensors - Pressure and Temperature
Underhood Fuse Block - PWR/TRN Relay
Engine Controls Schematic Icons
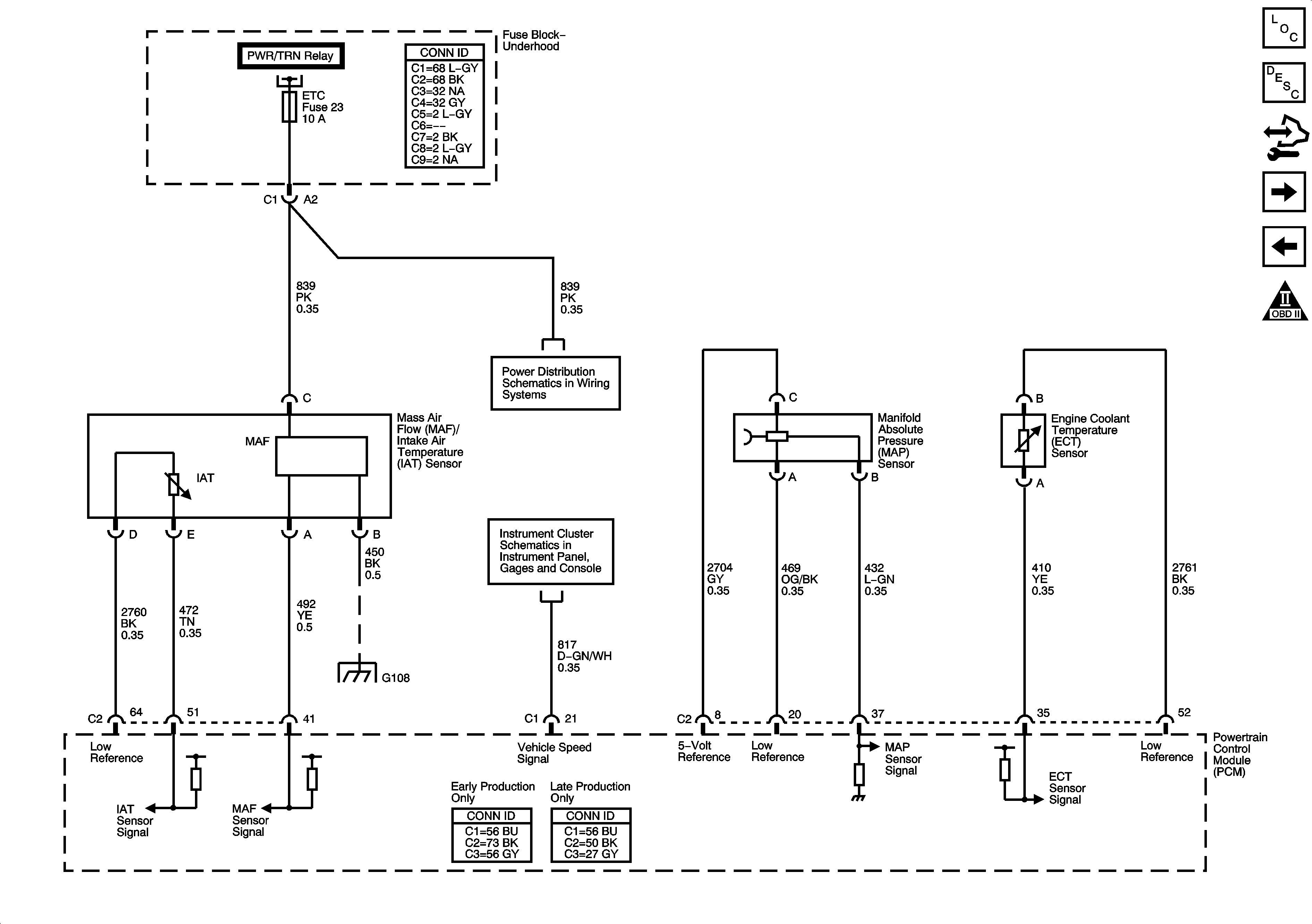
Figure 4:

Engine Data Sensors - Pressure and Temperature


Object Number: 1593984  Size: FS
Master Electrical Component List
Powertrain Control Module Description
Control Module References
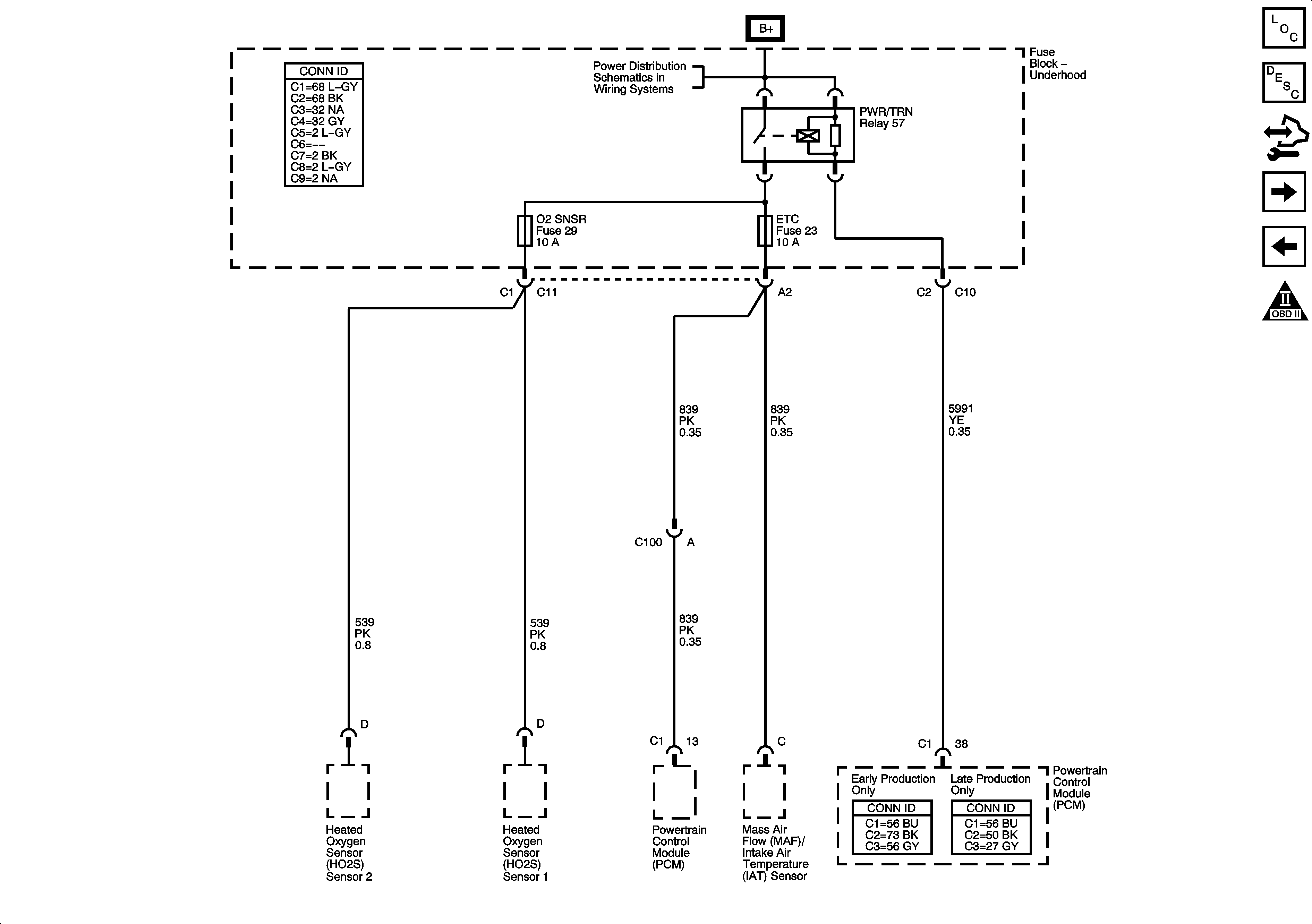
Engine Data Sensors - Oxygen Sensors
Engine Data Sensors - 5-Volt and Low Reference
Engine Controls Schematic Icons
Underhood Fuse Block - PWR/TRN Relay
ETC and O2 SNSR Fuses - 4.2L
Gages
G108
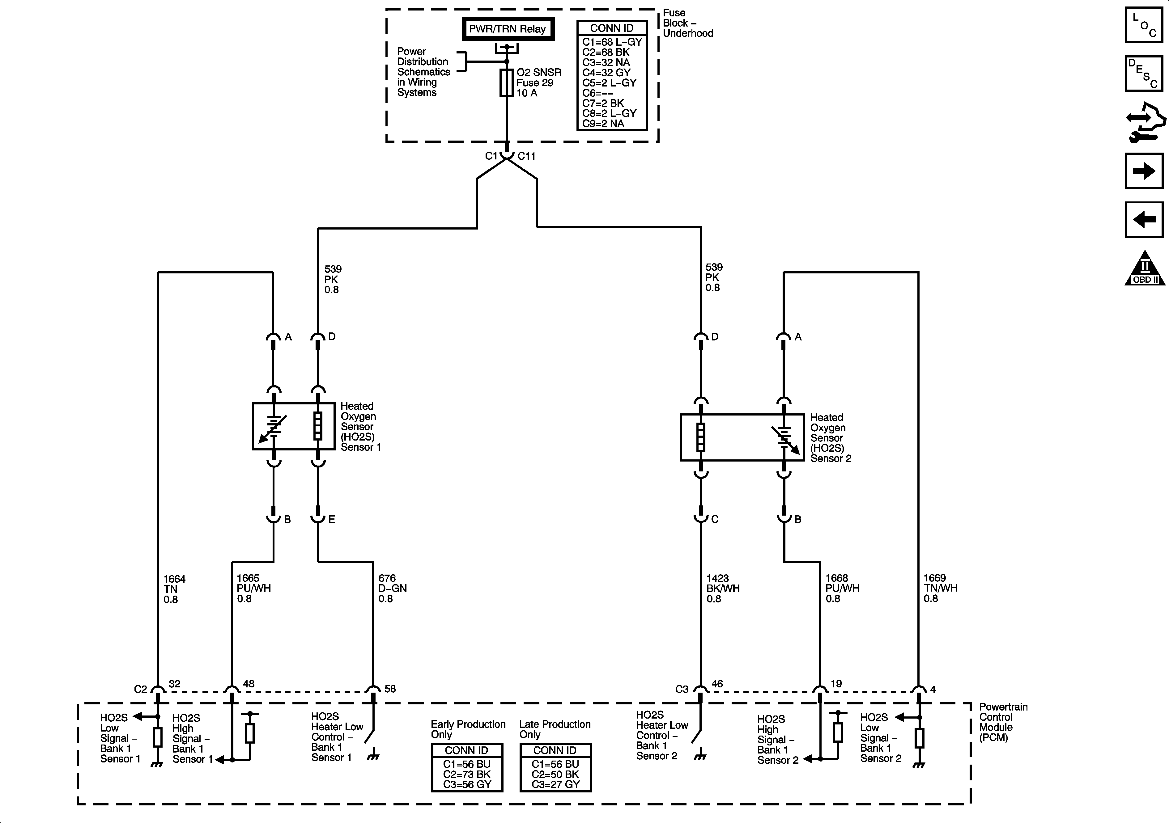
Figure 5:

Engine Data Sensors - Oxygen Sensors


Object Number: 1593985  Size: FS
Master Electrical Component List
Powertrain Control Module Description
Control Module References
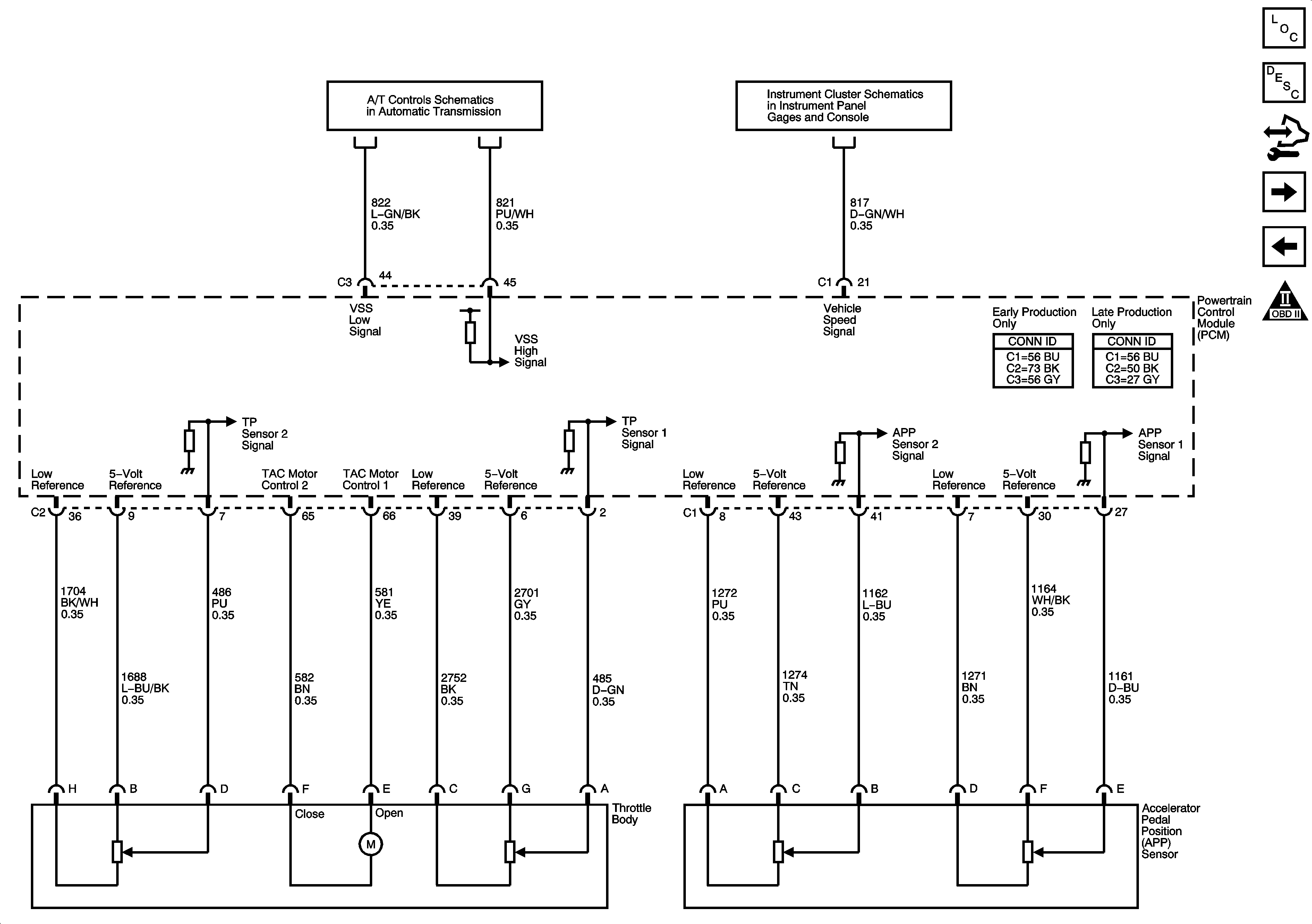
Engine Data Sensors - Throttle Actuator Control and VSS
Engine Data Sensors - Pressure and Temperature
Engine Controls Schematic Icons
Underhood Fuse Block - PWR/TRN Relay
ETC and O2 SNSR Fuses - 4.2L
Figure 6:

Engine Data Sensors - Throttle Actuator Controls and VSS


Object Number: 1593986  Size: FS
Master Electrical Component List
Powertrain Control Module Description
Control Module References
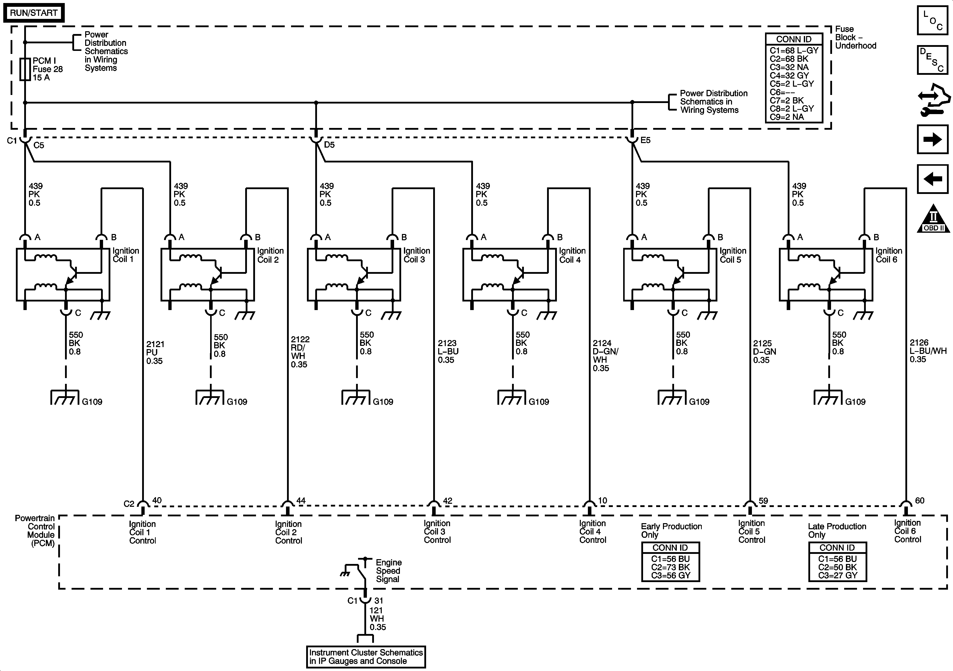
Ignition Controls - Ignition Coils
Engine Data Sensors - Oxygen Sensors
Engine Controls Schematic Icons
Pressure Controls, Temperature, and VSS
Gages
Figure 7:

Ignition Controls - Ignition Coils


Object Number: 1593987  Size: FS
Master Electrical Component List
Powertrain Control Module Description
Control Module References
Ignition Controls - Sensors
Engine Data Sensors - Throttle Actuator Control and VSS
Engine Controls Schematic Icons
ACCY/RUN, RUN/START, Bus Bars, and IGN B Fuse
AIR SOL, and PCM I Fuses - 4.2L
Gages
Figure 8:

Ignition Controls - Sensors


Object Number: 1593988  Size: FS
Master Electrical Component List
Powertrain Control Module Description
Control Module References
Fuel Controls - Fuel Pump and Fuel Injectors
Ignition Controls - Ignition Coils
Engine Controls Schematic Icons
Engine Controls Schematic Icons
Engine Controls Schematic Icons
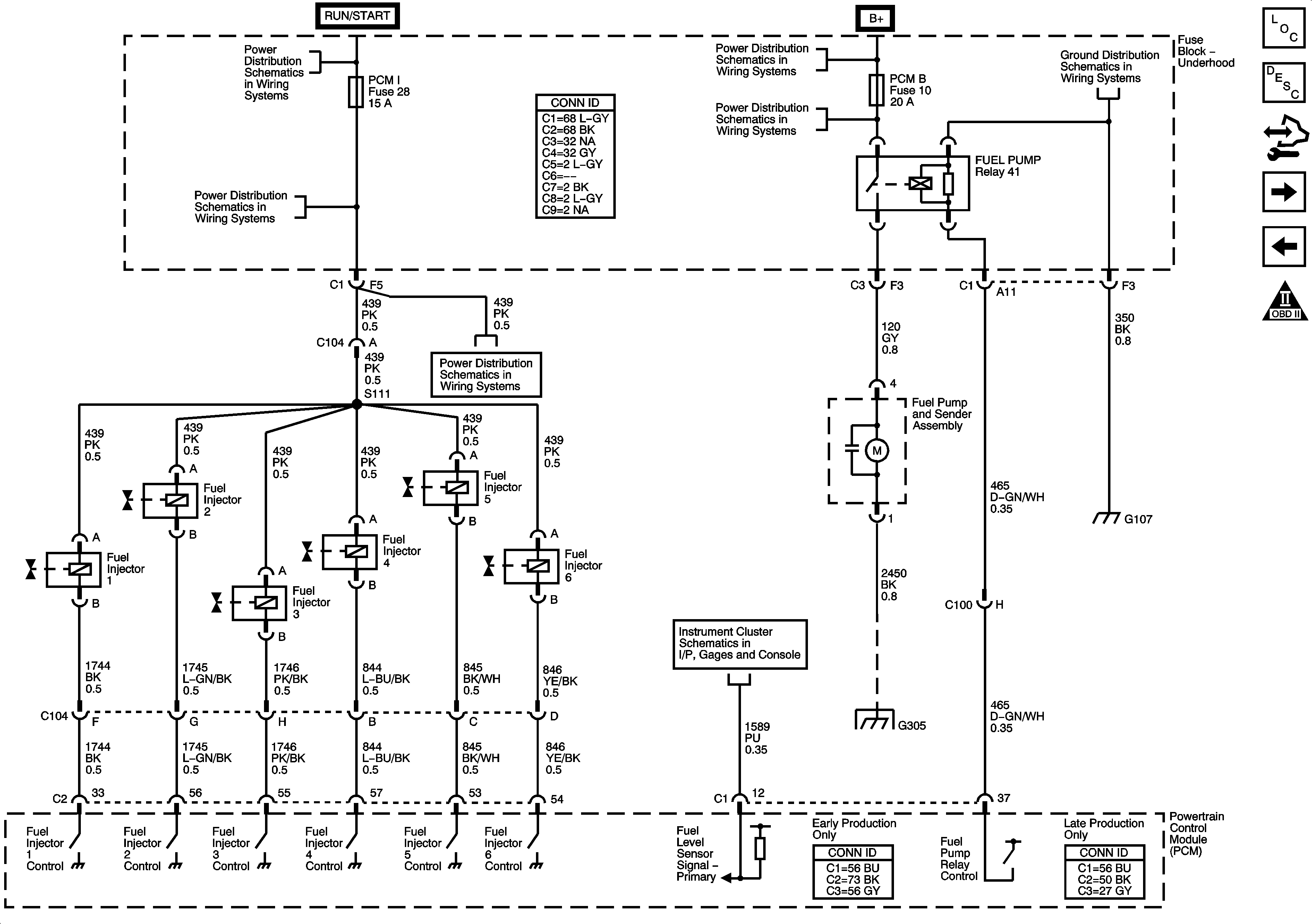
Figure 9:

Fuel Controls - Fuel Pump and Fuel Injectors


Object Number: 1593989  Size: FS
Master Electrical Component List
Powertrain Control Module Description
Control Module References
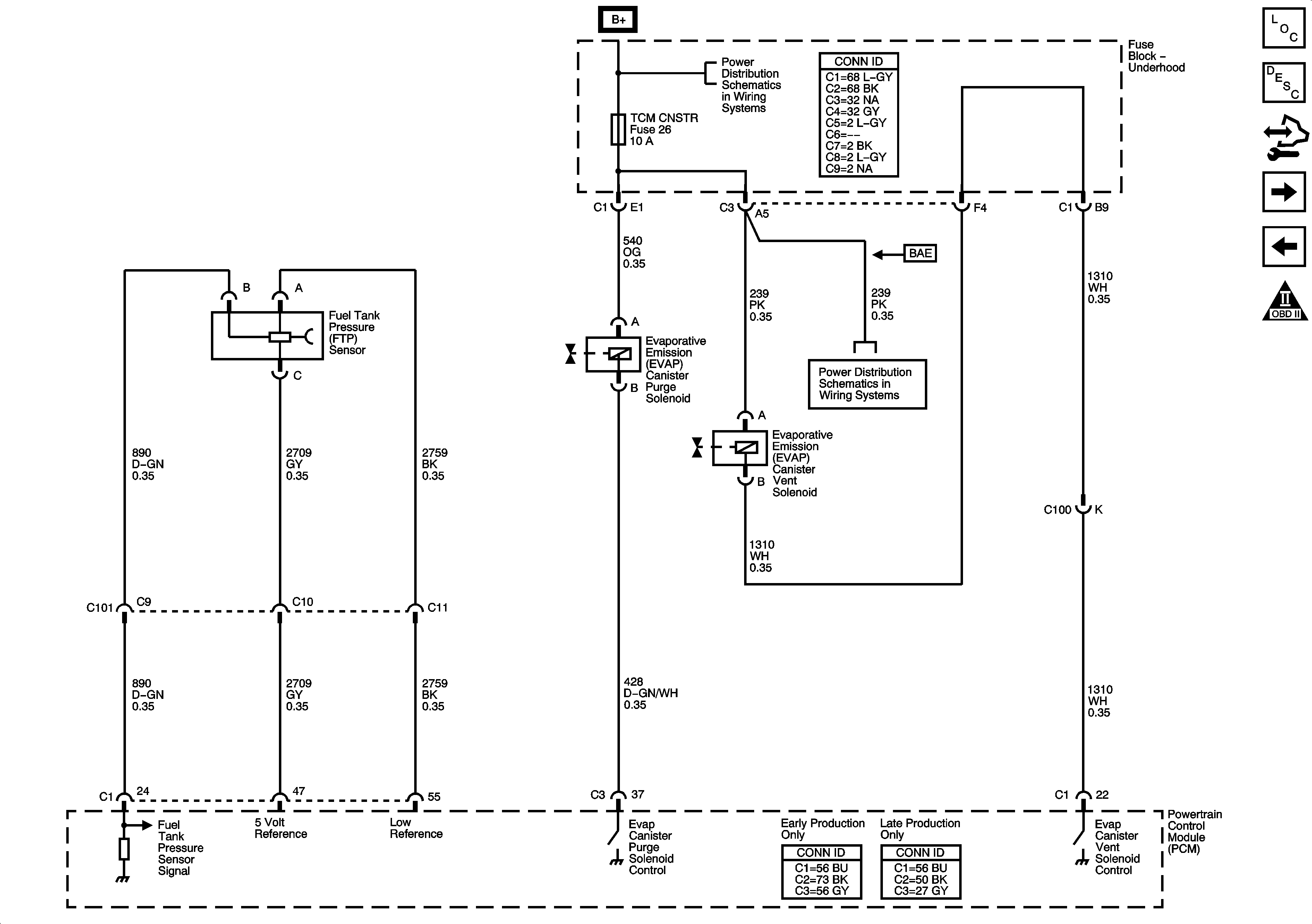
Fuel Controls - EVAP Controls
Ignition Controls - Sensors
Engine Controls Schematic Icons
ACCY/RUN, RUN/START, Bus Bars, and IGN B Fuse
AIR SOL, and PCM I Fuses - 4.2L
Underhood Fuse Block
AIR PUMP, EAP, ECM, HDM, HI HEADLAMP-LT, HI HEADLAMP-RT, IGN COILS, LO HEADLAMP-LT, LO HEADLAMP-RT, PCM B and TBC I Fuses
AIR SOL, and PCM I Fuses - 4.2L
Fuel Gage
G201 - 2 of 2, and G305
Figure 10:

Fuel Controls - EVAP Controls


Object Number: 1593990  Size: FS
Master Electrical Component List
Powertrain Control Module Description
Control Module References
Device Controls - K18
Fuel Controls - Fuel Pump and Fuel Injectors
Engine Controls Schematic Icons
Underhood Fuse Block
Figure 11:

Device Controls - K18


Object Number: 1593992  Size: FS
Master Electrical Component List
Powertrain Control Module Description
Control Module References
Controlled/Monitored Subsystem References
Fuel Controls - EVAP Controls
Engine Controls Schematic Icons
AIR PUMP, EAP, ECM, HDM, HI HEADLAMP-LT, HI HEADLAMP-RT, IGN COILS, LO HEADLAMP-LT, LO HEADLAMP-RT, PCM B and TBC I Fuses
ACCY/RUN, RUN/START, Bus Bars, and IGN B Fuse
G201 - 2 of 2, and G305
G104, G105, and G107
Figure 12:

Controlled/Monitored Subsystem References


Object Number: 1593993  Size: FS
Master Electrical Component List
Powertrain Control Module Description
Control Module References
Transmission Control References - A/T
Device Controls - K18
Engine Controls Schematic Icons
Compressor Controls
Compressor Controls
4.2L
Starting System
Charging System
Gages
Power, Ground, Serial Data, and Transfer Case Encoder Motor
Engine Cooling Schematics
EBCM Power, Ground, Serial Data, Indicator, and Signal Circuits
Figure 13:

Transmission Control References - A/T


Object Number: 1593994  Size: FS
Master Electrical Component List
Powertrain Control Module Description
Control Module References
Controlled/Monitored Subsystem References
Engine Controls Schematic Icons
Shift Controls and Stop Lamp Switch
Pressure Controls, Temperature, and VSS
EBCM Power, Ground, Serial Data, Indicator, and Signal Circuits
PNP Switch, 4WD Signal, Serial Data, and Indicator