GM Service Manual Online
For 1990-2009 cars only
Makes
🢒
Isuzu
🢒
2006
🢒
Ascender - 2WD
🢒
Vehicle Control Systems
🢒
Vehicle DTC Information
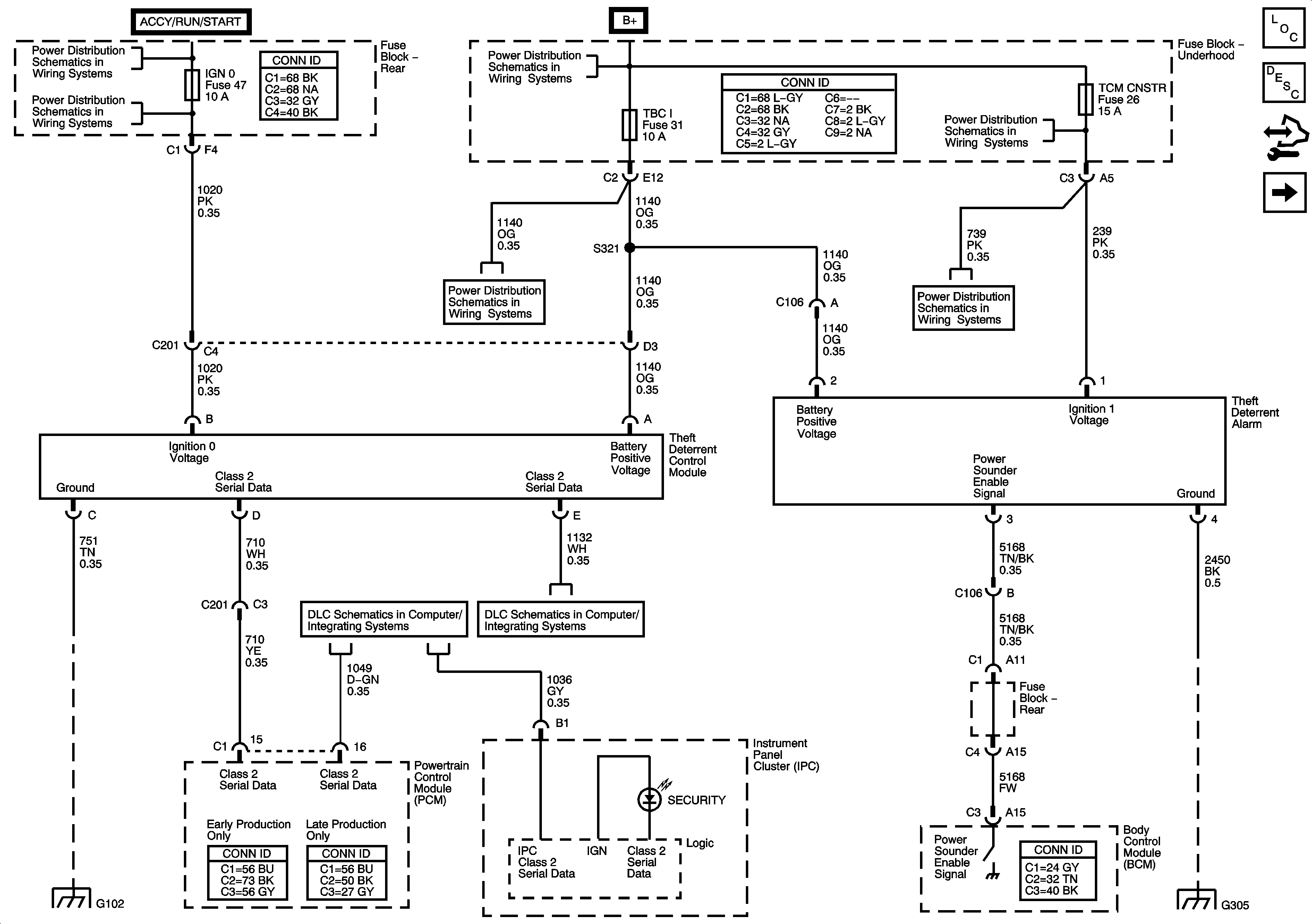
🢒 Theft Deterrent System Schematics
Figure
1:
Theft Deterrent Control Module and Alarm
Master Electrical Component List
Theft Systems Description and Operation
Control Module References
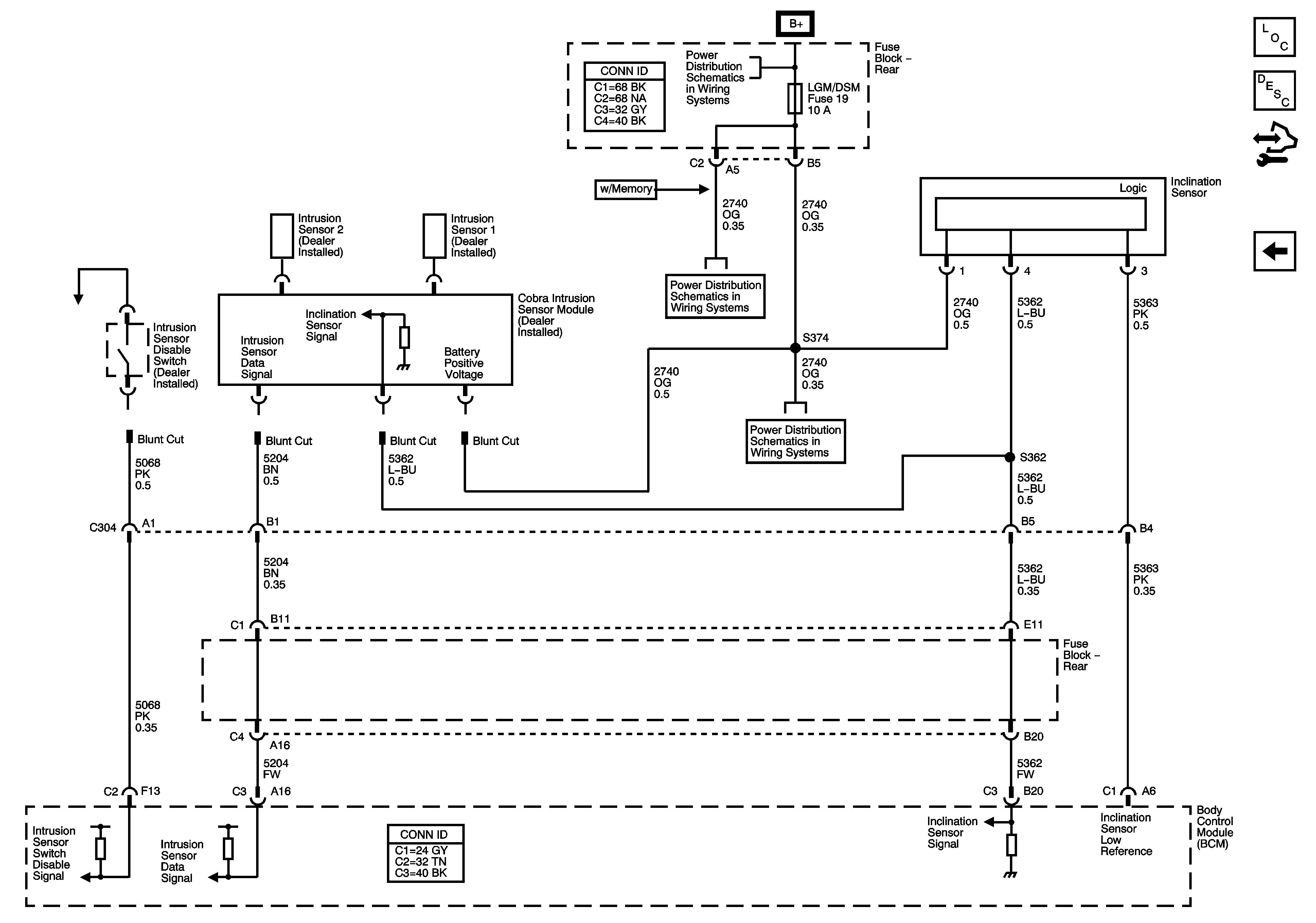
Intrusion and Indication Sensor Signals
Ignition Switch - ACCY/RUN/START, RUN, and START Bus Bars, IGN A and CRNK Fuses
FRT WPR, IGN 0, RAIN, TBC ACC, TBC IG, and TCM Fuses
Underhood Fuse Block
AIR PUMP, EAP, ECM, HDM, HI HEADLAMP-LT, HI HEADLAMP-RT, IGN COILS, LO HEADLAMP-LT, LO HEADLAMP-RT, PCM B and TBC I Fuses
AUX PWR 1, RR HVAC, SUNROOF, TBC 2, TBC 3, TBC 4, TBC 5, and TCM CNSTR Fuses
SP205
Power, Ground, Data Link Connector
G102
G201 - 2 of 2, and G305
Figure
2:
Intrusion and Indication Sensor Signals
Master Electrical Component List
Theft Systems Description and Operation
Control Module References
Theft Deterrent Control Module and Alarm
B+ Bus - Rear Fuse Block
HVAC B, LGM/DSM, OH BATT/ONSTAR, and RADIO FUSES
HVAC B, LGM/DSM, OH BATT/ONSTAR, and RADIO FUSES