GM Service Manual Online
For 1990-2009 cars only

Front Air Dam Replacement Rainier

Removal Procedure

  1. Remove the front fascia. Refer to Front Bumper Fascia Replacement .
  2. Remove the impact bar. Refer to Front Bumper Impact Bar Replacement .

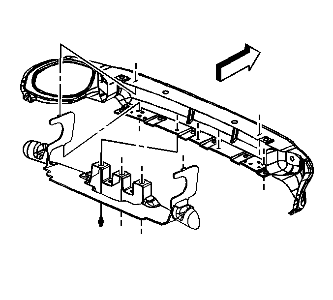
  3. Object Number: 752092  Size: SH
  4. Remove the 3 push-pins that retain the air deflector to the impact bar.
  5. Disengage the tabs on the air deflector from the slots in the impact bar.
  6. Remove the air deflector from the impact bar.

Installation Procedure


    Object Number: 752092  Size: SH
  1. Install the air deflector to the impact bar.
  2. Insert the tabs on the air deflector to the slots in the impact bar.
  3. Install the 3 push-pins that retain the air deflector to the impact bar.
  4. Install the impact bar. Refer to Front Bumper Impact Bar Replacement .
  5. Install the fascia. Refer to Front Bumper Fascia Replacement .