GM Service Manual Online
For 1990-2009 cars only
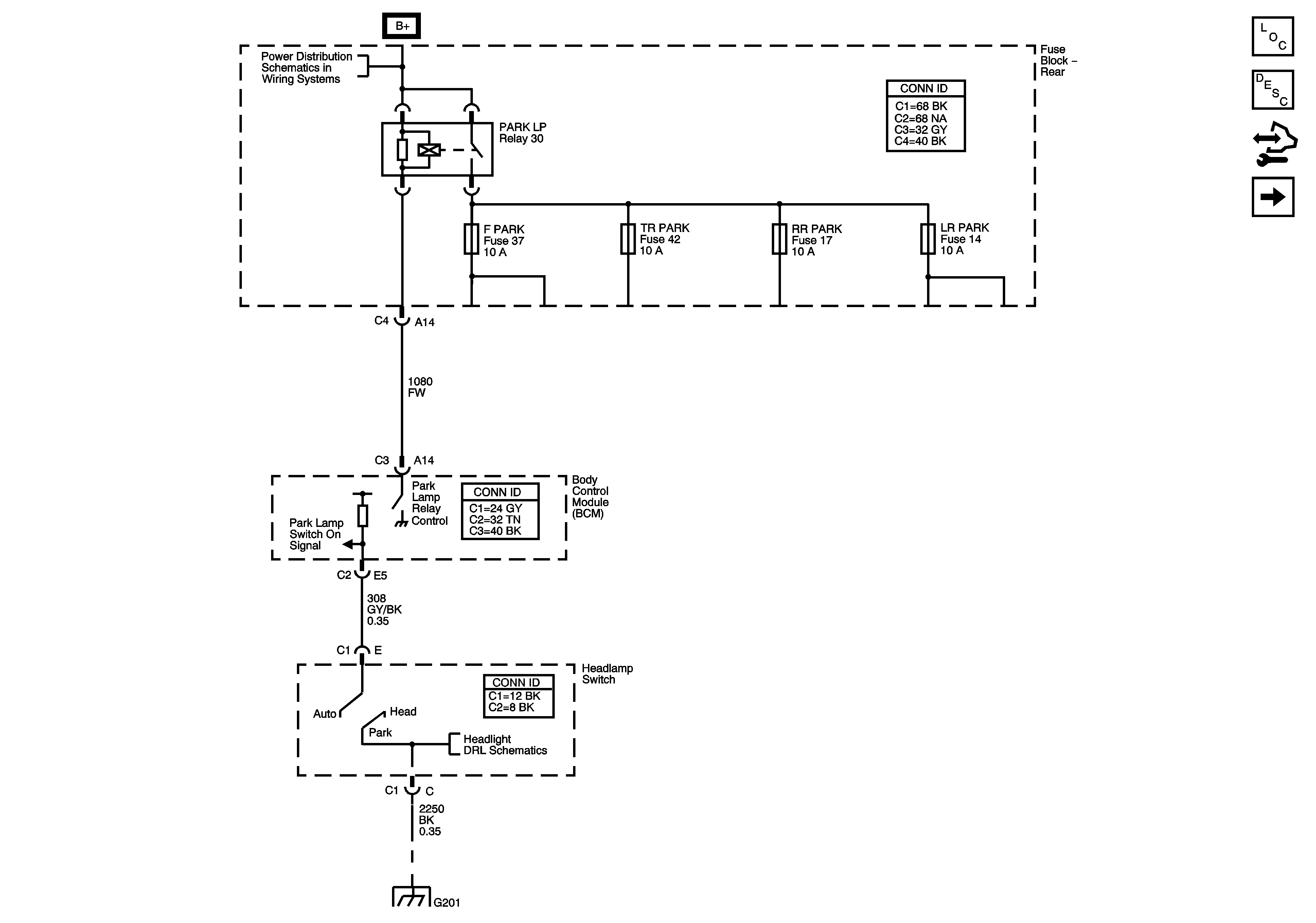
Figure 1:

Park Lamp Relay


Object Number: 1594294  Size: FS
Master Electrical Component List
Exterior Lighting Systems Description and Operation
Control Module References
Marker and Front Park Lamps
B+ Bus - Rear Fuse Block
Headlamp Switch
G201 - 1 of 2
Figure 2:

Marker and Front Park Lamps


Object Number: 1594295  Size: FS
Master Electrical Component List
Exterior Lighting Systems Description and Operation
Control Module References
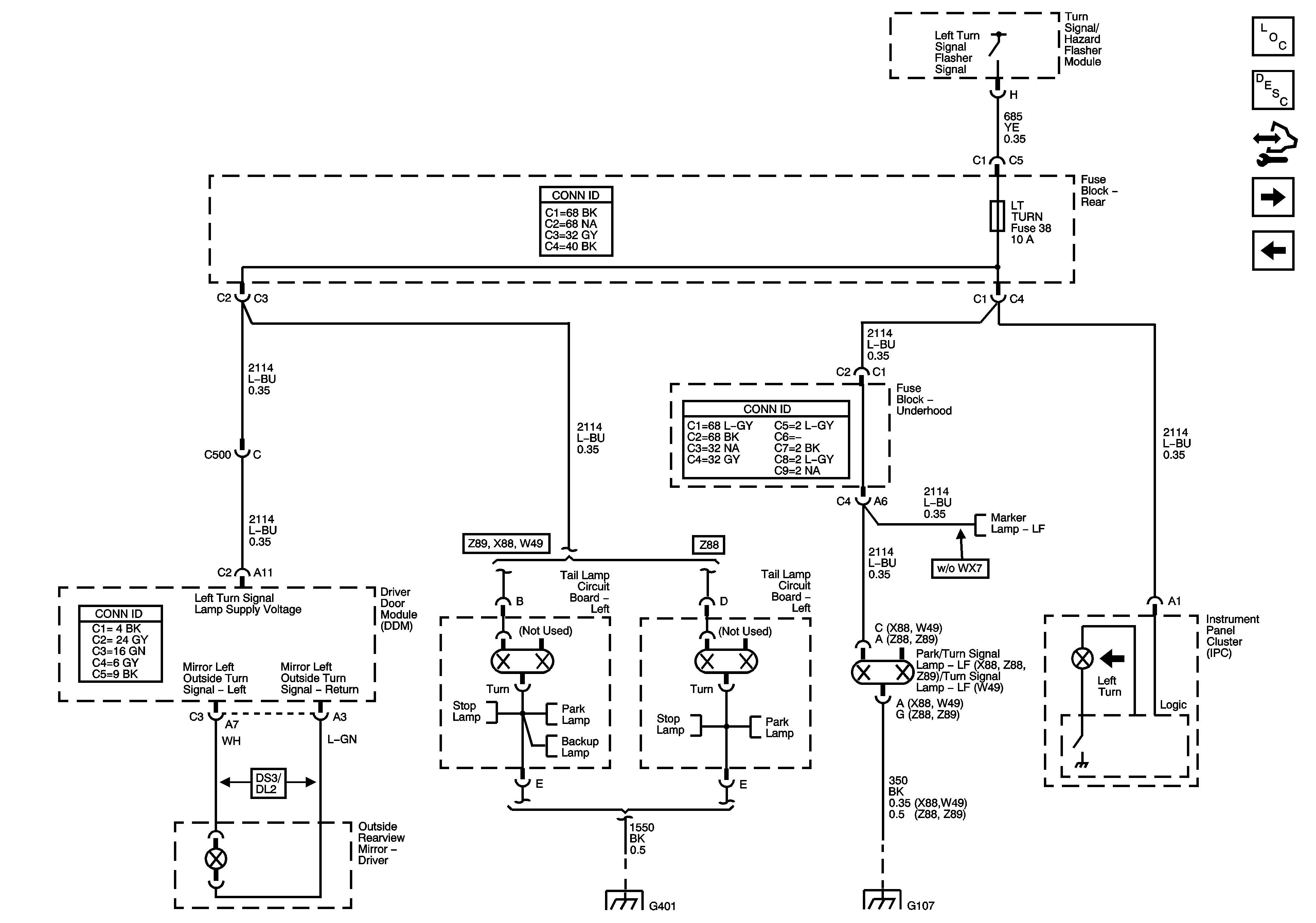
License and Rear Park Lamps
Park Lamp Relay
F PARK, LGM #2, LR PARK, RR FOG, RR PARK, TR PARK Fuses, and RR WIPER Circuit Breaker
Park Lamp Relay
Left Turn Signals
Right Turn Signals
G104, G105, and G107
G101, G103, G106, and G110
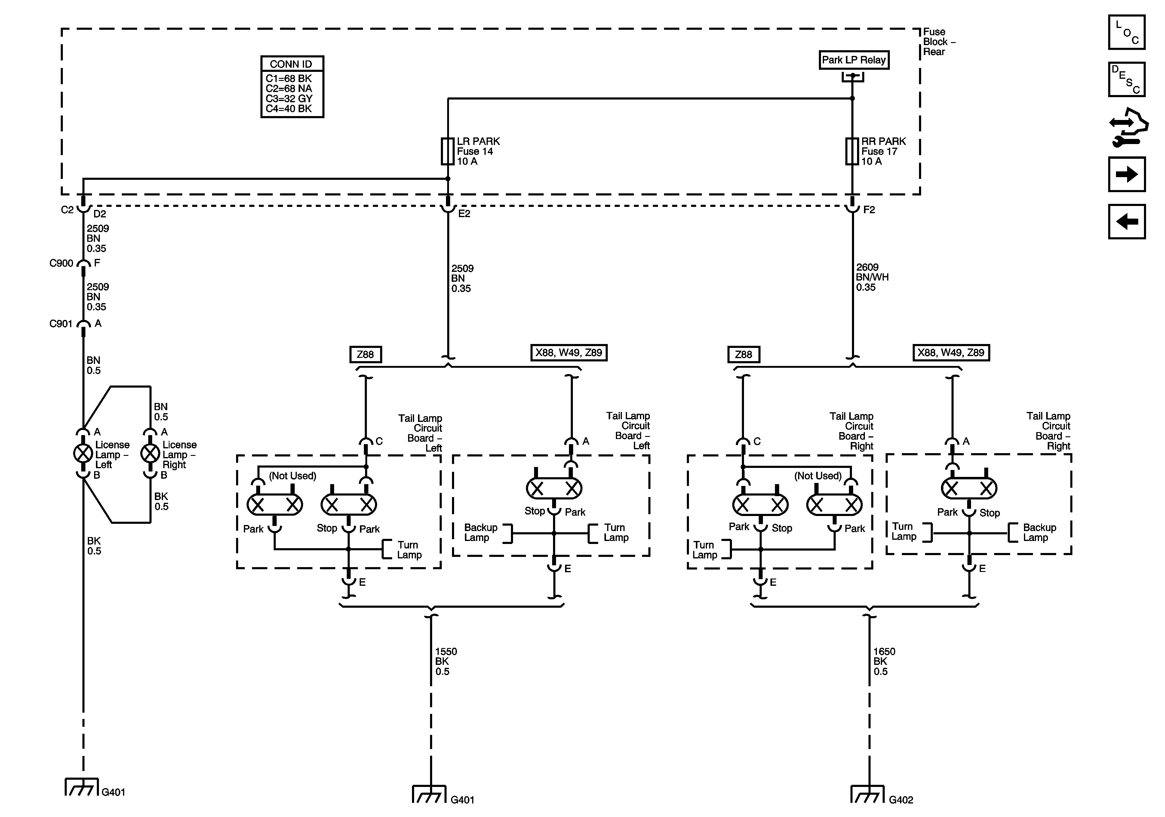
Figure 3:

License and Rear Park Lamps


Object Number: 1594296  Size: FS
Master Electrical Component List
Exterior Lighting Systems Description and Operation
Control Module References
Stop Lamps
Marker and Front Park Lamps
Park Lamp Relay
Left Turn Signals
Backup Lamps
Right Turn Signals
Right Turn Signals
Backup Lamps
G401, G402, and G403
G401, G402, and G403
G401, G402, and G403
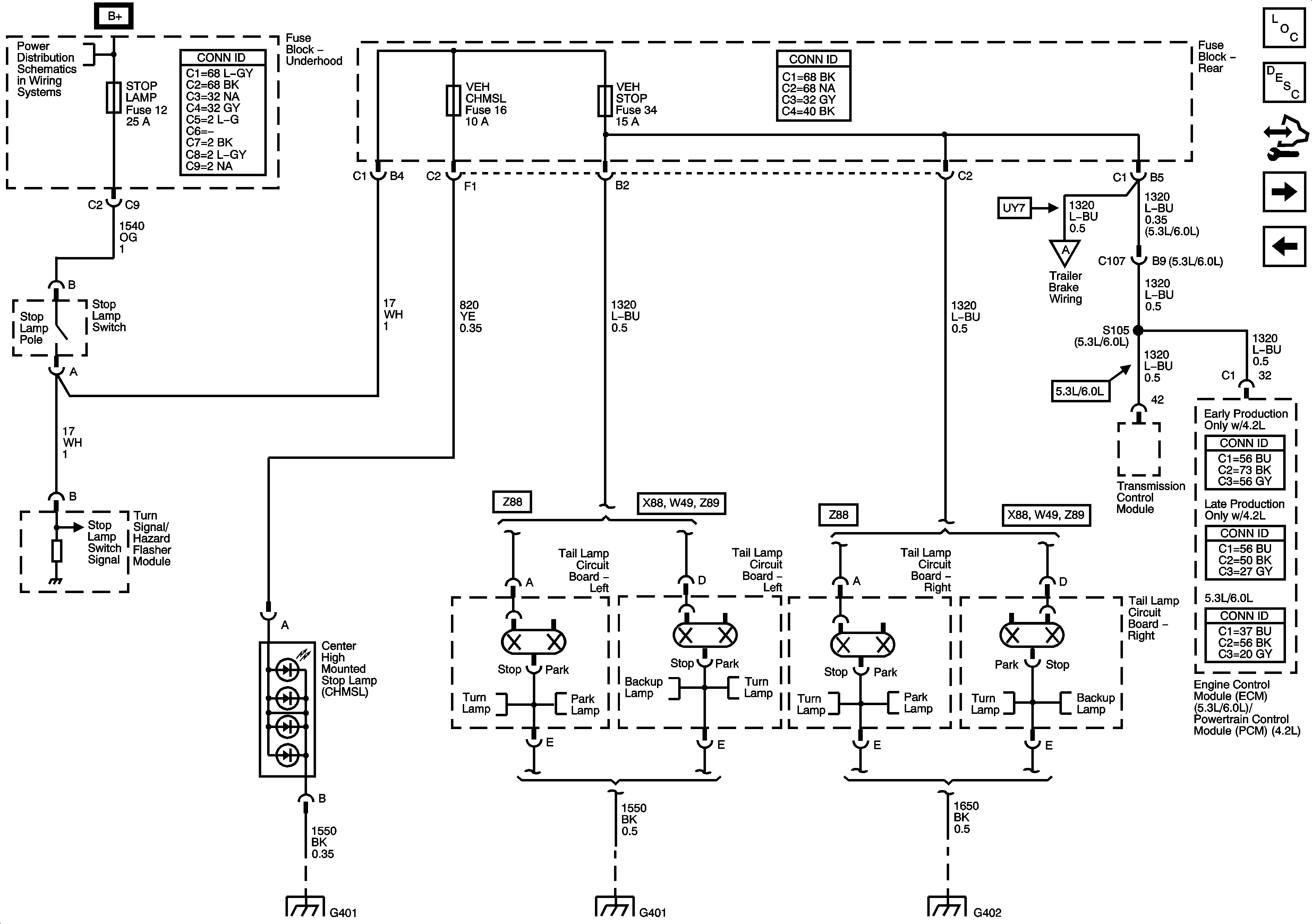
Figure 4:

Stop Lamps


Object Number: 1594297  Size: FS
Master Electrical Component List
Exterior Lighting Systems Description and Operation
Control Module References
Turn Signal/Hazard Controls and Cornering Lamps
License and Rear Park Lamps
Underhood Fuse Block
Trailer Wiring
Left Turn Signals
License and Rear Park Lamps
Backup Lamps
Left Turn Signals
Right Turn Signals
License and Rear Park Lamps
Right Turn Signals
Backup Lamps
G401, G402, and G403
G401, G402, and G403
G401, G402, and G403
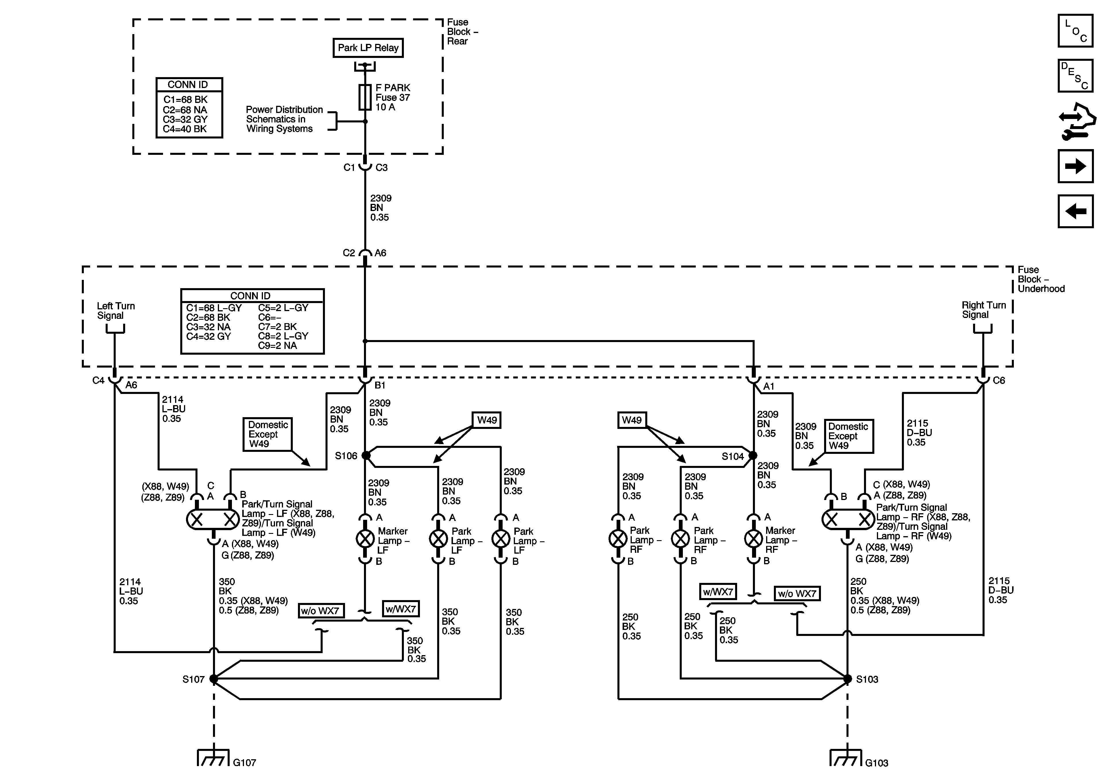
Figure 5:

Turn Signal/Hazard Controls and Cornering Lamps


Object Number: 1594299  Size: FS
Master Electrical Component List
Exterior Lighting Systems Description and Operation
Control Module References
Left Turn Signals
Stop Lamps
F PARK, LGM #2, LR PARK, RR FOG, RR PARK, TR PARK Fuses, and RR WIPER Circuit Breaker
Park Lamp Relay
ACCY/RUN, RUN/START, Bus Bars, and IGN B Fuse
BCK/UP, BTSI, IGN E, TBC IGN1, and TRLR BCK/UP Fuses
BCK/UP, BTSI, IGN E, TBC IGN1, and TRLR BCK/UP Fuses
ABS, ATC, BLWR, ECAS, ELEC BRK, HAZRD, IPC/DIC, LTR, STOP LAMP, TRLR, VEH CHMSL, VEH STOP, and VSES Fuses
G104, G105, and G107
G101, G103, G106, and G110
G102
G201 - 1 of 2
Figure 6:

Left Turn Signals


Object Number: 1594301  Size: FS
Master Electrical Component List
Exterior Lighting Systems Description and Operation
Control Module References
Right Turn Signals
Turn Signal/Hazard Controls and Cornering Lamps
Marker and Front Park Lamps
Stop Lamps
License and Rear Park Lamps
Backup Lamps
Stop Lamps
License and Rear Park Lamps
G401, G402, and G403
G104, G105, and G107
Figure 7:

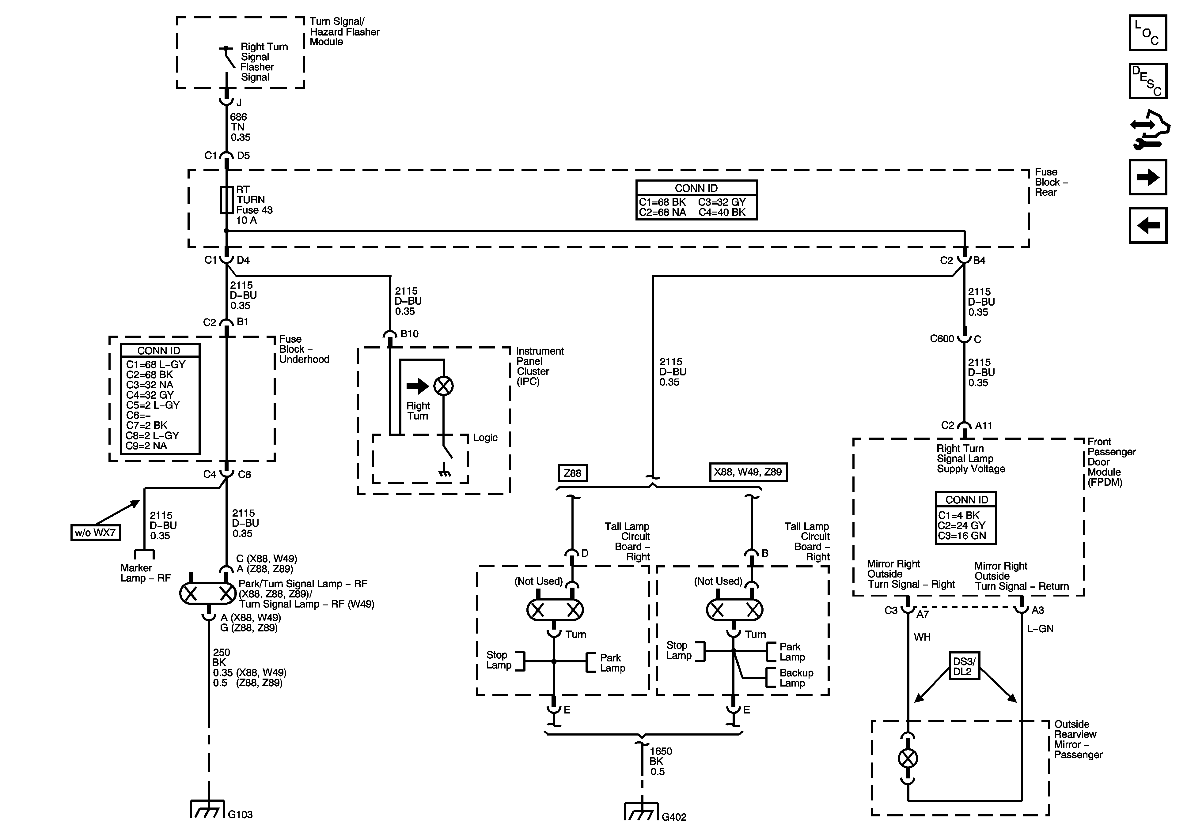
Right Turn Signals


Object Number: 1594302  Size: FS
Master Electrical Component List
Exterior Lighting Systems Description and Operation
Control Module References
Backup Lamps
Left Turn Signals
Marker and Front Park Lamps
G101, G103, G106, and G110
Stop Lamps
License and Rear Park Lamps
Stop Lamps
License and Rear Park Lamps
Backup Lamps
G401, G402, and G403
Figure 8:

Backup Lamps


Object Number: 1594303  Size: FS
Master Electrical Component List
Exterior Lighting Systems Description and Operation
Control Module References
Trailer Wiring
Right Turn Signals
B+ Bus - Rear Fuse Block
SP205
Inside Rearview Mirror Schematics
Inside Rearview Mirror Schematics
Stop Lamps
License and Rear Park Lamps
Left Turn Signals
Stop Lamps
License and Rear Park Lamps
Right Turn Signals
G401, G402, and G403
G401, G402, and G403
G201 - 2 of 2, and G305
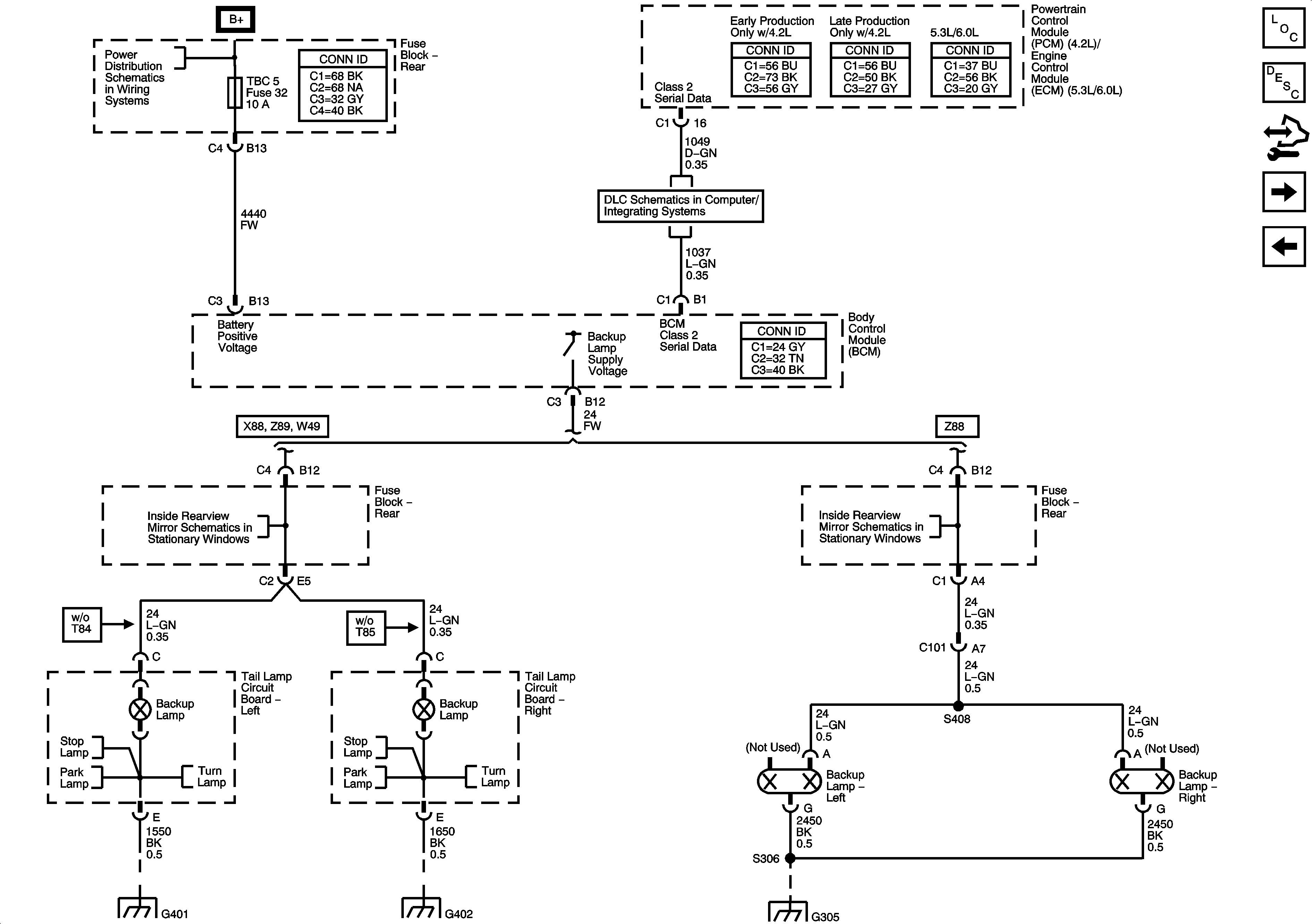
Figure 9:

Trailer Wiring


Object Number: 1594304  Size: FS
Master Electrical Component List
Exterior Lighting Systems Description and Operation
Control Module References
Backup Lamps
ABS, ATC, BLWR, ECAS, ELEC BRK, HAZRD, IPC/DIC, LTR, STOP LAMP, TRLR, VEH CHMSL, VEH STOP, and VSES Fuses
ACCY/RUN, RUN/START, Bus Bars, and IGN B Fuse
BCK/UP, BTSI, IGN E, TBC IGN1, and TRLR BCK/UP Fuses
Park Lamp Relay
Stop Lamps
BCK/UP, BTSI, IGN E, TBC IGN1, and TRLR BCK/UP Fuses
G201 - 1 of 2