GM Service Manual Online
For 1990-2009 cars only
Makes
🢒
Isuzu
🢒
2006
🢒
Ascender - 2WD
🢒
Body
🢒
Wiring Systems
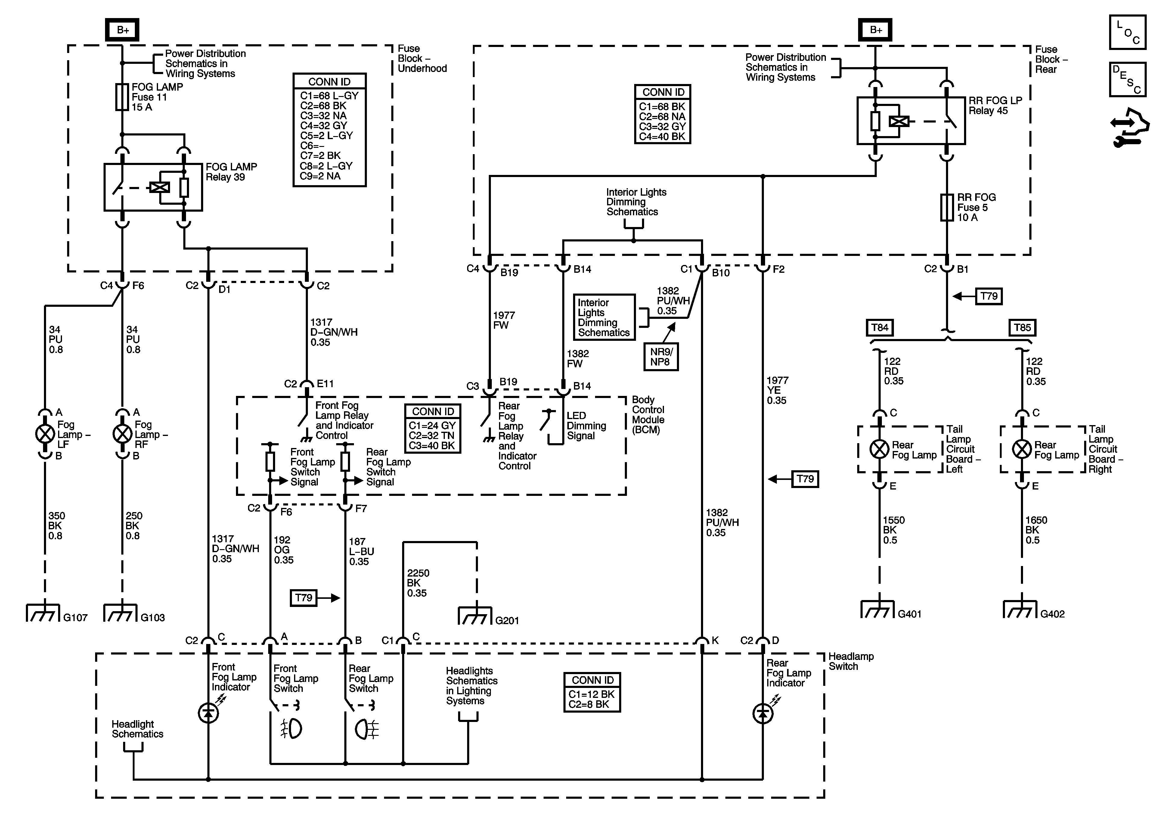
🢒 Fog Lights Schematics
Master Electrical Component List
Exterior Lighting Systems Description and Operation
Control Module References
Underhood Fuse Block
Courtesy Lamp Supply
Courtesy Lamp Supply
B+ Bus - Rear Fuse Block
G104, G105, and G107
G101, G103, G106, and G110
Headlamp Switch
G201 - 1 of 2
Headlamp Switch
G401, G402, and G403
G401, G402, and G403