GM Service Manual Online
For 1990-2009 cars only
Figure 1:

Module Power, Ground, Serial Data, Blower Motor, and Coolant Bypass Valve


Object Number: 1594202  Size: FS
Master Electrical Component List
Air Delivery Description and Operation
Control Module References
Compressor Controls
SP205
Ignition Switch - ACCY/RUN/START, RUN, and START Bus Bars, IGN A and CRNK Fuses
BRAKE, HVAC I, and TBC RUN Fuses
BRAKE, HVAC I, and TBC RUN Fuses
HVAC B, LGM/DSM, OH BATT/ONSTAR, and RADIO FUSES
B+ Bus - Rear Fuse Block
Underhood Fuse Block
G102
G201 - 1 of 2
Figure 2:

Compressor Controls


Object Number: 1594203  Size: FS
Master Electrical Component List
Air Delivery Description and Operation
Control Module References
Air Delivery/Temperature Actuators
Module Power, Ground, Serial Data, Blower Moter, and Coolant Bypass Valve
ACCY/RUN, RUN/START, Bus Bars, and IGN B Fuse
ACCY/RUN, RUN/START, Bus Bars, and IGN B Fuse
Underhood Fuse Block
SP205
G104, G105, and G107
G101, G103, G106, and G110
Figure 3:

Air Delivery/Temperature Actuators


Object Number: 1594204  Size: FS
Master Electrical Component List
Air Delivery Description and Operation
Control Module References
Air Temperature Sensors
Compressor Controls
Ignition Switch - ACCY/RUN/START, RUN, and START Bus Bars, IGN A and CRNK Fuses
BRAKE, HVAC I, and TBC RUN Fuses
BRAKE, HVAC I, and TBC RUN Fuses
Figure 4:

Air Temperature Sensors


Object Number: 1594206  Size: FS
Master Electrical Component List
Air Delivery Description and Operation
Control Module References
Ambient Light/Sunload Sensors
Air Delivery/Temperature Actuators
G201 - 2 of 2, and G305
Figure 5:

Ambient Light/Sunload Sensors


Object Number: 1594208  Size: FS
Master Electrical Component List
Air Delivery Description and Operation
Control Module References
Rear Auxiliary Controls - SWB
Air Temperature Sensors
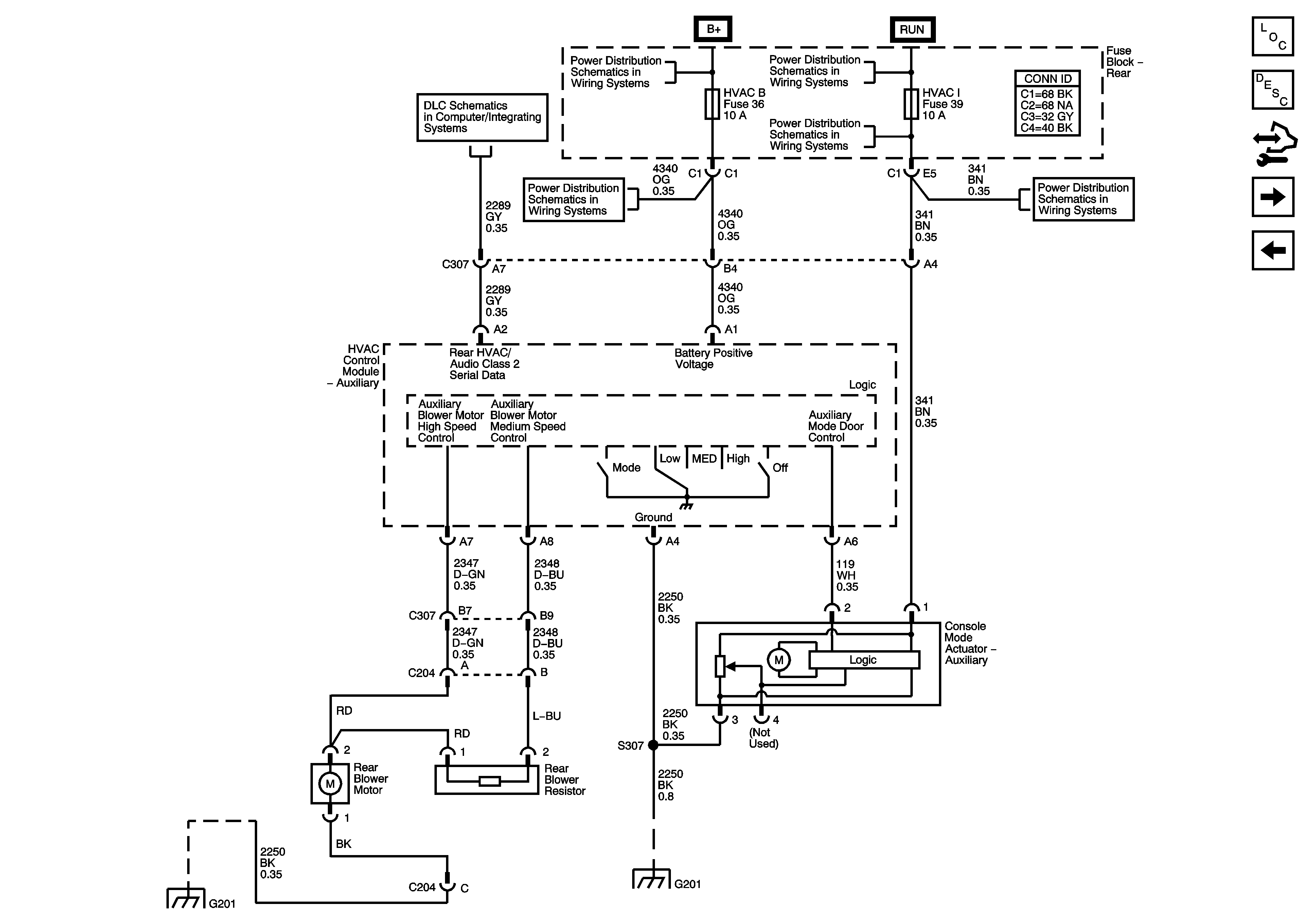
Figure 6:

Rear Auxiliary Controls - SWB


Object Number: 1594209  Size: FS
Master Electrical Component List
Air Delivery Description and Operation
Control Module References
Rear HVAC w/RSA - LWB
Ambient Light/Sunload Sensors
SP205
HVAC B, LGM/DSM, OH BATT/ONSTAR, and RADIO FUSES
B+ Bus - Rear Fuse Block
Ignition Switch - ACCY/RUN/START, RUN, and START Bus Bars, IGN A and CRNK Fuses
BRAKE, HVAC I, and TBC RUN Fuses
BRAKE, HVAC I, and TBC RUN Fuses
G201 - 1 of 2
G201 - 1 of 2
Figure 7:

Rear HVAC w/RSA - LWB


Object Number: 1594210  Size: FS
Master Electrical Component List
Air Delivery Description and Operation
Control Module References
Water Pump Controls - LWB
Rear Auxiliary Controls - SWB
I/P Dimming Supply 1 of 2
B+ Bus - Rear Fuse Block
HVAC B, LGM/DSM, OH BATT/ONSTAR, and RADIO FUSES
SP205
G401, G402, and G403
I/P Dimming Supply 1 of 2
G201 - 1 of 2
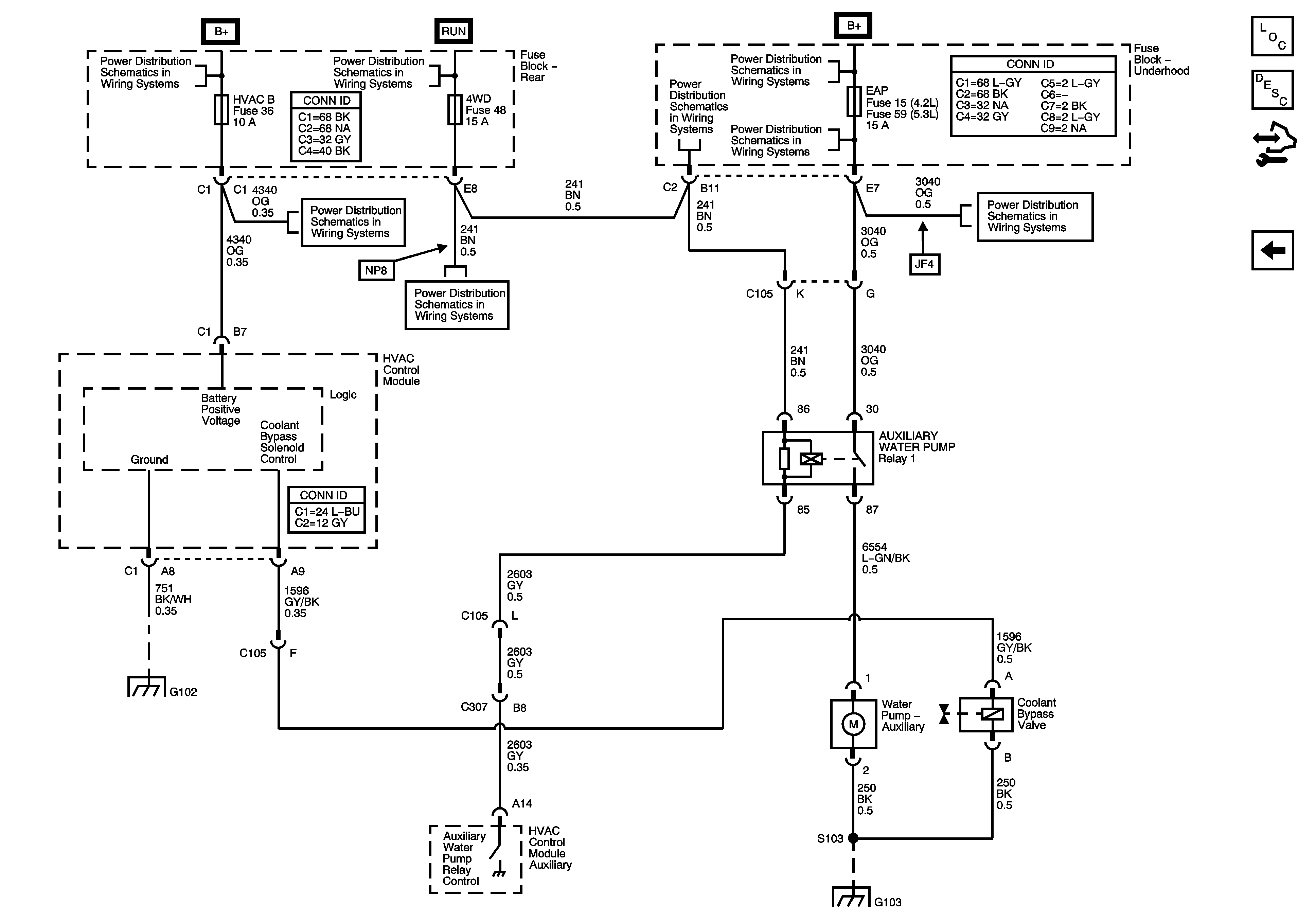
Figure 8:

Water Pump Controls - LWB


Object Number: 1662601  Size: FS
Master Electrical Component List
Air Delivery Description and Operation
Control Module References
Rear HVAC w/RSA - LWB
B+ Bus - Rear Fuse Block
Ignition Switch - ACCY/RUN/START, RUN, and START Bus Bars, IGN A and CRNK Fuses
HVAC B, LGM/DSM, OH BATT/ONSTAR, and RADIO FUSES
4WD, AIRBAG, ECMI, HVAC, and TRANS Fuses
Underhood Fuse Block
AIR PUMP, EAP, ECM, HDM, HI HEADLAMP-LT, HI HEADLAMP-RT, IGN COILS, LO HEADLAMP-LT, LO HEADLAMP-RT, PCM B and TBC I Fuses
AIR PUMP, EAP, ECM, HDM, HI HEADLAMP-LT, HI HEADLAMP-RT, IGN COILS, LO HEADLAMP-LT, LO HEADLAMP-RT, PCM B and TBC I Fuses
G102
G101, G103, G106, and G110