GM Service Manual Online
For 1990-2009 cars only
Makes
🢒
Isuzu
🢒
2006
🢒
Ascender - 2WD
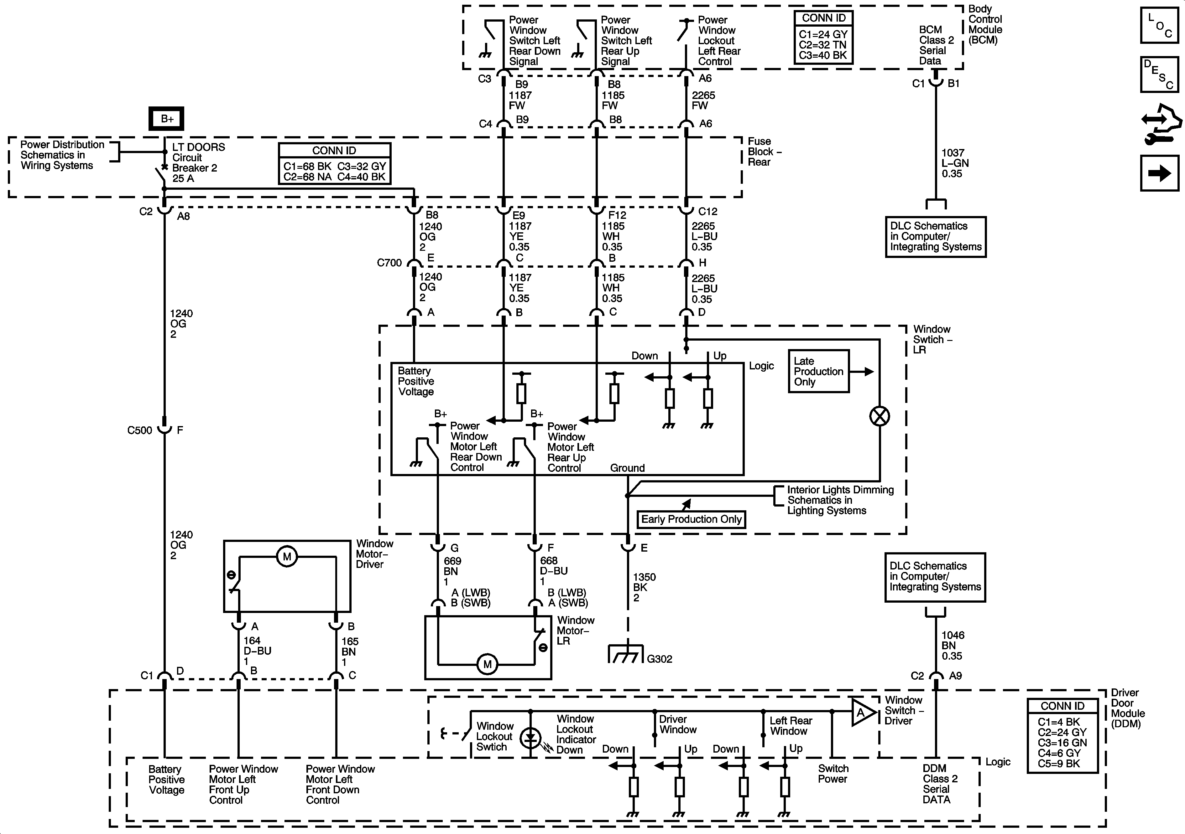
🢒 Power Windows - Left
Power Windows - Left
Power Windows - Left
Master Electrical Component List
Power Windows Description and Operation
Control Module References
Power Windows - Right
AMP, DDM, PDM Fuses, LT DOORS, RT DOORS, and SEATS Circuit Breakers
SP205
I/P Dimming Supply 1 of 2
SP306
G302 - 1 of 2, G303, and G304
Power Windows - Right