GM Service Manual Online
For 1990-2009 cars only
Figure 1:

B+ Bus, Underhood Fuse Block


Object Number: 876093  Size: FS
Master Electrical Component List
TRLR-E BRK,STOP, BLOWER, CIGAR, W/S WASH, A/C, FOG LAMP, PCM B Buses) Fuses
Figure 2:

B+ Bus, Rear Fuse Block


Object Number: 876097  Size: FS
Master Electrical Component List
COILS, ECAS, CANISTER, WASH, IPC/DIC, FLASHER, TBC 1 Fuses
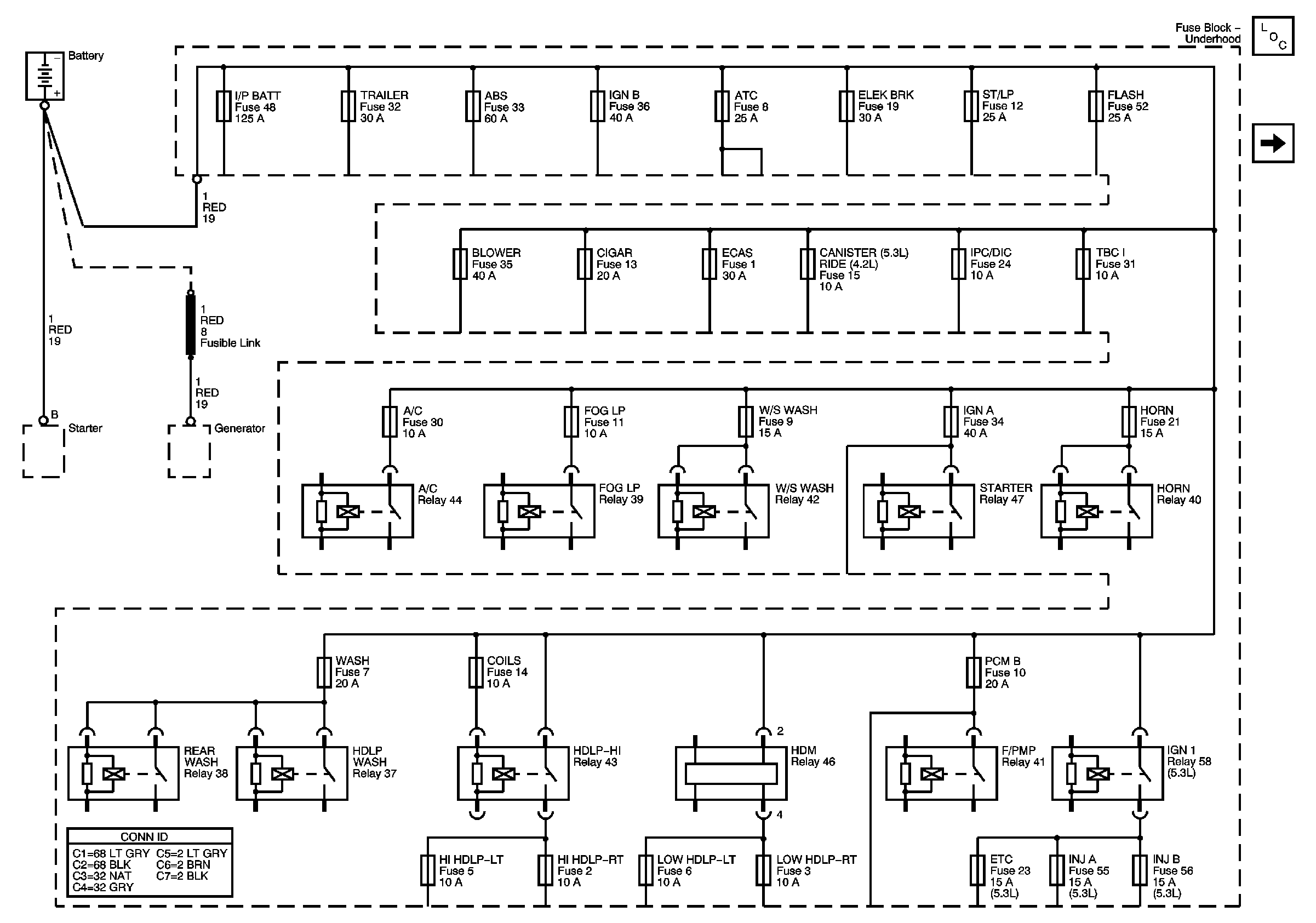
I/P BATT, TRAILER ABS, HORN IGN A, IGN B, ATC Fuses
I/P BATT, TRAILER ABS, HORN IGN A, IGN B, ATC Fuses
Figure 3:

ACCY/RUN/START, RUN, and START Bus Bars


Object Number: 895949  Size: FS
Master Electrical Component List
ETC, INJ A, INJB Fuses (V8 Only)
TRLR-E BRK,STOP, BLOWER, CIGAR, W/S WASH, A/C, FOG LAMP, PCM B Buses) Fuses
I/P BATT, TRAILER ABS, HORN IGN A, IGN B, ATC Fuses
Figure 4:

ACCY/RUN and RUN/START Bus Bars


Object Number: 895954  Size: FS
Master Electrical Component List
IGN E and PCM I Fuses
COILS, ECAS, CANISTER, WASH, IPC/DIC, FLASHER, TBC 1 Fuses
I/P BATT, TRAILER ABS, HORN IGN A, IGN B, ATC Fuses
Figure 5:

TRAILER, ABS, ATC, BLOWER, ELEK BRK, CIGAR, ST/LP, VEH CHMSL and VEH STOP Fuses


Object Number: 902685  Size: FS
Master Electrical Component List
O2 and ENG 1 Fuses
ETC, INJ A, INJB Fuses (V8 Only)
I/P BATT, TRAILER ABS, HORN IGN A, IGN B, ATC Fuses
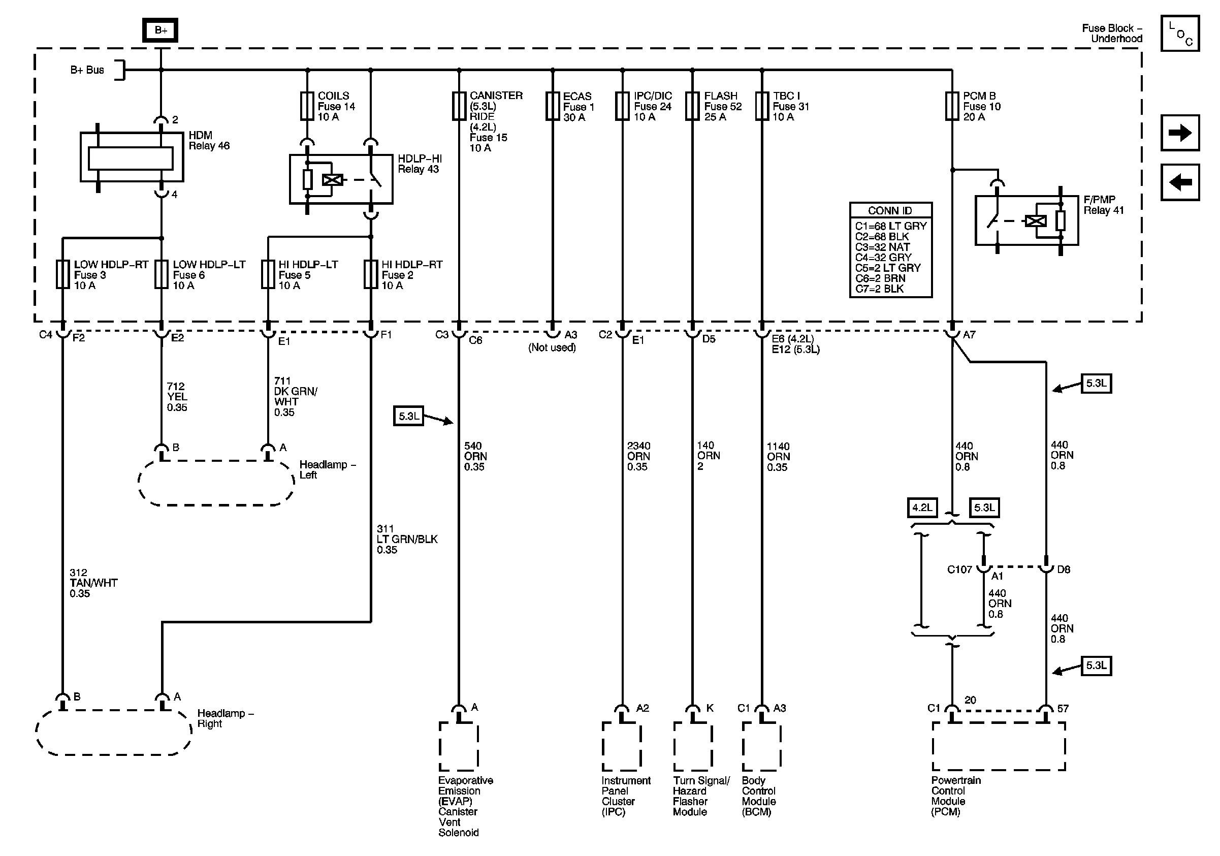
Figure 6:

COILS, CANISTER, ECAS, IPC/DIC, FLASH, TBC I, and PCM B Fuses


Object Number: 876108  Size: FS
Master Electrical Component List
FLASHER, VEHICLE CHMSL, VEHICLE STOP TRLl L TURN, TRL R TURN, LEFT TURN, RIGHT TURN Fuses
IGN E and PCM I Fuses
I/P BATT, TRAILER ABS, HORN IGN A, IGN B, ATC Fuses
Figure 7:

LGM/DSM, OH BATT/ONSTAR, RADIO and HVAC B Fuses


Object Number: 876111  Size: FS
Master Electrical Component List
B/U, SIR, TBC IGN 1, ETC CRANK Fuses
O2 and ENG 1 Fuses
I/P BATT, TRAILER ABS, HORN IGN A, IGN B, ATC Fuses
Figure 8:

ETC, INJ A and INJ B Fuses, 5.3L


Object Number: 895965  Size: FS
Master Electrical Component List
IGN 0, TBC IG, TBC ACC, FRT WIPER ,RAIN SEN, HVAC, 4WD Fuses
FLASHER, VEHICLE CHMSL, VEHICLE STOP TRLl L TURN, TRL R TURN, LEFT TURN, RIGHT TURN Fuses
I/P BATT, TRAILER ABS, HORN IGN A, IGN B, ATC Fuses
Figure 9:

SUNROOF, AUX PWR 2, RR HVAC, AUX PWR 1, TBC 2, TBC 3 and TBC4 Fuses


Object Number: 876112  Size: FS
Master Electrical Component List
HVAC I, BRAKE, TBC RUN Fuses
B/U, SIR, TBC IGN 1, ETC CRANK Fuses
I/P BATT, TRAILER ABS, HORN IGN A, IGN B, ATC Fuses
Figure 10:

TBC 5, DDM, PDM, AMP Fuses, LT DOORS and RT DOORS Circuit Breakers


Object Number: 896001  Size: FS
Master Electrical Component List
LGM/DSM, OH BATT/ONSTAR/PHONE, RADIO, HVAC B Fuses
IGN 0, TBC IG, TBC ACC, FRT WIPER ,RAIN SEN, HVAC, 4WD Fuses
I/P BATT, TRAILER ABS, HORN IGN A, IGN B, ATC Fuses
Figure 11:

RR FOG, LR PARK, RR PARK, F PARK, TR PARK, and LGM 2 Fuses, SEATS and RR WIPER Circuit Breakers


Object Number: 876114  Size: FS
Master Electrical Component List
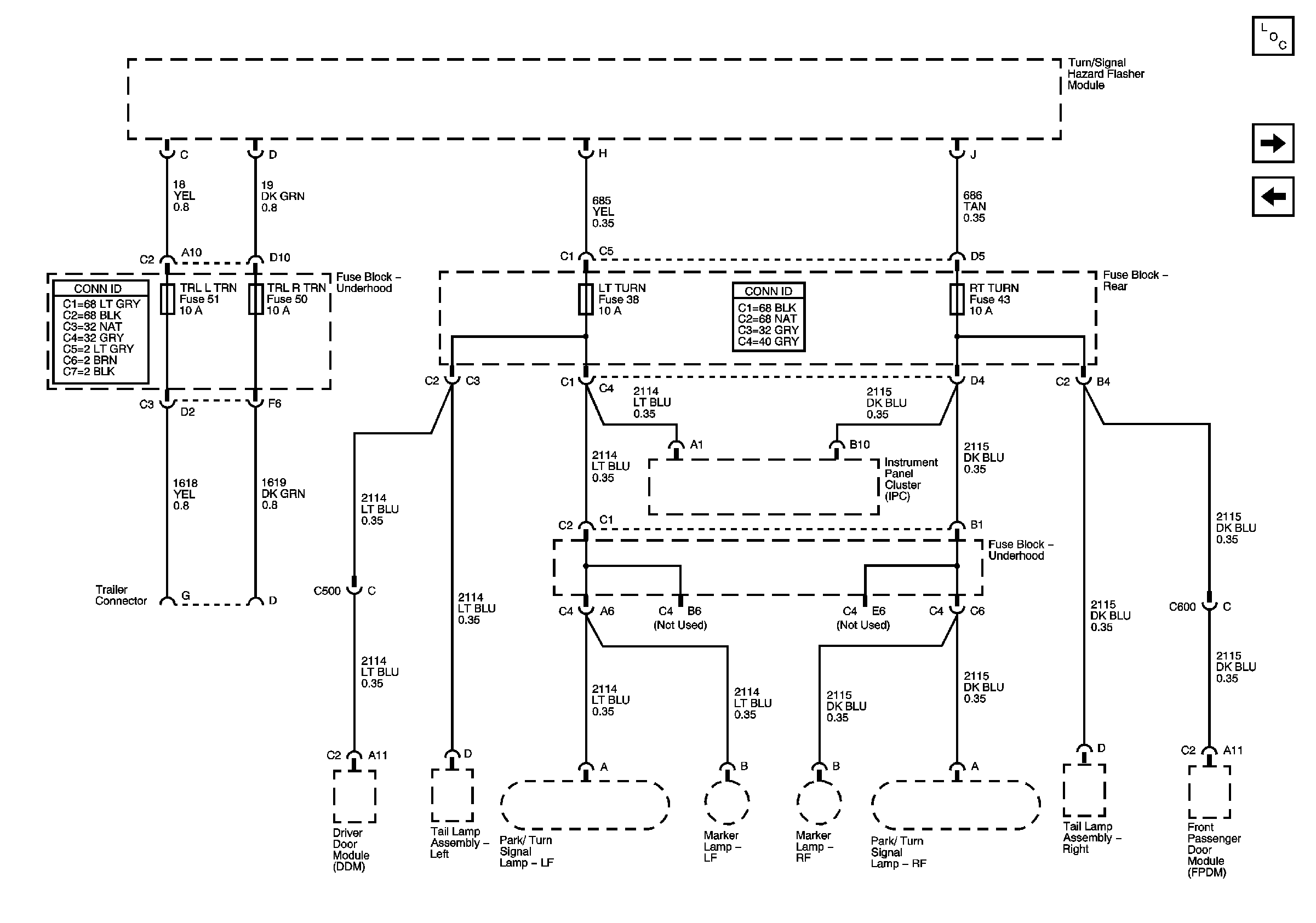
TRL L TRN, TRL R TRN, LT TURN and RT TURN Fuses
HVAC I, BRAKE, TBC RUN Fuses
I/P BATT, TRAILER ABS, HORN IGN A, IGN B, ATC Fuses
Figure 12:

TRL L TRN, TRL R TRN, LT TURN, and RT TURN Fuses


Object Number: 902692  Size: FS
Master Electrical Component List
TBC 5, LT DOORS, DDM;, PDM, RT DOORS Fuses
LGM/DSM, OH BATT/ONSTAR/PHONE, RADIO, HVAC B Fuses
Figure 13:

IGN 0, TBC IG, TBC ACC, FRT WPR and RAIN Fuses


Object Number: 876115  Size: FS
Master Electrical Component List
AUX PWR 2, RRHVAC, AUX PWR 1, TBC 2, TBC 3, TBC 4 Fuses
TRL L TRN, TRL R TRN, LT TURN and RT TURN Fuses
Figure 14:

IGN E, TBC IGN 1 and BACK UP, BTSI and TRLR B/U Fuses


Object Number: 876121  Size: FS
Master Electrical Component List
PCM I Fuse (4.2L Engine)
TBC 5, LT DOORS, DDM;, PDM, RT DOORS Fuses
PCM I Fuse (4.2L Engine)
Figure 15:

PCM I Fuse 4.2L


Object Number: 884742  Size: FS
Master Electrical Component List
PCM I, O2A, O2B and ENG I Fuses (5.3L Engine)
AUX PWR 2, RRHVAC, AUX PWR 1, TBC 2, TBC 3, TBC 4 Fuses
AUX PWR 2, RRHVAC, AUX PWR 1, TBC 2, TBC 3, TBC 4 Fuses
Figure 16:

PCM I, O2A, O2B and ENG I Fuses 5.3L


Object Number: 896022  Size: FS
Master Electrical Component List
AMP, SUNROOF, VENT WDO, REAR WIPER, LGM 2, SEATS, LR/RR LOCKS Fuses Fuses
PCM I Fuse (4.2L Engine)
PCM I Fuse (4.2L Engine)
Figure 17:

O2, ETC, ENG I, SIR, HVAC and 4WD Fuses


Object Number: 876117  Size: FS
Master Electrical Component List
HVAC I, BRAKE and TBC RUN Fuses
PCM I, O2A, O2B and ENG I Fuses (5.3L Engine)
SIR Caution for Zoning
PCM I, O2A, O2B and ENG I Fuses (5.3L Engine)
Figure 18:

HVAC I, BRAKE and TBC RUN Fuses


Object Number: 902689  Size: FS
Master Electrical Component List
AMP, SUNROOF, VENT WDO, REAR WIPER, LGM 2, SEATS, LR/RR LOCKS Fuses Fuses
AMP, SUNROOF, VENT WDO, REAR WIPER, LGM 2, SEATS, LR/RR LOCKS Fuses Fuses