GM Service Manual Online
For 1990-2009 cars only
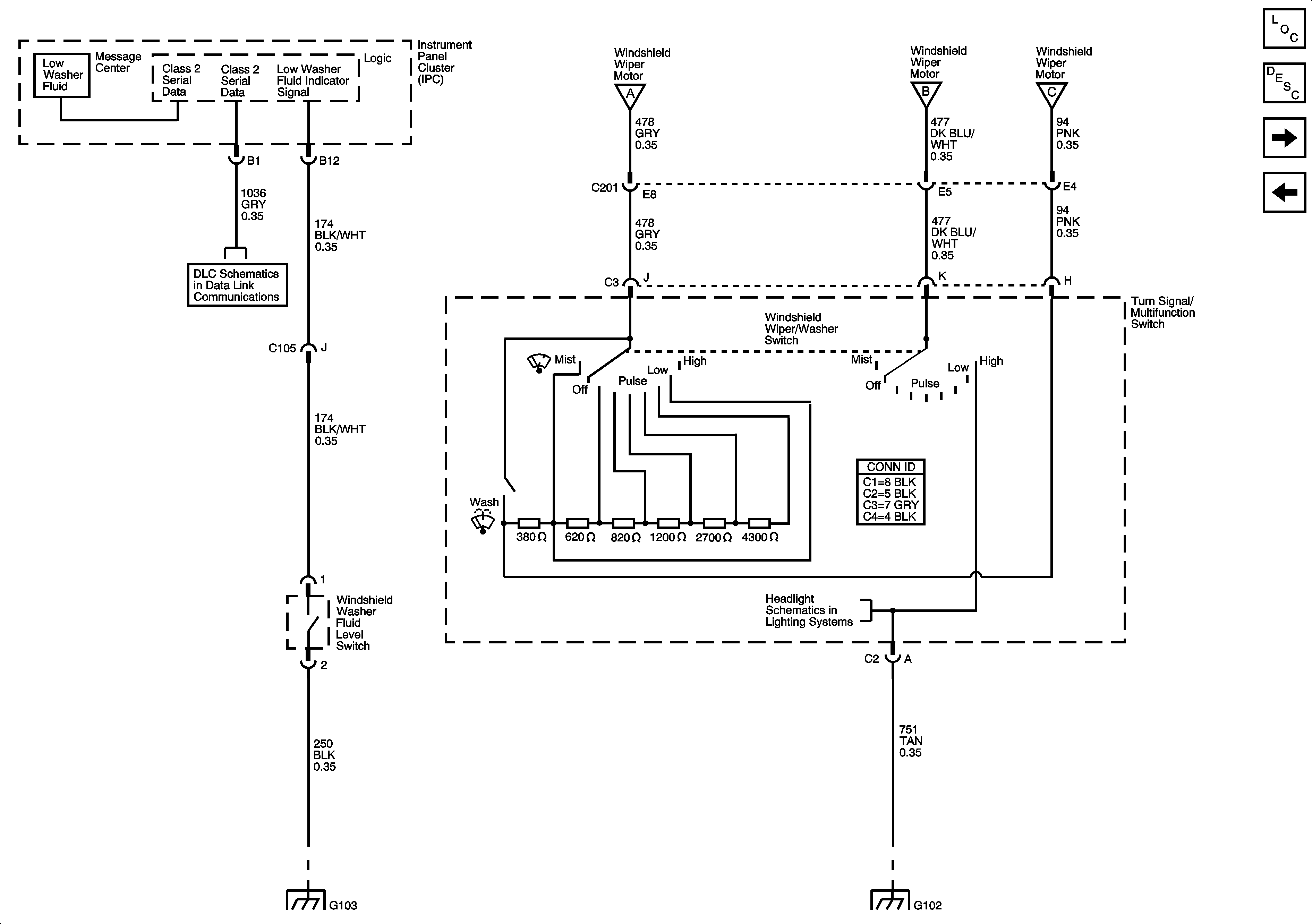
Figure 1:

Outside Moisture Sensor and Front Wiper/Washer Motor


Object Number: 884006  Size: FS
Master Electrical Component List
Wiper/Washer System Description and Operation
Wiper/Washer Switch and Washer Fluid Level Switch
G101, G103, G106, and G110
Wiper/Washer Switch and Washer Fluid Level Switch
G102, G104, G105, and G107
G302-1 of 2, G303, and G304
TBC 5, LT DOORS, DDM;, PDM, RT DOORS Fuses
TBC 5, LT DOORS, DDM;, PDM, RT DOORS Fuses
I/P BATT, TRAILER ABS, HORN IGN A, IGN B, ATC Fuses
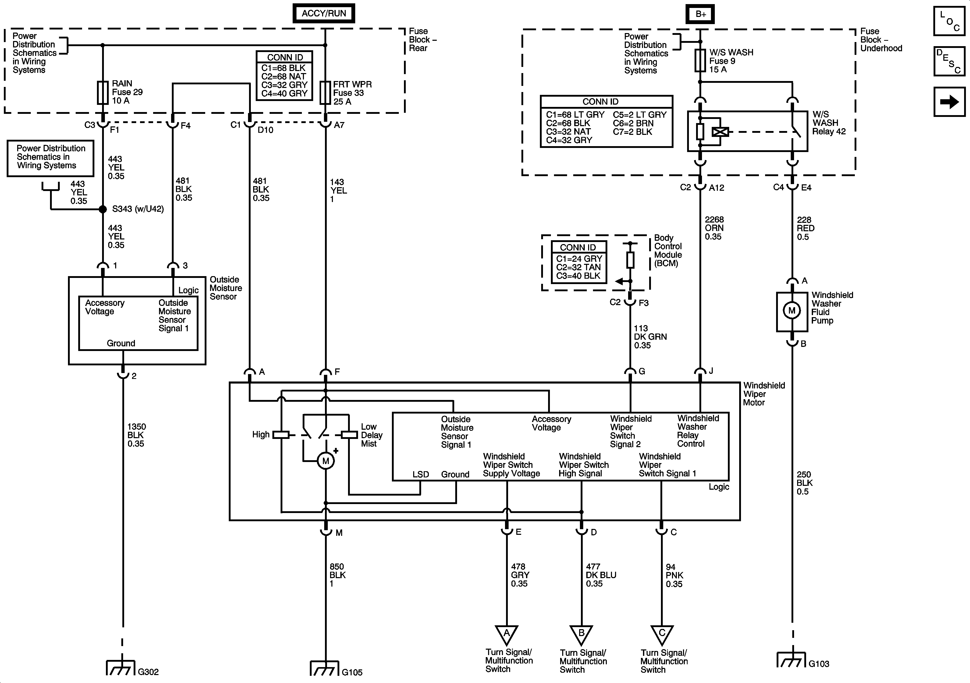
Figure 2:

Wiper/Washer Switch and Washer Fluid Level Switch


Object Number: 884008  Size: FS
Master Electrical Component List
Wiper/Washer System Description and Operation
Rear Wiper/Washer
Front Wiper/Washer Motor
G102, G104, G105, and G107
Headlamp Switch
G101, G103, G106, and G110
Data Link Communication
Front Wiper/Washer Motor
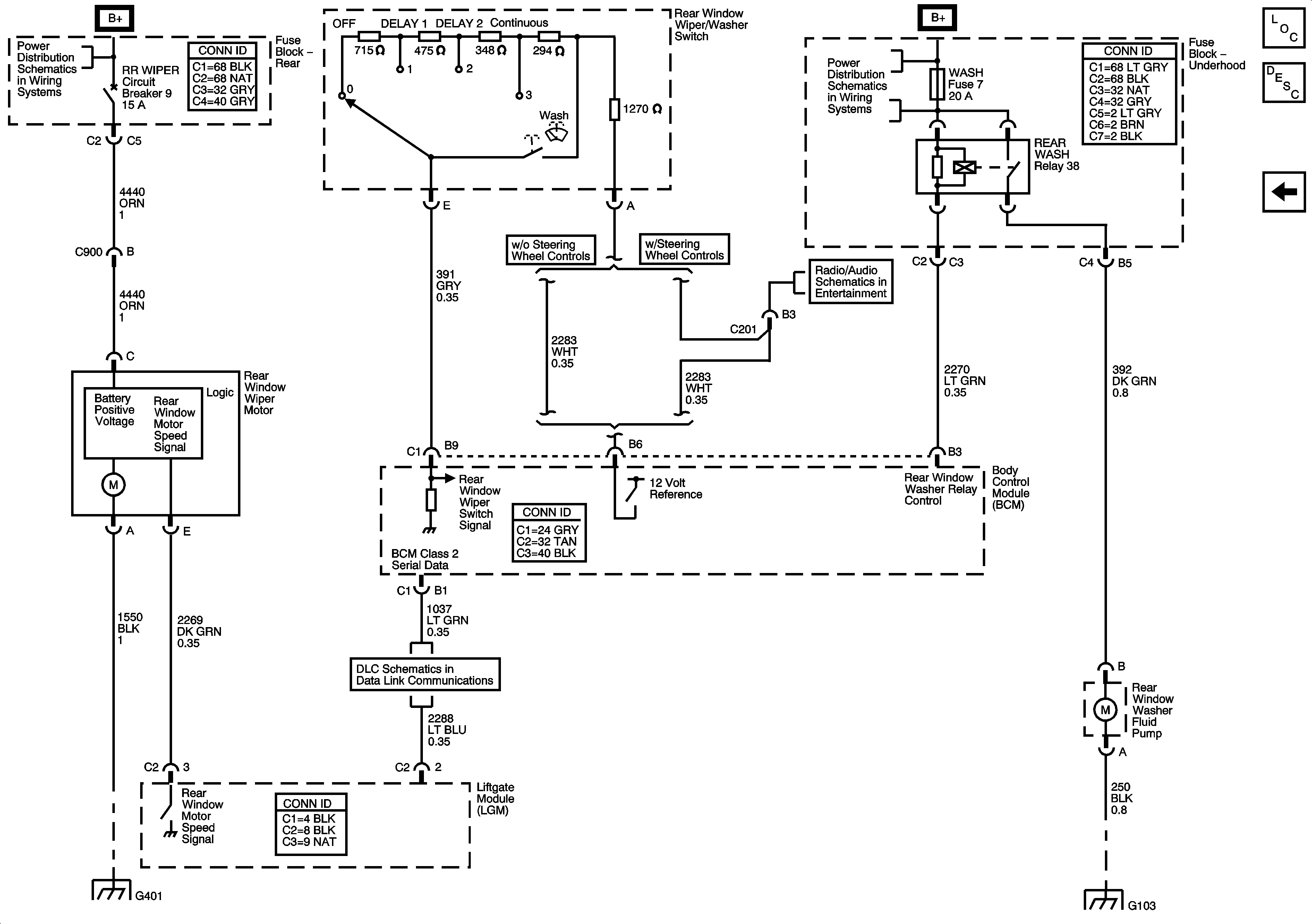
Figure 3:

Rear Wiper/Washer


Object Number: 884011  Size: FS
Master Electrical Component List
Wiper/Washer System Description and Operation
Wiper/Washer Switch and Washer Fluid Level Switch
G101, G103, G106, and G110
Data Link Communication
G401, G402, and G403
TRLR-E BRK,STOP, BLOWER, CIGAR, W/S WASH, A/C, FOG LAMP, PCM B Buses) Fuses
Steering Wheel Controls
I/P BATT, TRAILER ABS, HORN IGN A, IGN B, ATC Fuses