GM Service Manual Online
For 1990-2009 cars only
Makes
🢒
Isuzu
🢒
2003
🢒
Ascender - 4WD
🢒
Body and Accessories
🢒
Roof
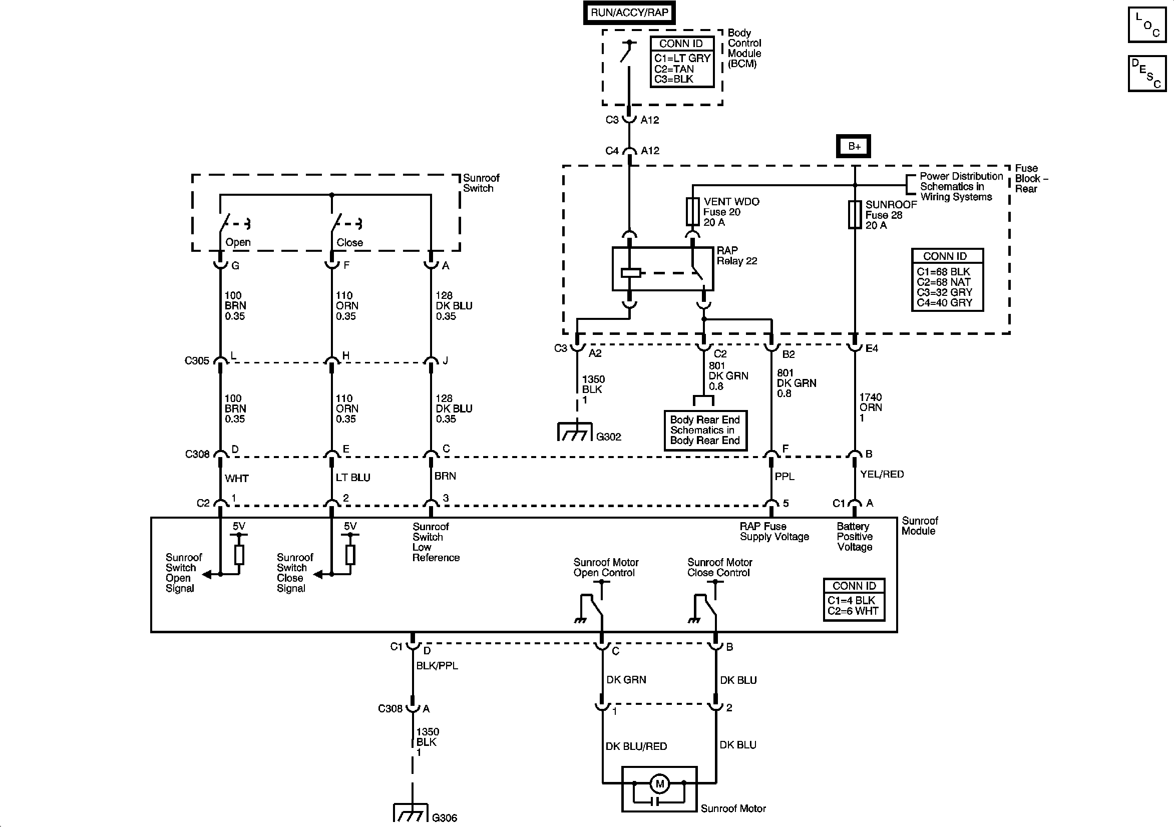
🢒 Sunroof Schematics