GM Service Manual Online
For 1990-2009 cars only
Figure 1:

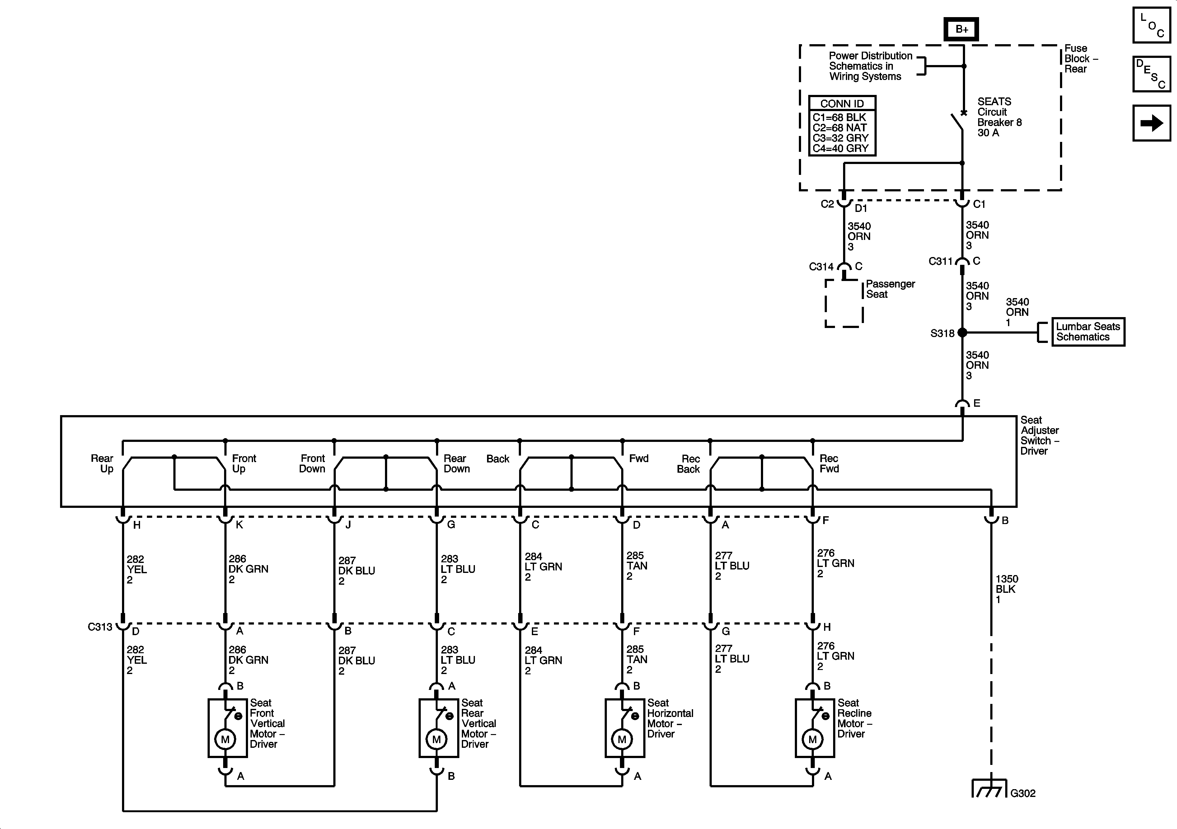
Driver w/o Memory


Object Number: 864024  Size: FS
Master Electrical Component List
Power Seats System Description and Operation
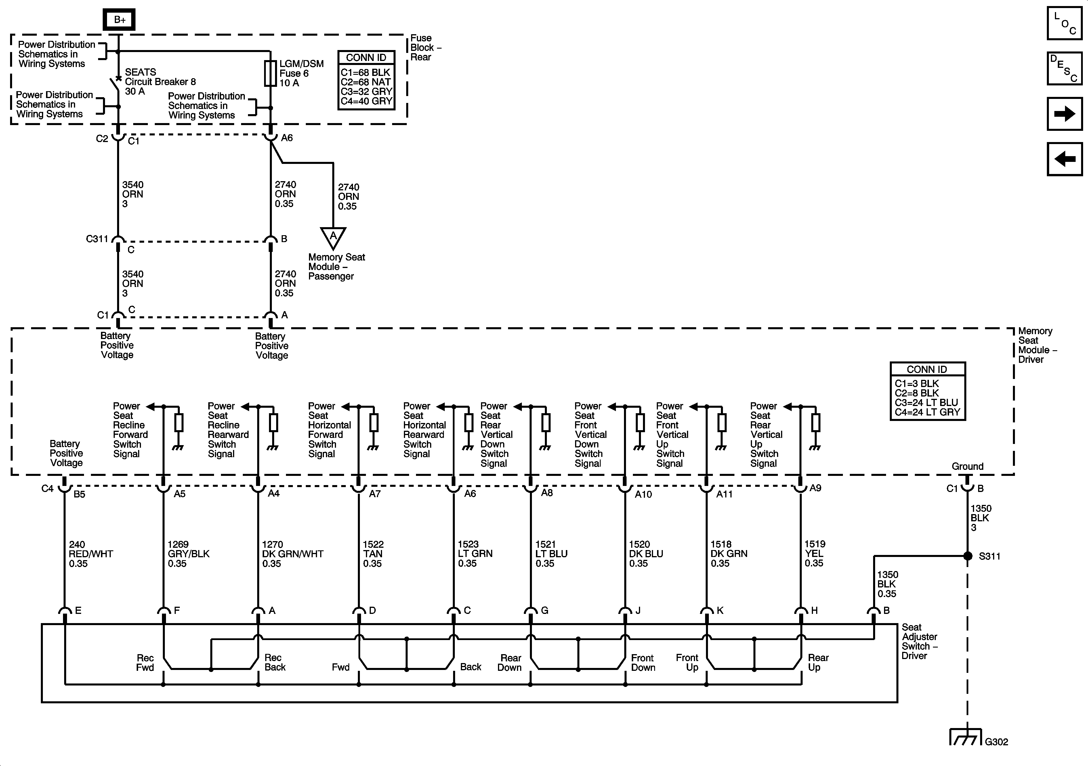
Driver w/Memory - Power, Ground, and Controls
TRLR-E BRK,STOP, BLOWER, CIGAR, W/S WASH, A/C, FOG LAMP, PCM B Buses) Fuses
Driver Controls w/o Memory
G302-1 of 2, G303, and G304
Figure 2:

Driver w/Memory - Power, Ground, and Controls


Object Number: 744057  Size: FS
Master Electrical Component List
Power Seats System Description and Operation
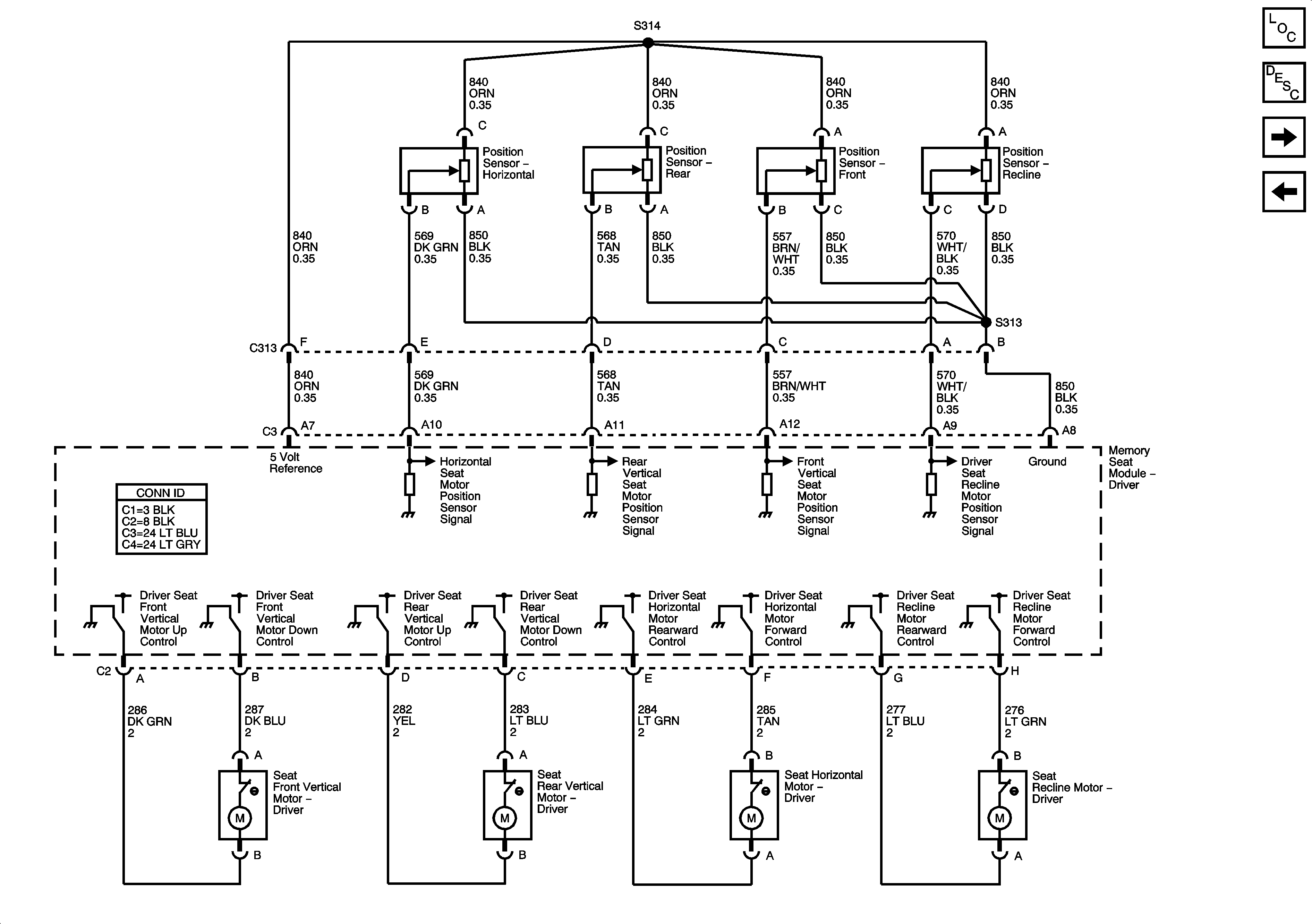
Driver w/Memory - Motors and Position Sensors
Driver w/o Memory
TRLR-E BRK,STOP, BLOWER, CIGAR, W/S WASH, A/C, FOG LAMP, PCM B Buses) Fuses
LGM/DSM, OH BATT/ONSTAR/PHONE, RADIO, HVAC B Fuses
FLASHER, VEHICLE CHMSL, VEHICLE STOP TRLl L TURN, TRL R TURN, LEFT TURN, RIGHT TURN Fuses
Passenger w/Heat
Driver w/Memory - Motors and Position Sensors
G302-1 of 2, G303, and G304
Figure 3:

Driver w/Memory - Motors and Position Sensors


Object Number: 1239725  Size: FS
Master Electrical Component List
Power Seats System Description and Operation
Passenger w/o Heat
Driver w/Memory - Power, Ground, and Controls
Driver w/Memory - Power, Ground, and Controls
Figure 4:

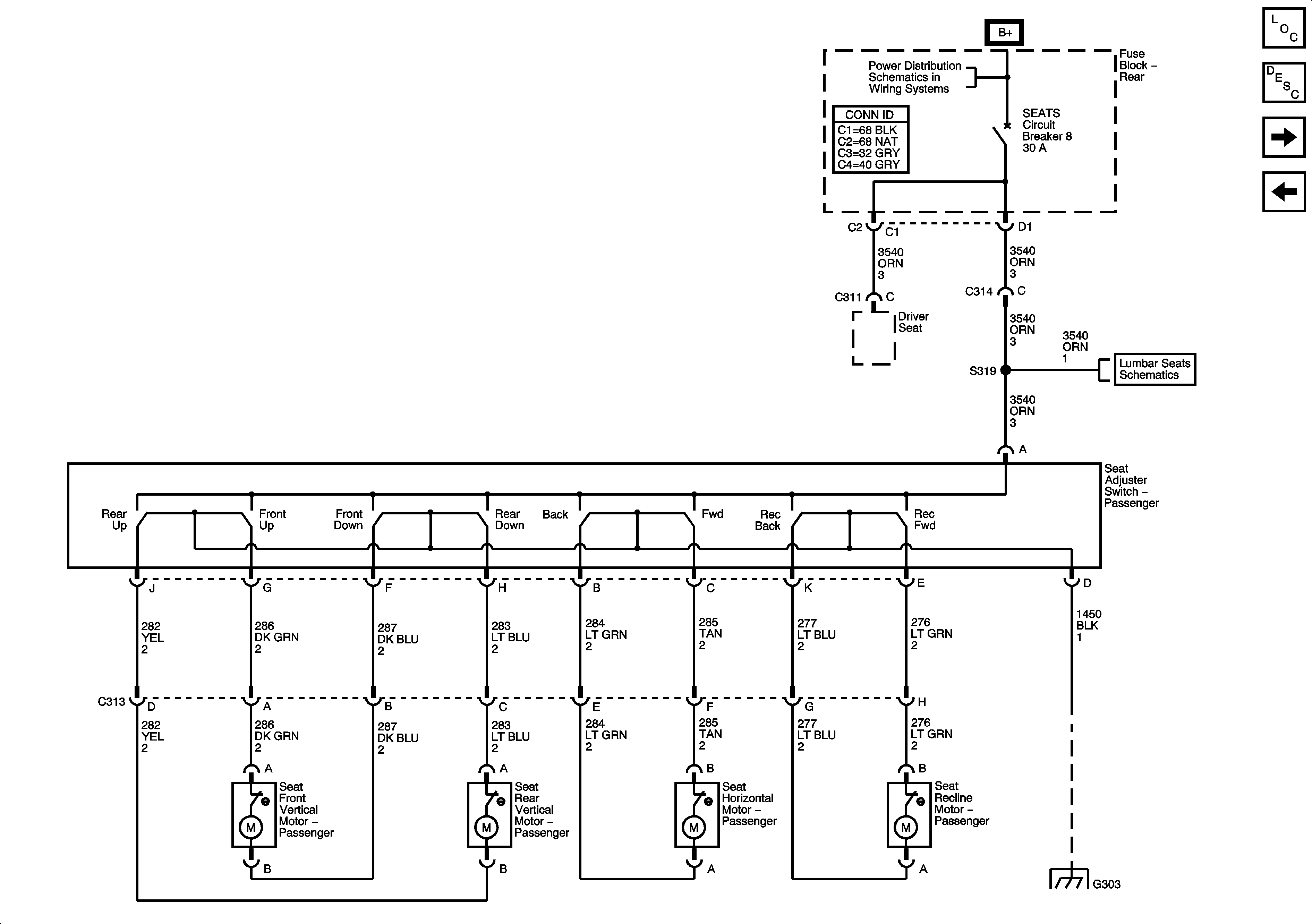
Passenger w/o Heat


Object Number: 864025  Size: FS
Master Electrical Component List
Power Seats System Description and Operation
Passenger w/Heat
Driver w/Memory - Motors and Position Sensors
TRLR-E BRK,STOP, BLOWER, CIGAR, W/S WASH, A/C, FOG LAMP, PCM B Buses) Fuses
Passenger Controls w/o Heat
G302-1 of 2, G303, and G304
Figure 5:

Passenger w/Heat


Object Number: 744058  Size: FS
Master Electrical Component List
Power Seats System Description and Operation
Passenger w/o Heat
TRLR-E BRK,STOP, BLOWER, CIGAR, W/S WASH, A/C, FOG LAMP, PCM B Buses) Fuses
LGM/DSM, OH BATT/ONSTAR/PHONE, RADIO, HVAC B Fuses
Driver w/Memory - Power, Ground, and Controls
G302-1 of 2, G303, and G304