GM Service Manual Online
For 1990-2009 cars only
Makes
🢒
Isuzu
🢒
2003
🢒
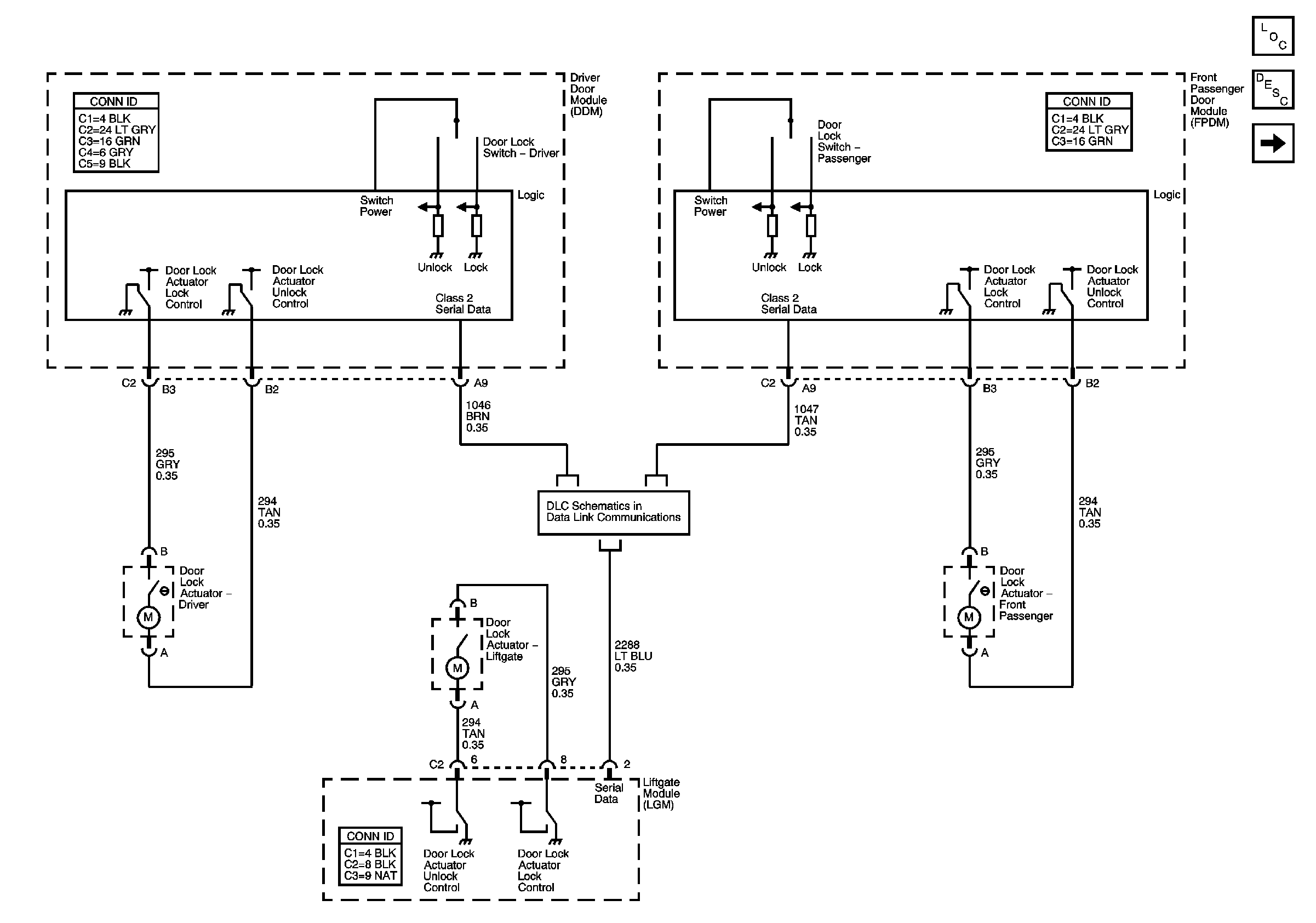
Ascender - 4WD
🢒 Front and Liftgate
Front and Liftgate
Front and Liftgate