GM Service Manual Online
For 1990-2009 cars only
Makes
🢒
Isuzu
🢒
2003
🢒
Ascender - 4WD
🢒 Engine Cooling
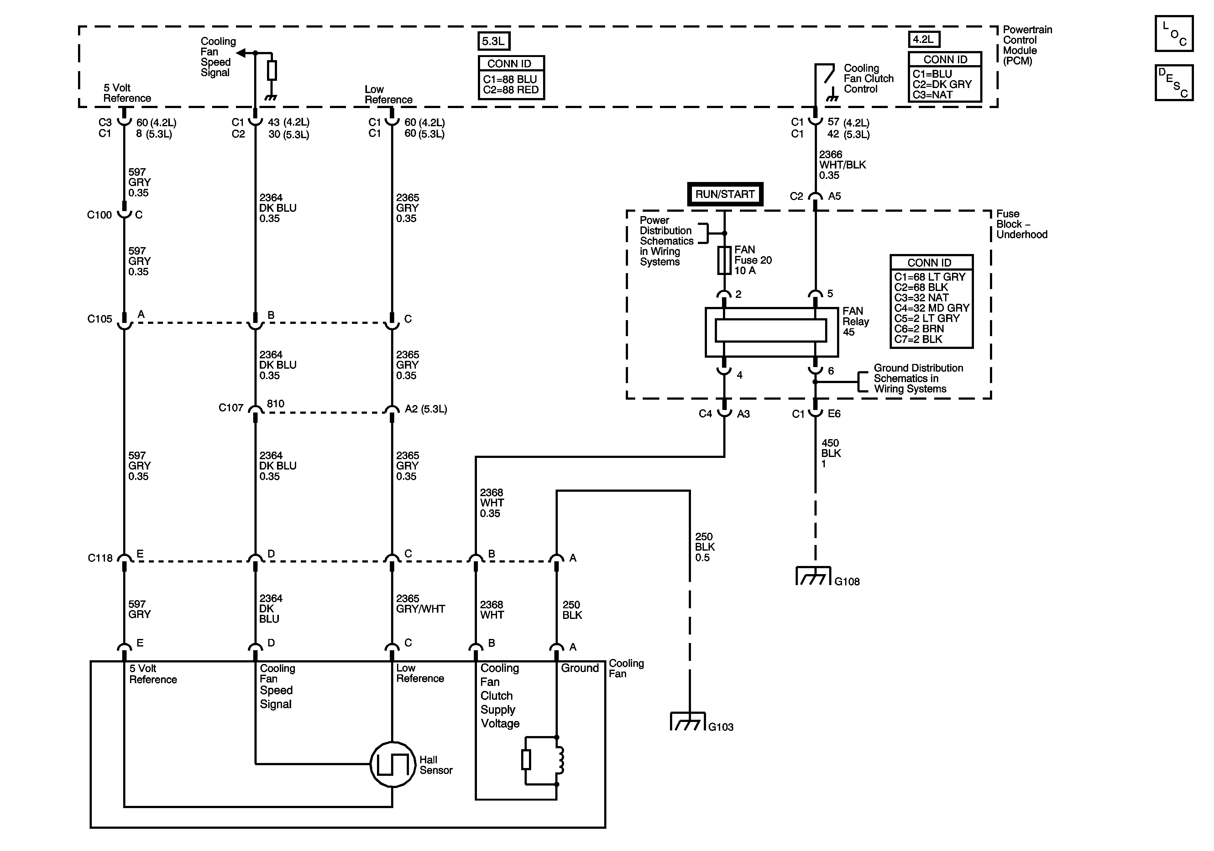
Engine Cooling
Master Electrical Component List
Cooling System Description and Operation
G101, G103, G106, and G110
G108
ETC, INJ A, INJB Fuses (V8 Only)