GM Service Manual Online
For 1990-2009 cars only
Makes
🢒
Isuzu
🢒
2003
🢒
Ascender - 4WD
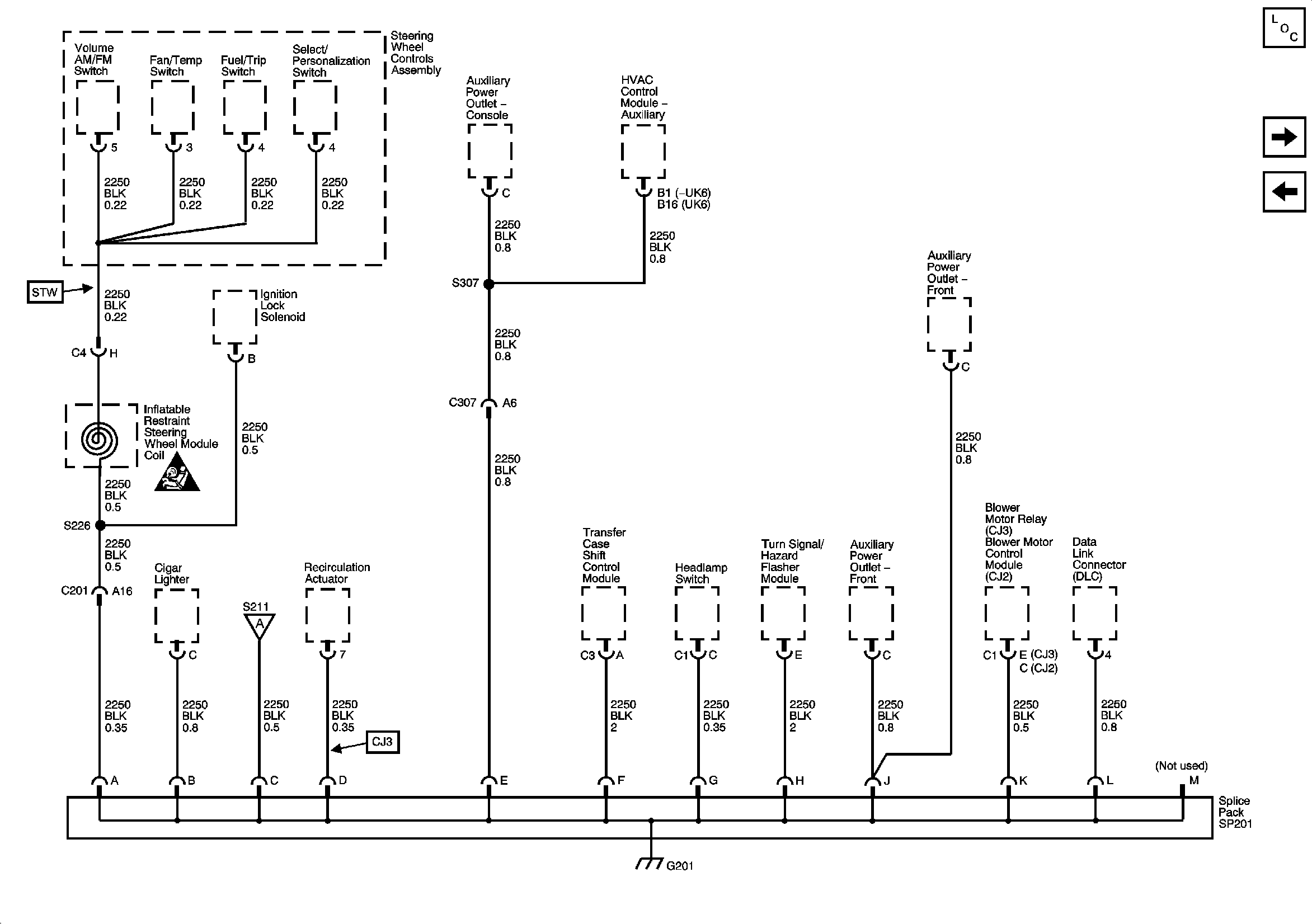
🢒 G201, 1 of 2
G201, 1 of 2
G201-1 of 2
Master Electrical Component List
G201-2 of 2, G305, G306
G109
G201-2 of 2, G305, G306
SIR Caution for Zoning