GM Service Manual Online
For 1990-2009 cars only
Makes
🢒
Isuzu
🢒
2004
🢒
Ascender - 4WD
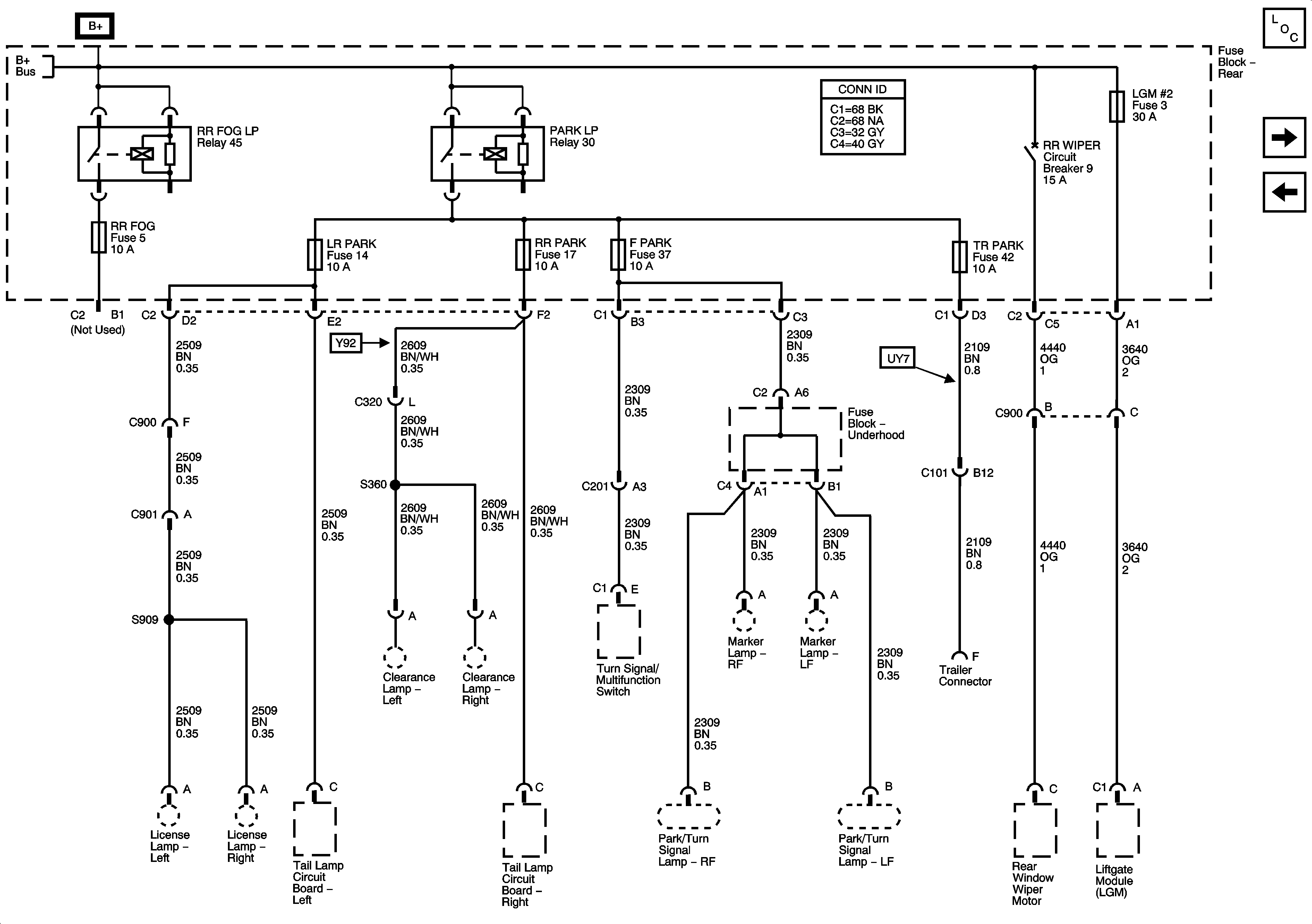
🢒 RR FOG, LR PARK, RR PARK, F PARK, TR PARK, LGM #2 Fuses, and RR WIPER Circuit Breaker
RR FOG, LR PARK, RR PARK, F PARK, TR PARK, LGM #2 Fuses, and RR WIPER Circuit Breaker
RR FOG, LR PARK, RR PARK, F PARK, TR PARK, LGM #2 Fuses, and RR WIPER Circuit Breaker
Master Electrical Component List
TRL L TRN, TRL R TRN, LT TURN, and RT TURN Fuses
DDM, PDM, AMP Fuses, SEATS, LT DOORS, and RT DOORS Circuit Breakers
B+ Bus - Rear Fuse Block