GM Service Manual Online
For 1990-2009 cars only
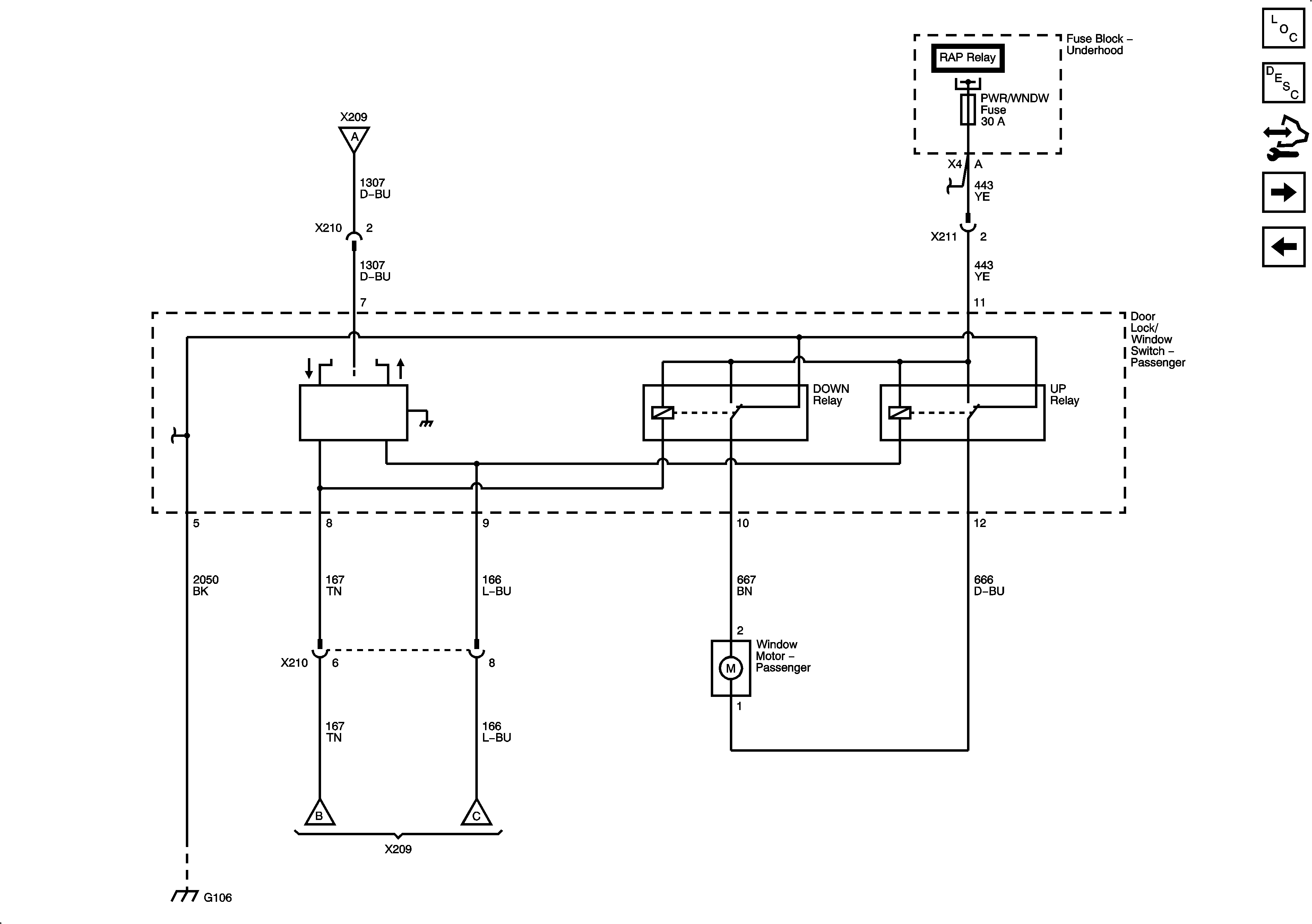
Figure 1:

Left - Except Crew Cab


Object Number: 1907305  Size: FS
Master Electrical Component List
Power Windows Description and Operation
Control Module References
Right - Except Crew Cab
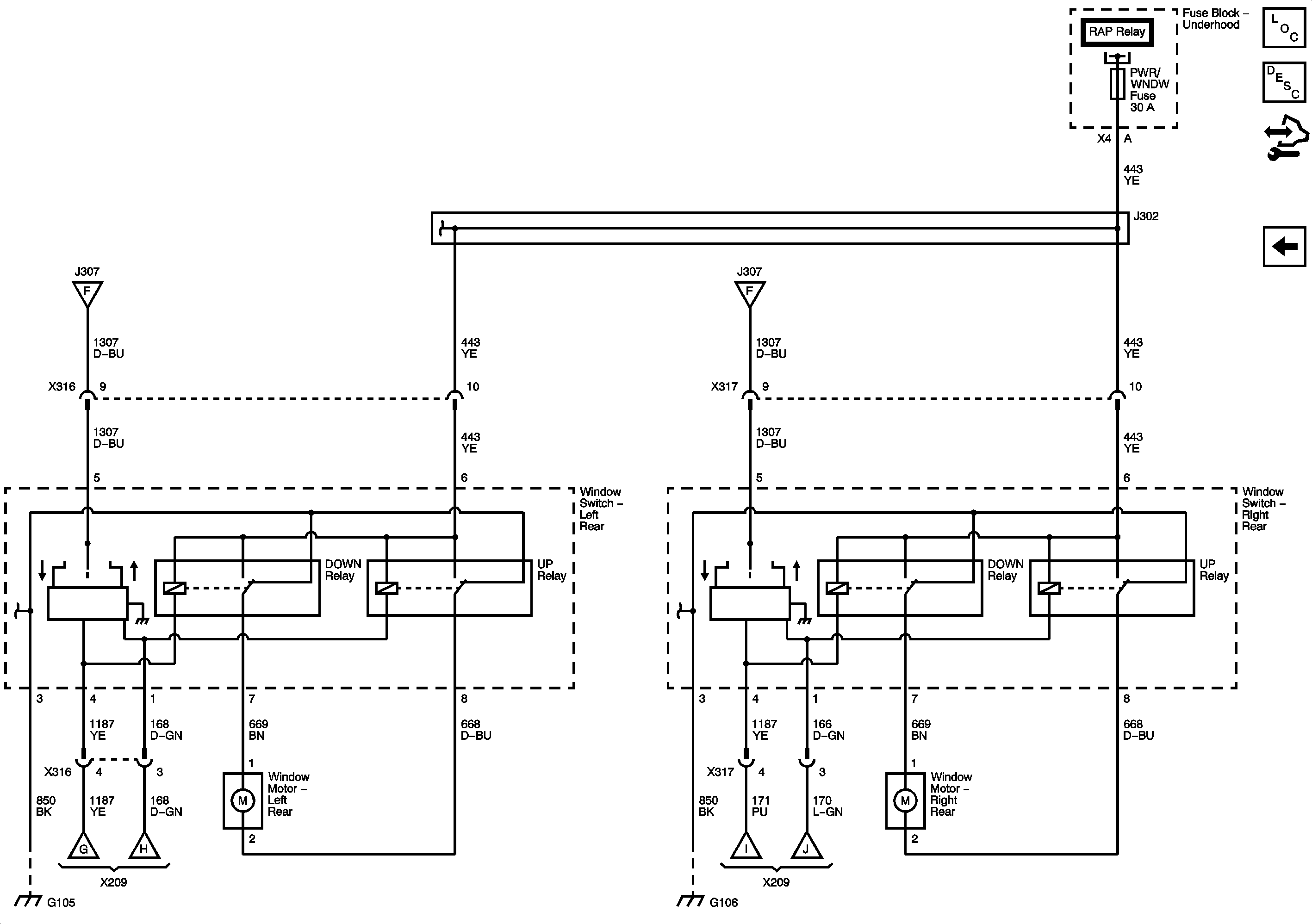
Figure 2:

Right - Except Crew Cab


Object Number: 1907310  Size: FS
Master Electrical Component List
Power Windows Description and Operation
Control Module References
Left Front - Crew Cab
Left - Except Crew Cab
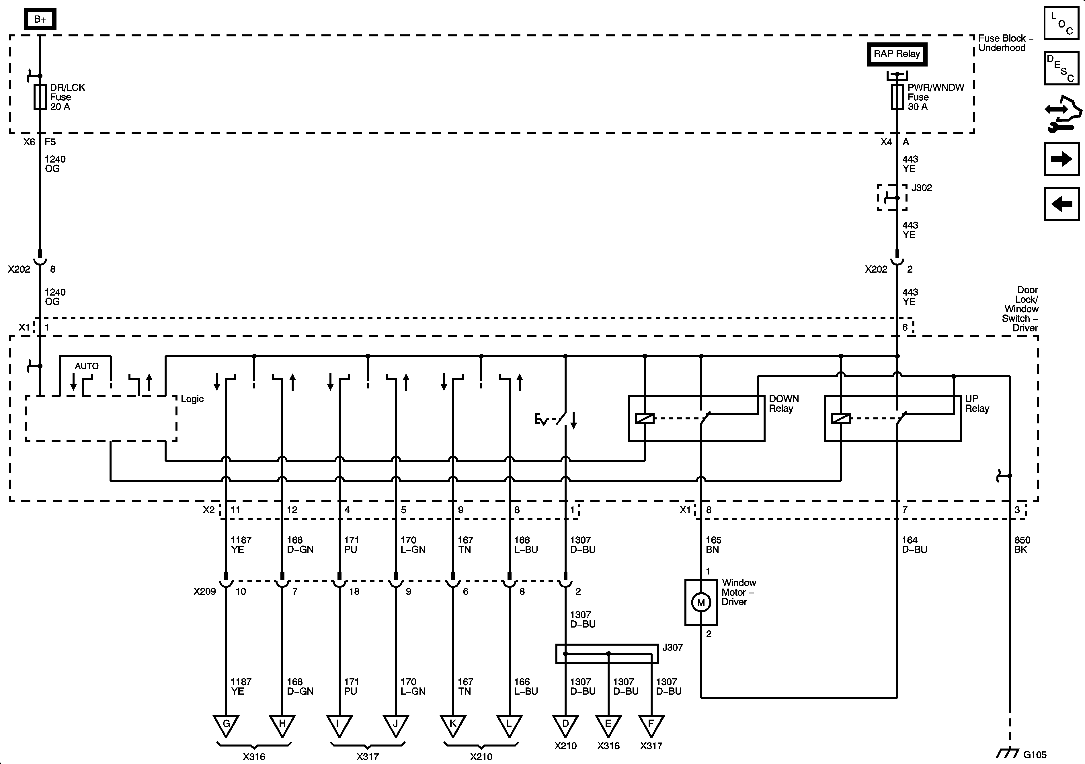
Figure 3:

Left Front - Crew Cab


Object Number: 1907312  Size: FS
Master Electrical Component List
Power Windows Description and Operation
Control Module References
Right Front - Crew Cab
Right - Except Crew Cab
Figure 4:

Right Front - Crew Cab


Object Number: 1907323  Size: FS
Master Electrical Component List
Power Windows Description and Operation
Control Module References
Rear Doors - Crew Cab
Left Front - Crew Cab
Figure 5:

Rear Doors - Crew Cab


Object Number: 1907326  Size: FS
Master Electrical Component List
Power Windows Description and Operation
Control Module References
Right Front - Crew Cab