GM Service Manual Online
For 1990-2009 cars only
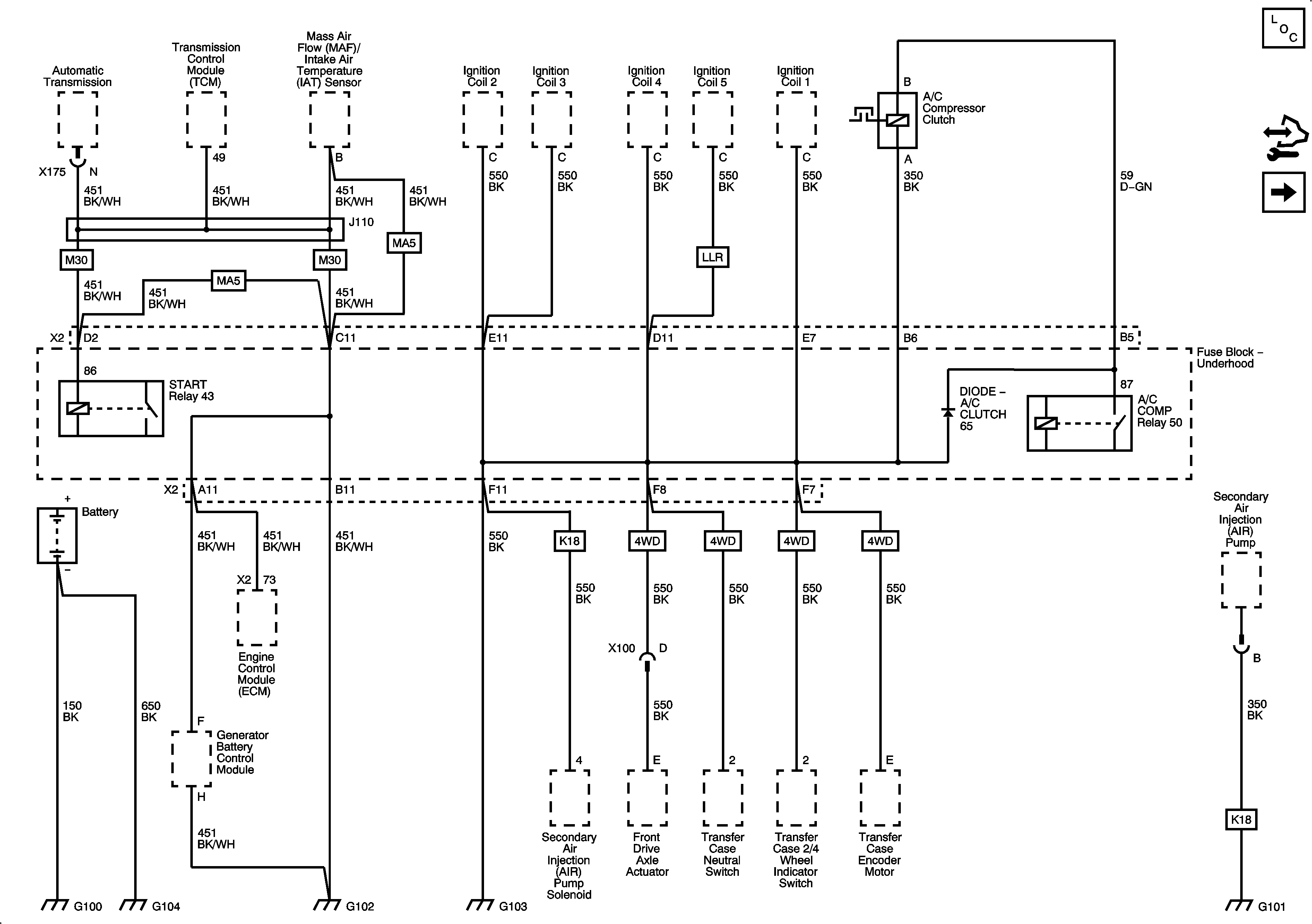
Figure 1:

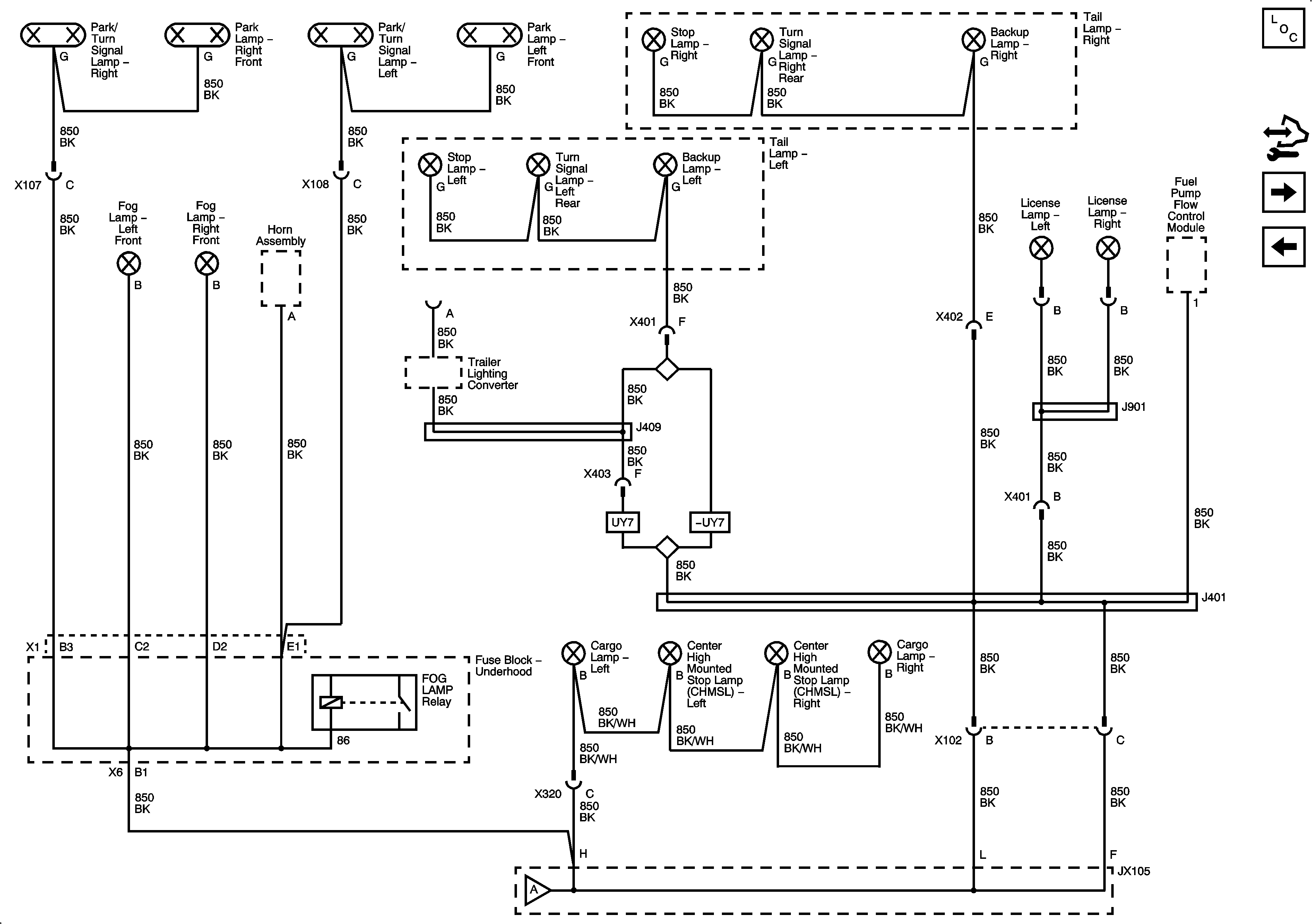
G100, G101, G102, G103, and G104


Object Number: 2082655  Size: FS
Figure 2:

G105 - 1 of 2


Object Number: 2082658  Size: FS
Figure 3:

G105 - 2 of 2


Object Number: 2082660  Size: FS
Figure 4:

G106 - 1 of 2


Object Number: 2082662  Size: FS
Figure 5:

G106 - 2 of 2


Object Number: 2082664  Size: FS
Figure 6:

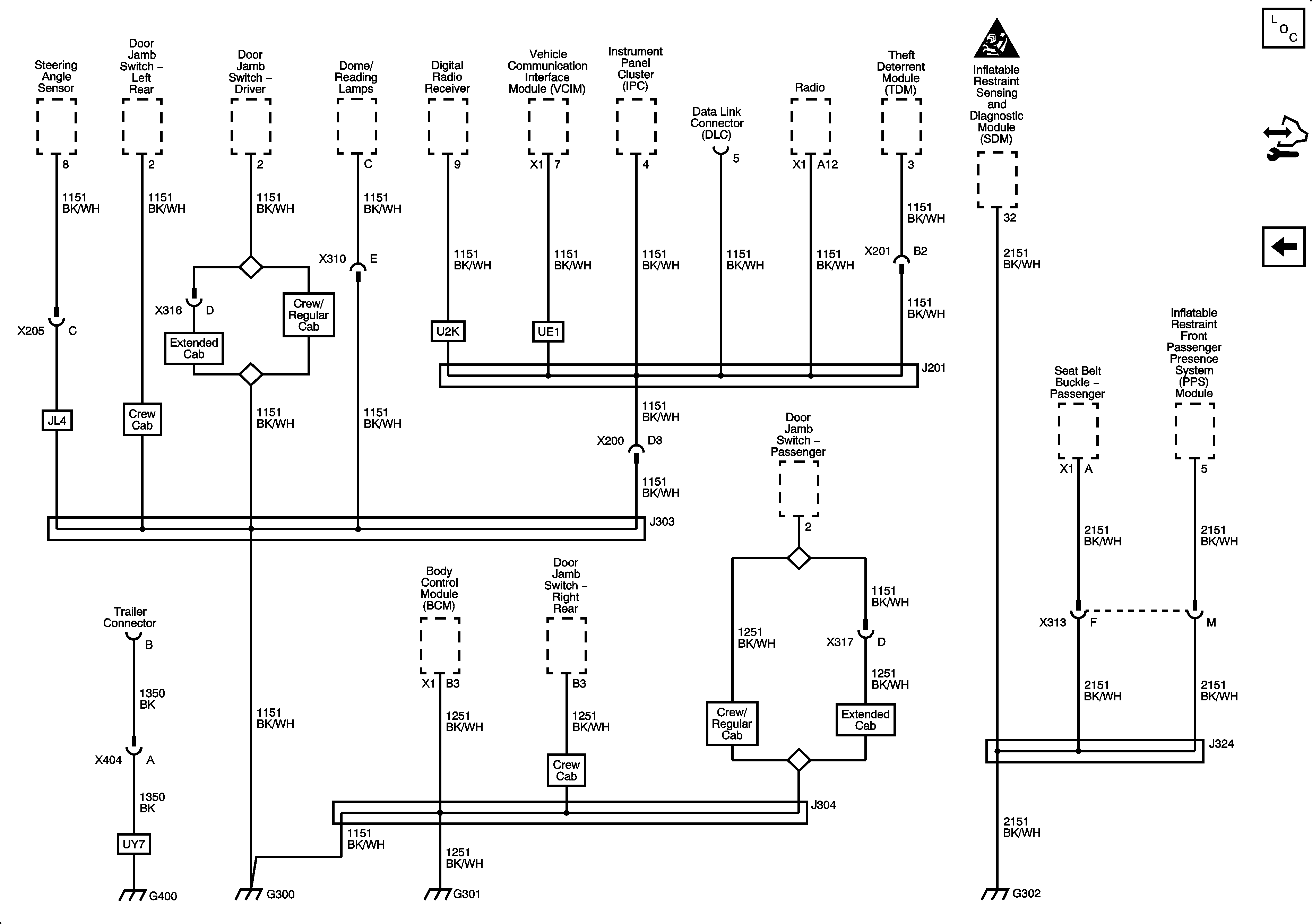
G300, G301, and G302


Object Number: 2082666  Size: FS