GM Service Manual Online
For 1990-2009 cars only
Figure 1:

Module Power, Ground, Serial Data, and MIL


Object Number: 2082673  Size: FS
Figure 2:

Engine Data Sensors - 5-Volt and Low Reference


Object Number: 2082675  Size: FS
Figure 3:

Engine Data Sensors - Pressure and Temperature


Object Number: 2082677  Size: FS
Figure 4:

Engine Data Sensors - Heated Oxygen Sensors


Object Number: 2082679  Size: FS
Figure 5:

Engine Data Sensors - Throttle Controls


Object Number: 2082681  Size: FS
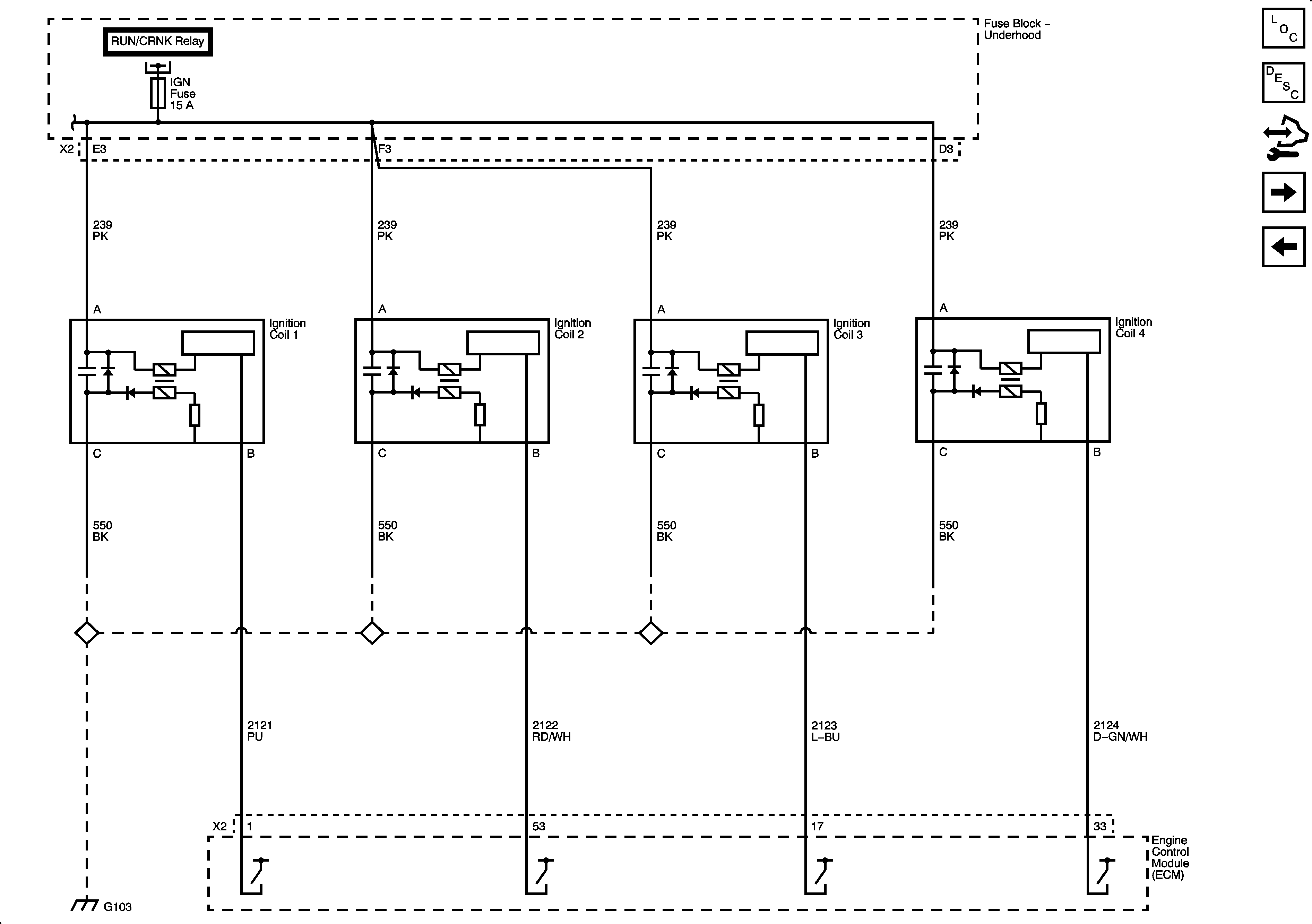
Figure 6:

Ignition Controls - Ignition System Coils


Object Number: 2082684  Size: FS
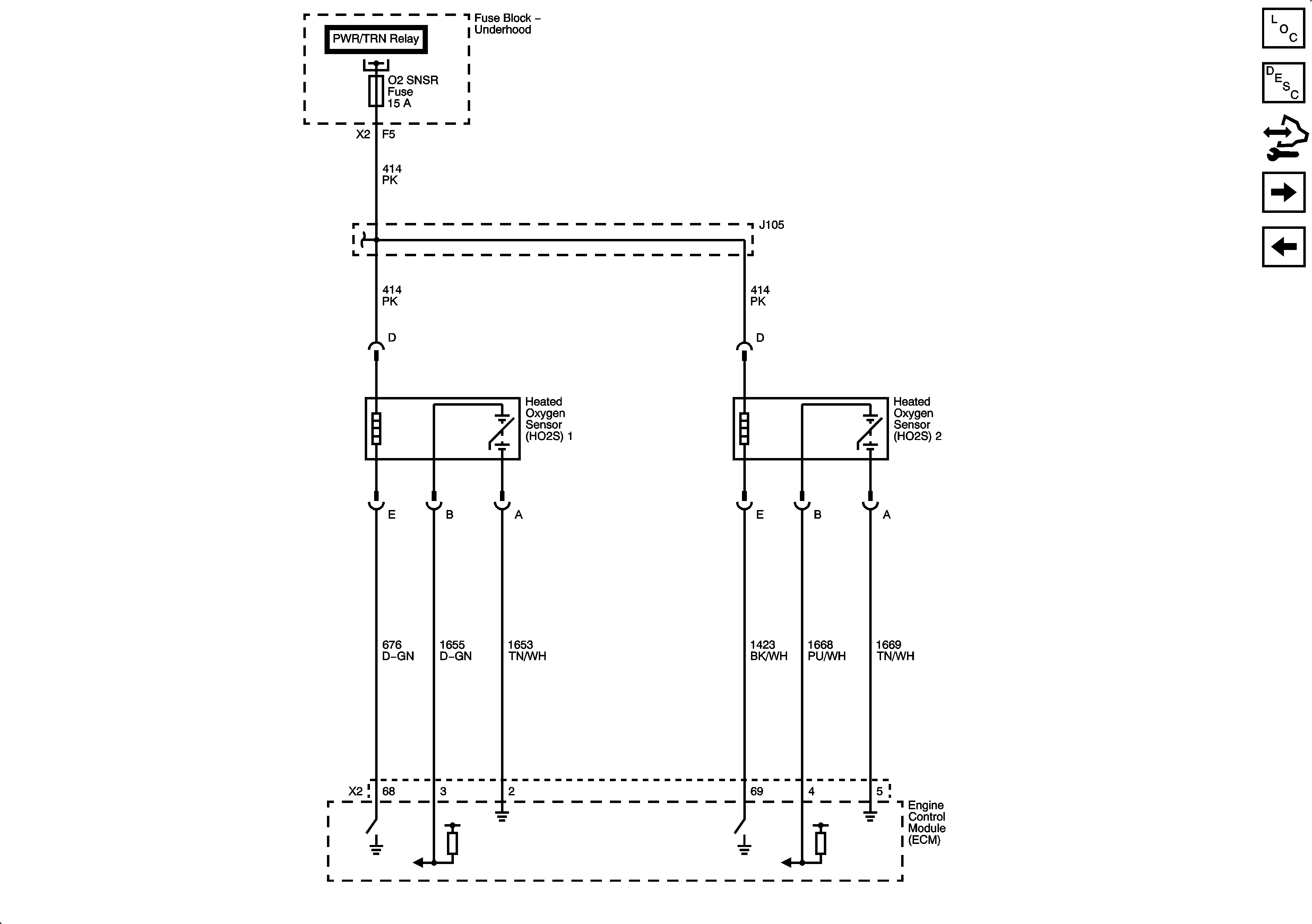
Figure 7:

Ignition Controls - Sensors


Object Number: 2082686  Size: FS
Figure 8:

Fuel Controls - Fuel Injectors


Object Number: 2082688  Size: FS
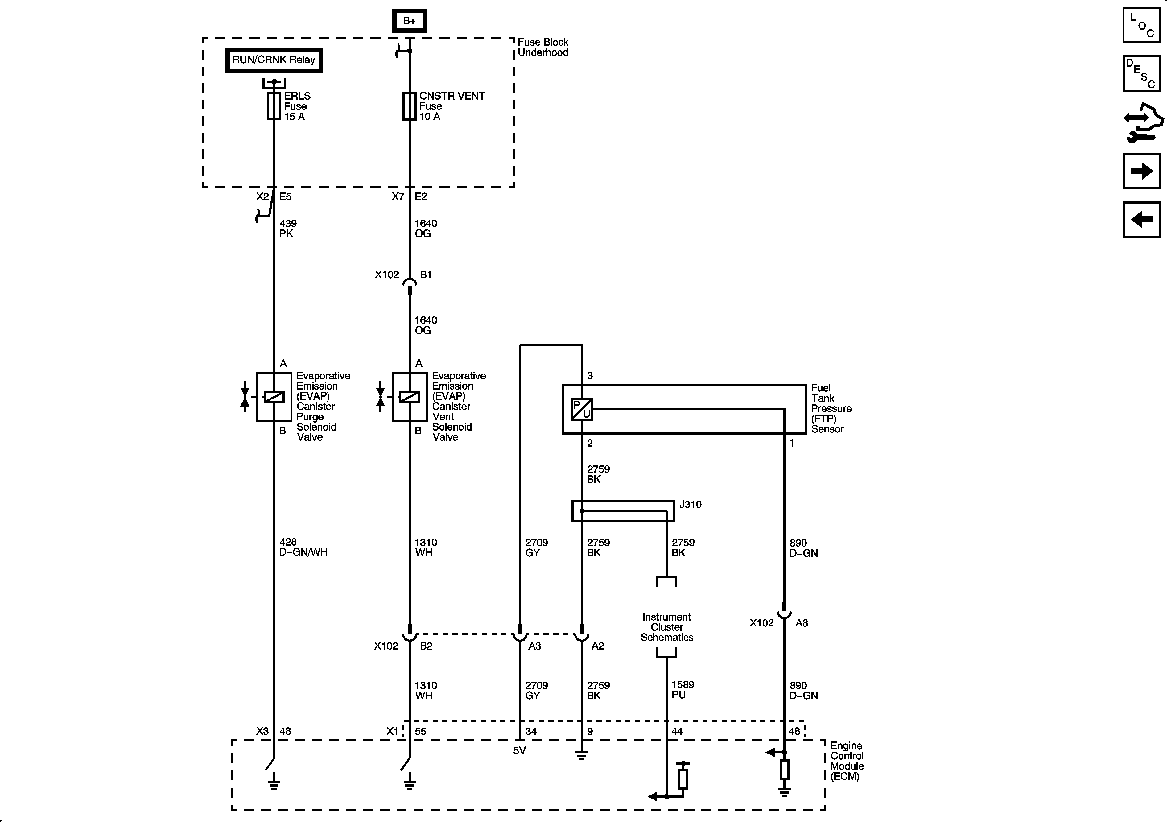
Figure 9:

Fuel Controls - Fuel Pump and EVAP Controls


Object Number: 2082690  Size: FS
Figure 10:

Fuel Controls - Fuel Pump Controls


Object Number: 2084820  Size: FS
Figure 11:

Device Controls - Secondary Air Injection K18


Object Number: 2167045  Size: FS
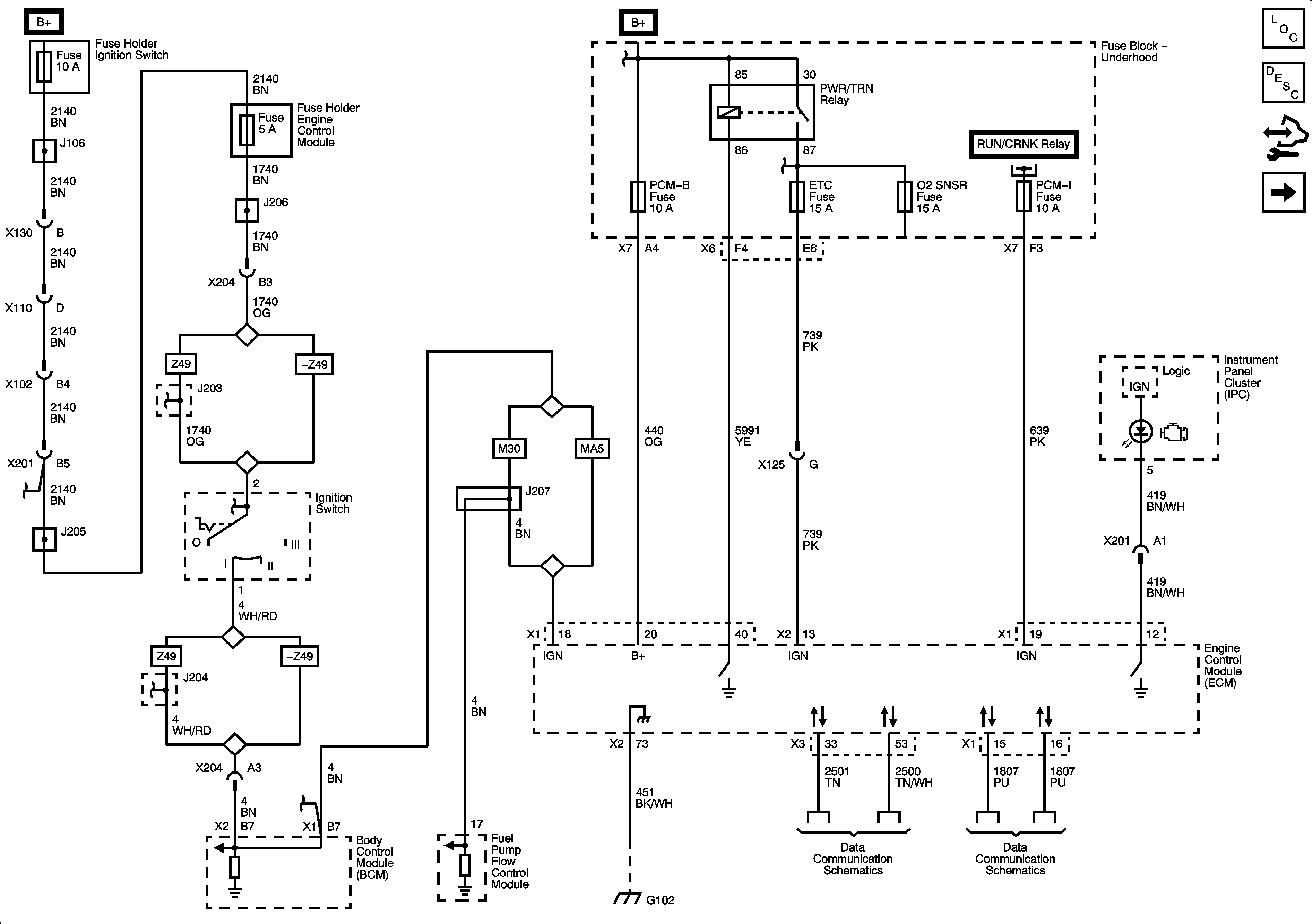
Figure 12:

Controlled/Monitored Subsystem References


Object Number: 2082692  Size: FS