GM Service Manual Online
For 1990-2009 cars only
Makes
🢒
Isuzu
🢒
2006
🢒
I-350
🢒 RUN/CRANK RELAY BUS - 3 of 3, CRUISE, SIR, and TRANS Fuses
RUN/CRANK RELAY BUS - 3 of 3, CRUISE, SIR, and TRANS Fuses
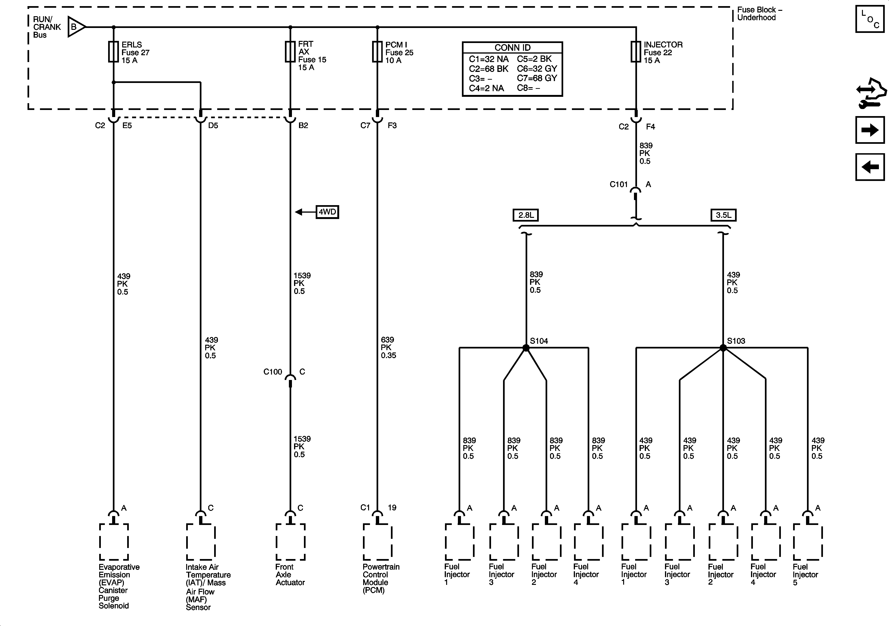
RUN/CRANK Relay Bus - 3 of 3, ERLS, FRT AX, INJECTOR, and PCM I Fuses
Master Electrical Component List
Body Control Module (BCM) Programming/RPO Configuration
ETC, O2 SENSOR, PWR/WINDOW, SUNROOF, and WIP/WASH Fuses
RUN/CRANK RELAY BUS - 2 of 3, CRUISE, SIR, and TRANS Fuses
RUN/CRANK RELAY BUS - 2 of 3, CRUISE, SIR, and TRANS Fuses