GM Service Manual Online
For 1990-2009 cars only
Makes
🢒
Isuzu
🢒
2006
🢒
I-350
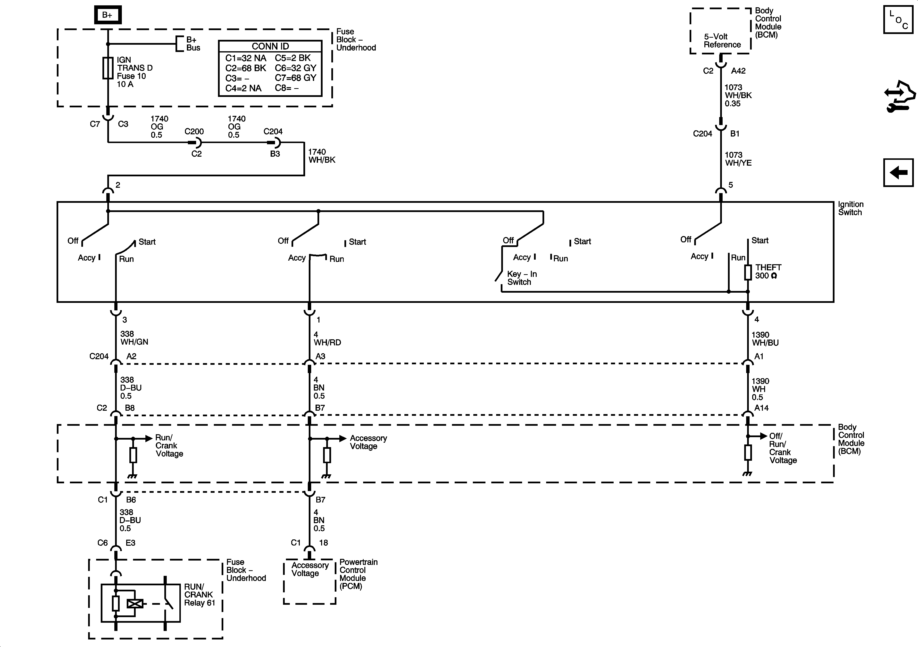
🢒 Ignition Switch and IGN TRANS D Fuse
Ignition Switch and IGN TRANS D Fuse
Ignition Switch and IGN TRANS D Fuse
Master Electrical Component List
Body Control Module (BCM) Programming/RPO Configuration
FR PK LP, RR PK LP, and RR PK LP2 Fuses
B+ Bus - Underhood Fuse Block