GM Service Manual Online
For 1990-2009 cars only
Makes
🢒
Isuzu
🢒
2006
🢒
I-350
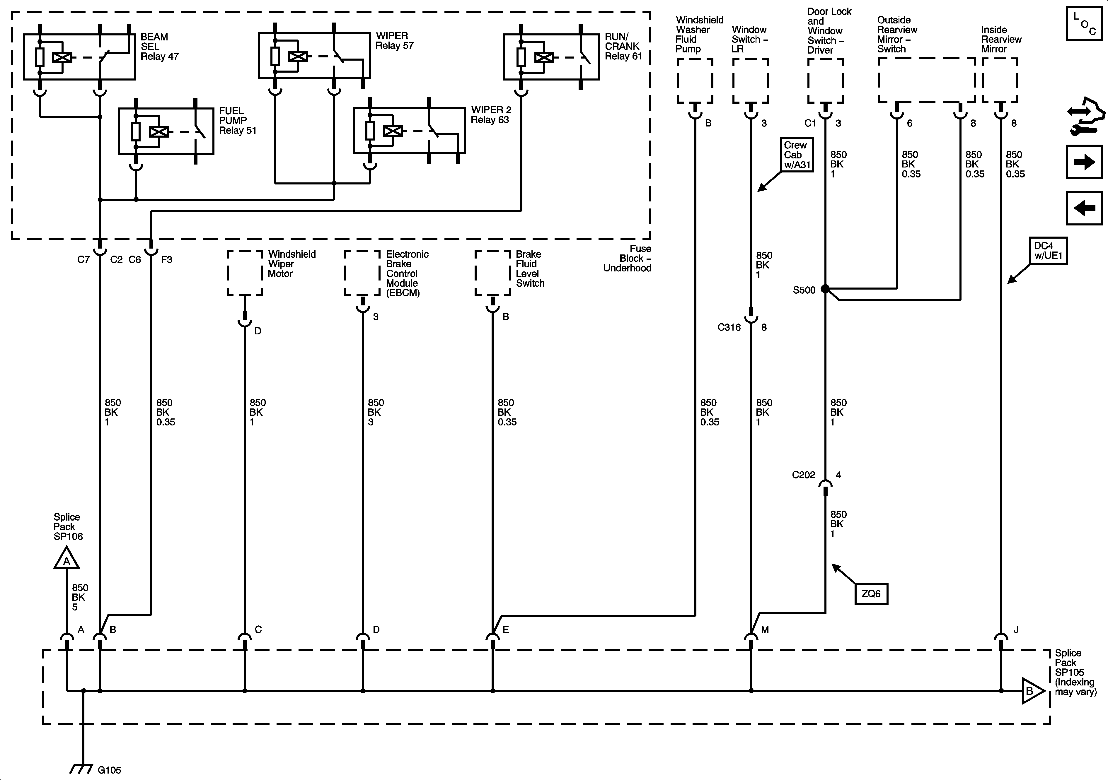
🢒 Splice Pack SP1`05 and G105 - 1 of 2
Splice Pack SP1`05 and G105 - 1 of 2
Splice Pack SP105 and G105 1 of 2
Master Electrical Component List
Body Control Module (BCM) Programming/RPO Configuration
Splice Pack SP1`05 and G105 - 2 of 2
G100, G104, G102, G103, and G101
Splice Pack SP106 and G106 - 1 of 2
Splice Pack SP1`05 and G105 - 2 of 2