GM Service Manual Online
For 1990-2009 cars only
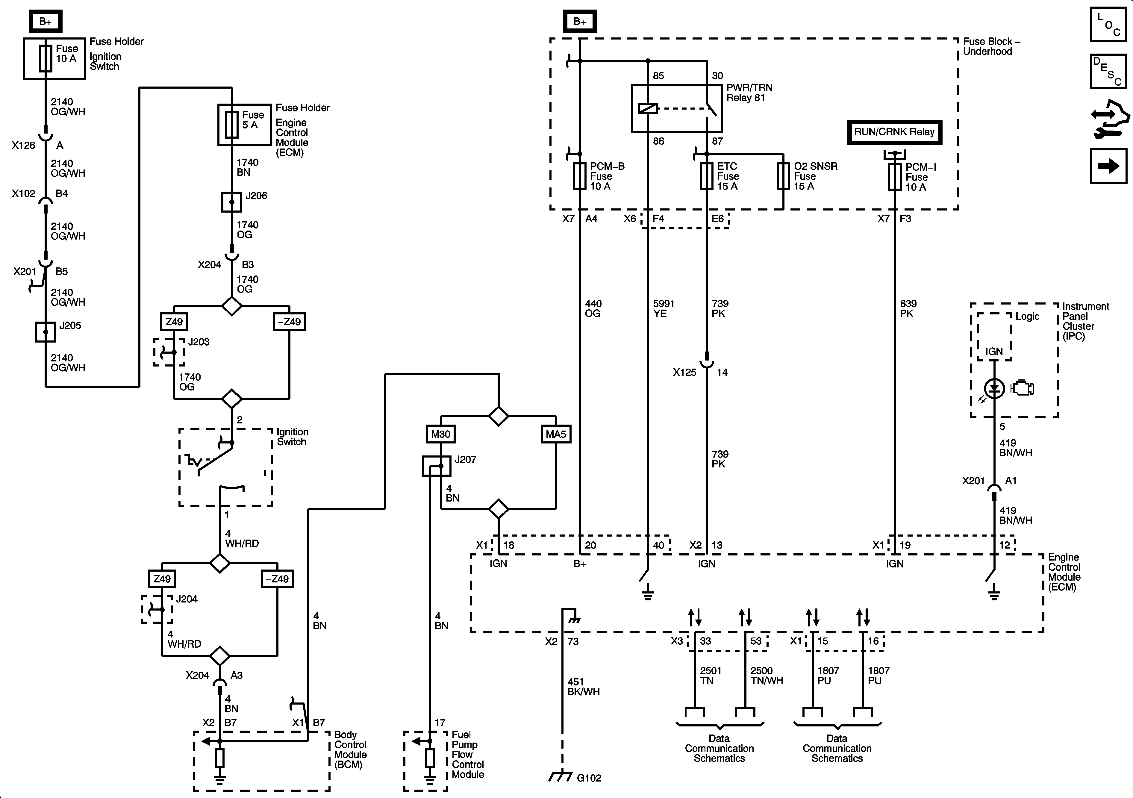
Figure 1:

Module Power, Ground, Serial Data and MIL


Object Number: 2094917  Size: FS
Figure 2:

Engine Data Sensors - 5-Volt and Low Reference


Object Number: 2080331  Size: FS
Figure 3:

Engine Data Sensors - Pressure and Temperature


Object Number: 2080333  Size: FS
Figure 4:

Engine Data Sensors - HO2S


Object Number: 2080336  Size: FS
Figure 5:

Engine Data Sensors - Electronic Throttle Control


Object Number: 2080338  Size: FS
Figure 6:

Ignition Controls - Ignition Coils 1, 3, 5, and 7


Object Number: 2080341  Size: FS
Figure 7:

Ignition Controls - Ignition Coils 2, 4, 6, and 8


Object Number: 2080346  Size: FS
Figure 8:

Ignition Controls - Sensors


Object Number: 2080350  Size: FS
Figure 9:

Fuel Pump Controls


Object Number: 1954969  Size: FS
Master Electrical Component List
Fuel System Description
Control Module References
Fuel Controls - Fuel Injectors
Ignition Controls - Sensors
Figure 10:

Fuel Controls - Fuel Pump and EVAP Controls


Object Number: 2080355  Size: FS
Figure 11:

Fuel Controls - Fuel Injectors


Object Number: 2080358  Size: FS
Figure 12:

Controlled/Monitored Subsystem References


Object Number: 2080362  Size: FS