GM Service Manual Online
For 1990-2009 cars only
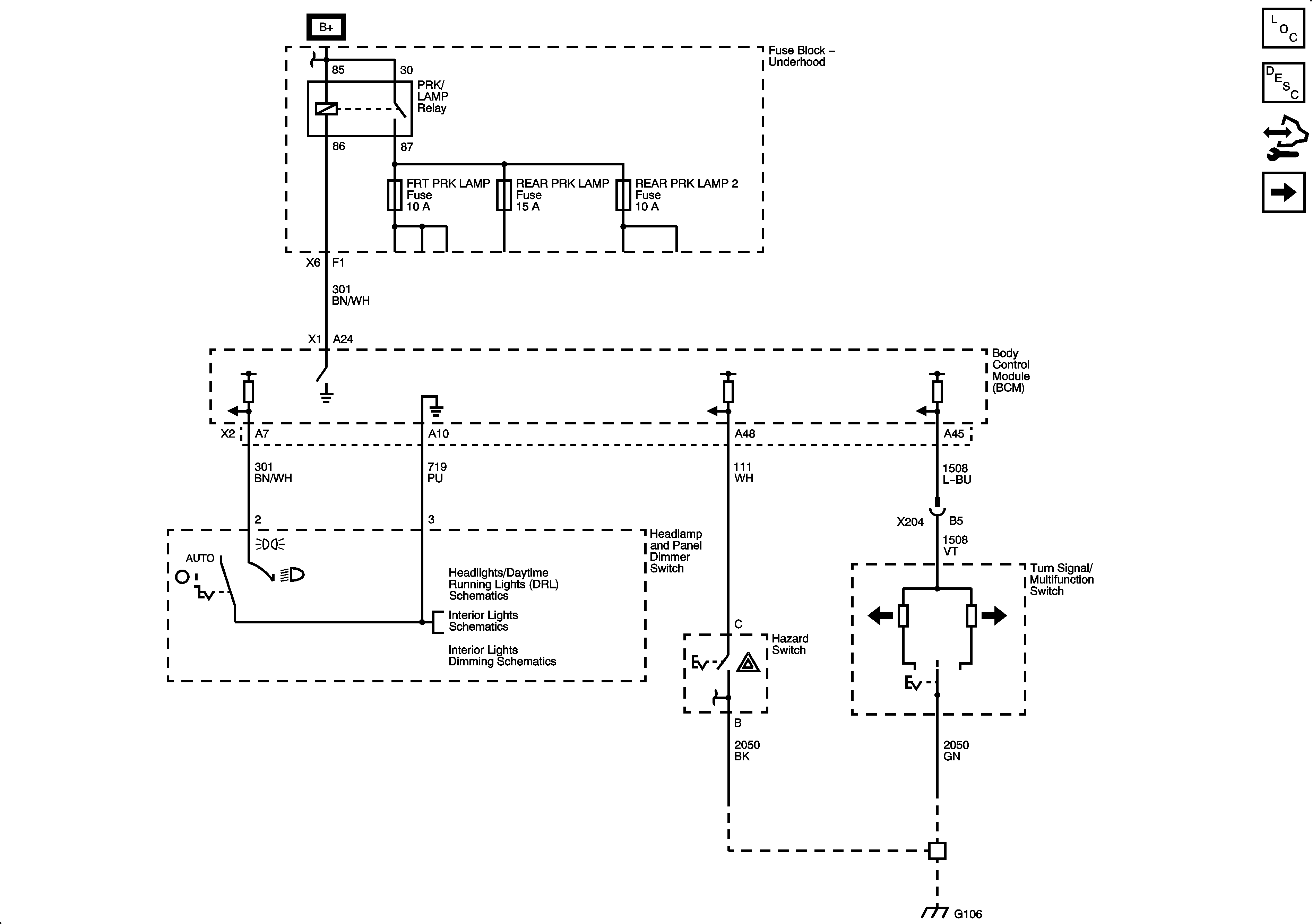
Figure 1:

Park Lamp and Turn Signal Controls


Object Number: 2082887  Size: FS
Figure 2:

Turn Signal Lamps


Object Number: 2082889  Size: FS
Figure 3:

Park Lamps


Object Number: 2082891  Size: FS
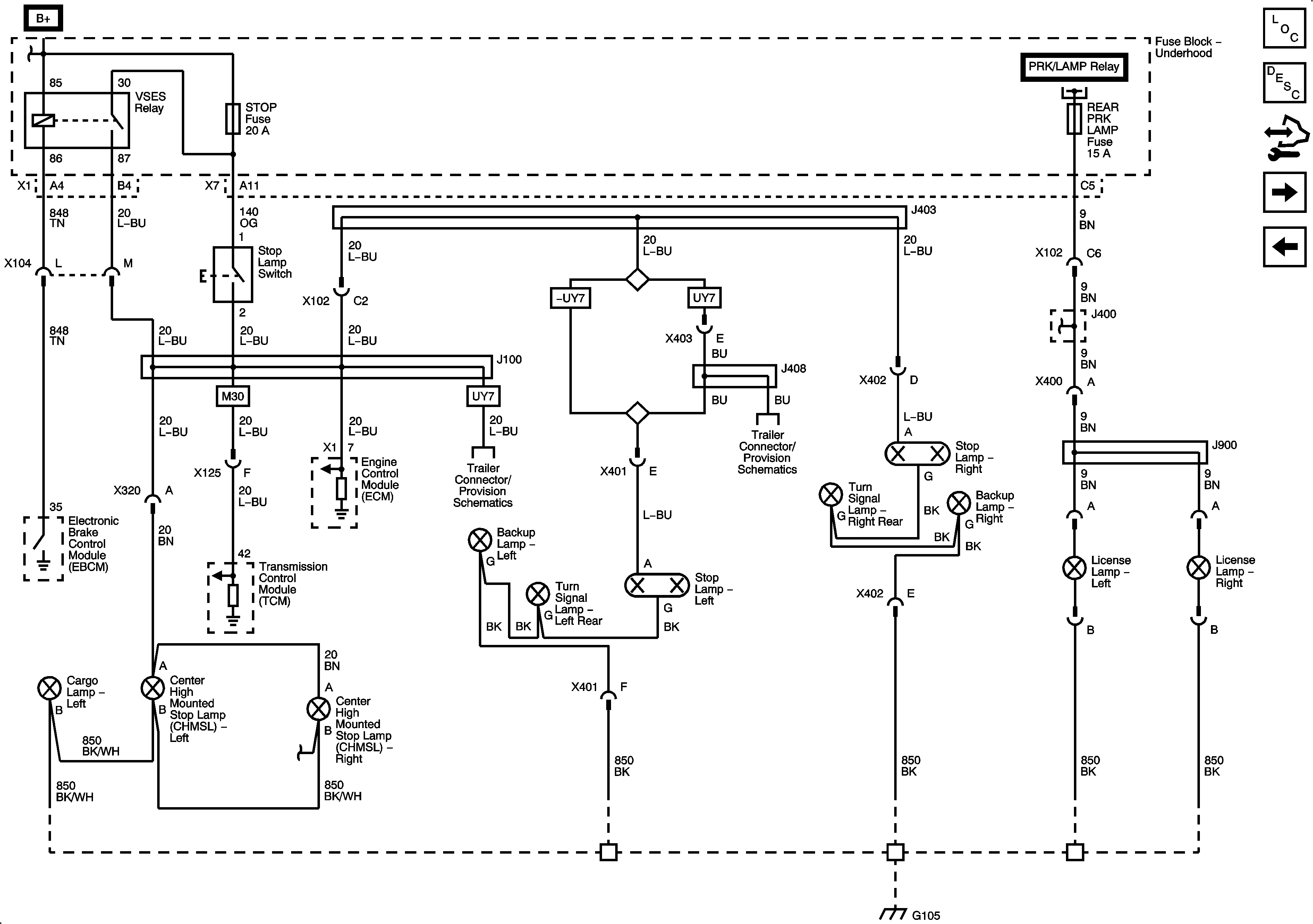
Figure 4:

Stop and License Lamps


Object Number: 2082893  Size: FS
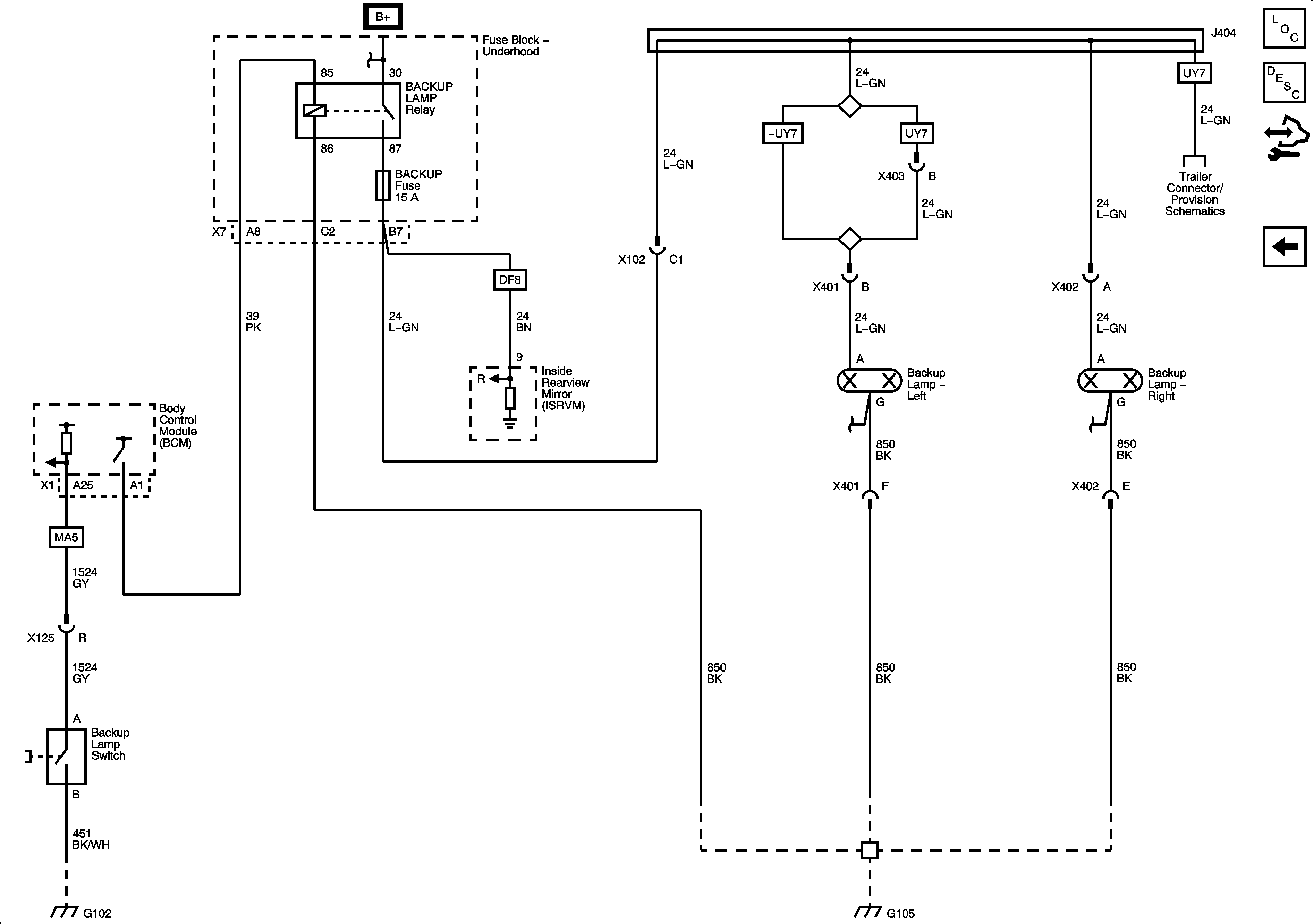
Figure 5:

Backup Lamps


Object Number: 2082896  Size: FS