GM Service Manual Online
For 1990-2009 cars only
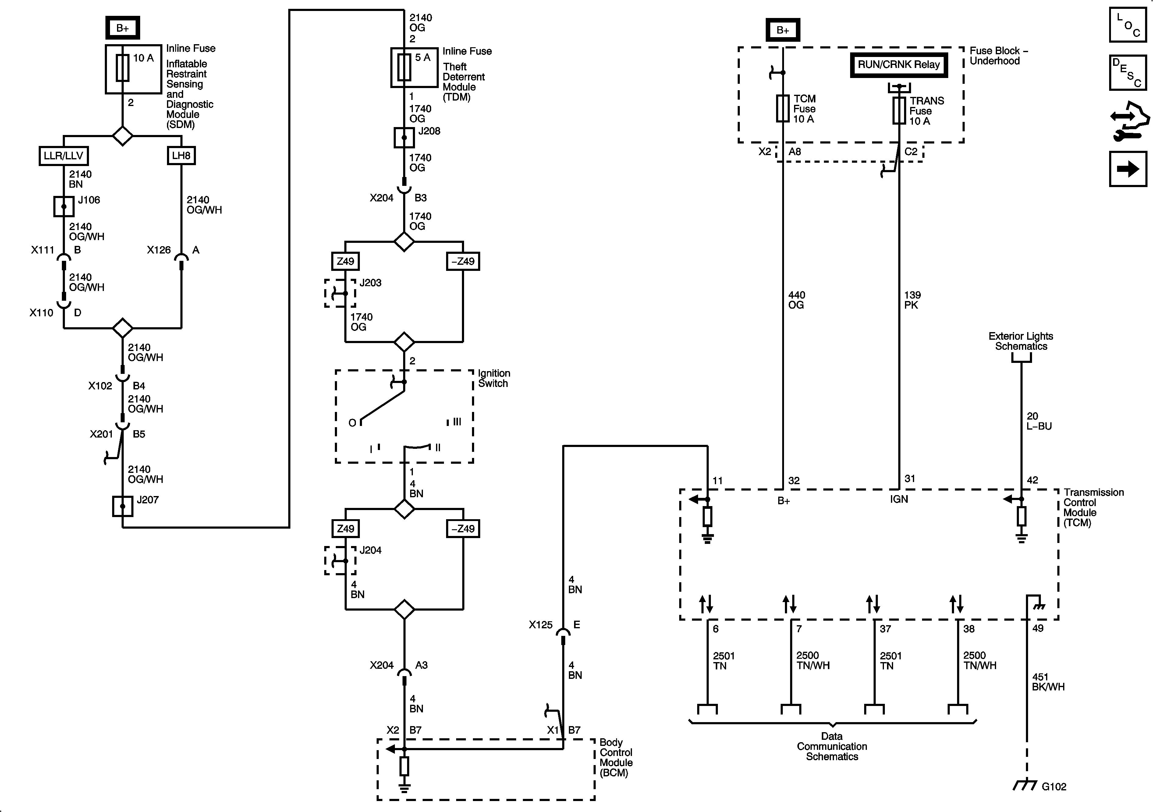
Figure 1:

Module Power, Ground, and Data Communications


Object Number: 2082739  Size: FS
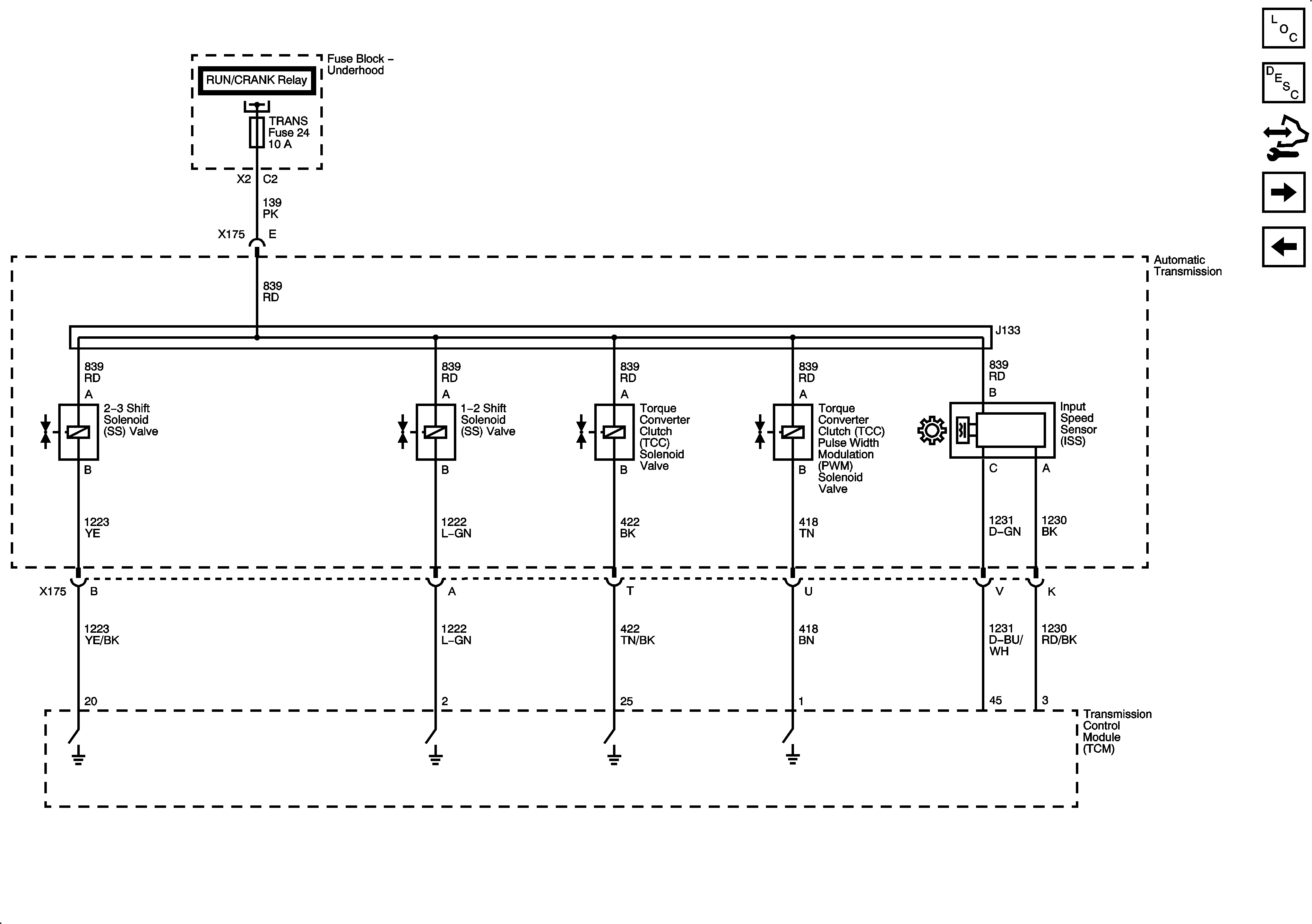
Figure 2:

Shift Controls


Object Number: 2082742  Size: FS
Figure 3:

Fluid and Temperature Controls


Object Number: 2082745  Size: FS
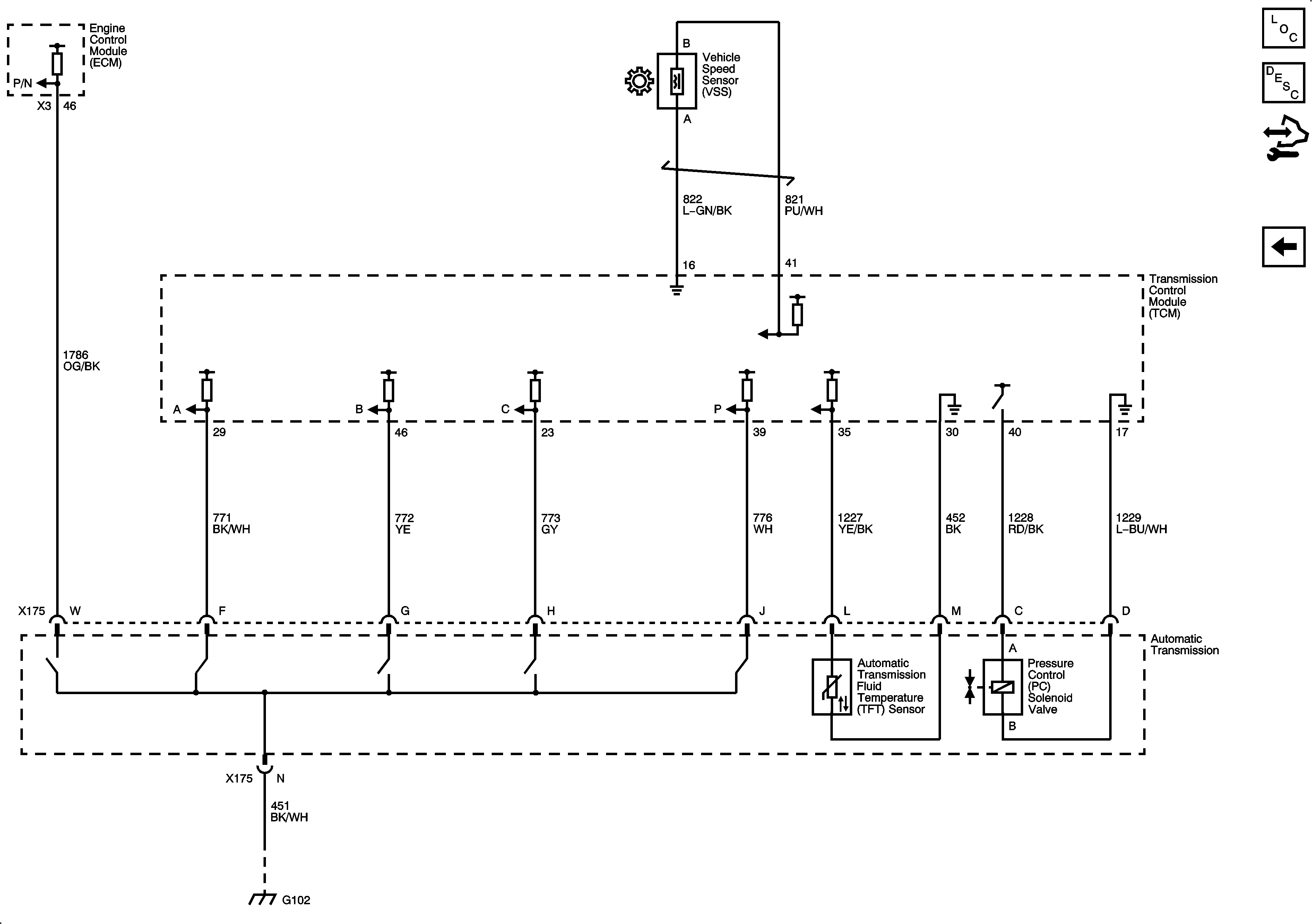
Figure 4:

PNP and VSS Signals


Object Number: 2082747  Size: FS